k-part
Номер на схеме Каталожный номер Название Количество Детали
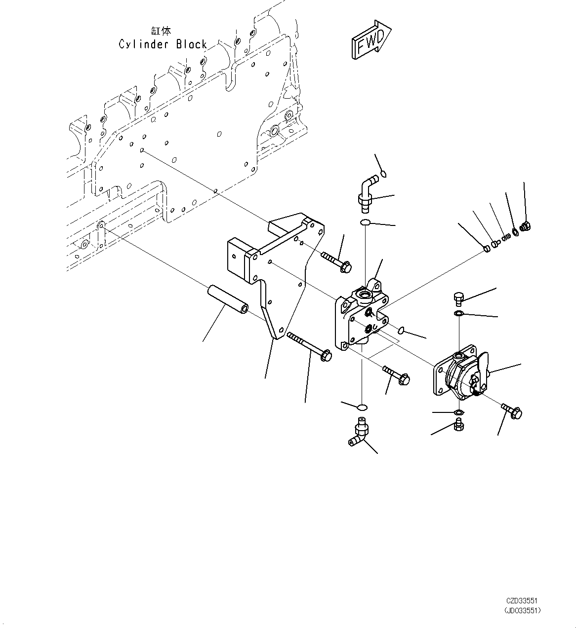
? 6251-71-6740 BRACKET 1
Field_1: BRACKET
Field_2: 573997-
code:
? 01435-01090 BOLT 3
Field_1: BOLT
Field_2: 573997-
code:
? 6251-71-6780 SPACER 1
Field_1: SPACER
Field_2: 573997-
code:
? 01436-01035 BOLT 1
Field_1: BOLT
Field_2: 573997-
code:
? 6261-71-8100 BLOCK ASSEMBLY 1
Field_1: BLOCK ASSEMBLY
Field_2: 573997-
code:
? 6261-71-8110 • BLOCK 1
Field_1: BLOCK
Field_2: 573997-
code:
? 6217-71-6850 • PLUG 1
Field_1: PLUG
Field_2: 573997-
code:
? 6217-71-6820 • VALVE 1
Field_1: VALVE
Field_2: 573997-
code:
? 6217-71-6830 • SPRING 1
Field_1: SPRING
Field_2: 573997-
code:
? 6217-71-6840 • WASHER 1
Field_1: WASHER
Field_2: 573997-
code:
? 6217-71-6870 • PIN 1
Field_1: PIN
Field_2: 573997-
code:
? 07000-12014 O-RING 2
Field_1: O-RING
Field_2: 573997-
code:
? 01435-01035 BOLT 2
Field_1: BOLT
Field_2: 573997-
code:
? 6261-71-8240 PUMP ASSEMBLY, PRIMING 1
Field_1: PUMP ASSEMBLY, PRIMING
Field_2: 573997-
code:
? 01435-01025 BOLT 4
Field_1: BOLT
Field_2: 573997-
code:
? 6110-53-5910 PLUG 2
Field_1: PLUG
Field_2: 573997-
code:
? 07005-01412 SEAL, WASHER 2
Field_1: SEAL, WASHER
Field_2: 573997-
code:
? 02782-10423 ELBOW 1
Field_1: ELBOW
Field_2: 573997-
code:
? 07002-12034 O-RING 1
Field_1: O-RING
Field_2: 573997-
code:
? 02896-11012 O-RING 1
Field_1: O-RING
Field_2: 573997-
code:
? 02782-10422 ELBOW 1
Field_1: ELBOW
Field_2: 573997-
code:
? 07002-12034 O-RING 1
Field_1: O-RING
Field_2: 573997-
code:

Engines Komatsu / SAA6D125E-5D S/N 567555-up(KC_EE017) / FUEL PREFILTER BRACKET (FOR EXTRA BAD FUEL AND POOR FUEL SPECIFICATION, WATER+DUST, LARGE FUEL PREFILTER) (PRIMING PUMP AND PIPI(|D00063 : |D00063)
?
?
?
?
?
?
?
?
?
?
?
?
?
?
?
?
?
?
?
?
?
?
?