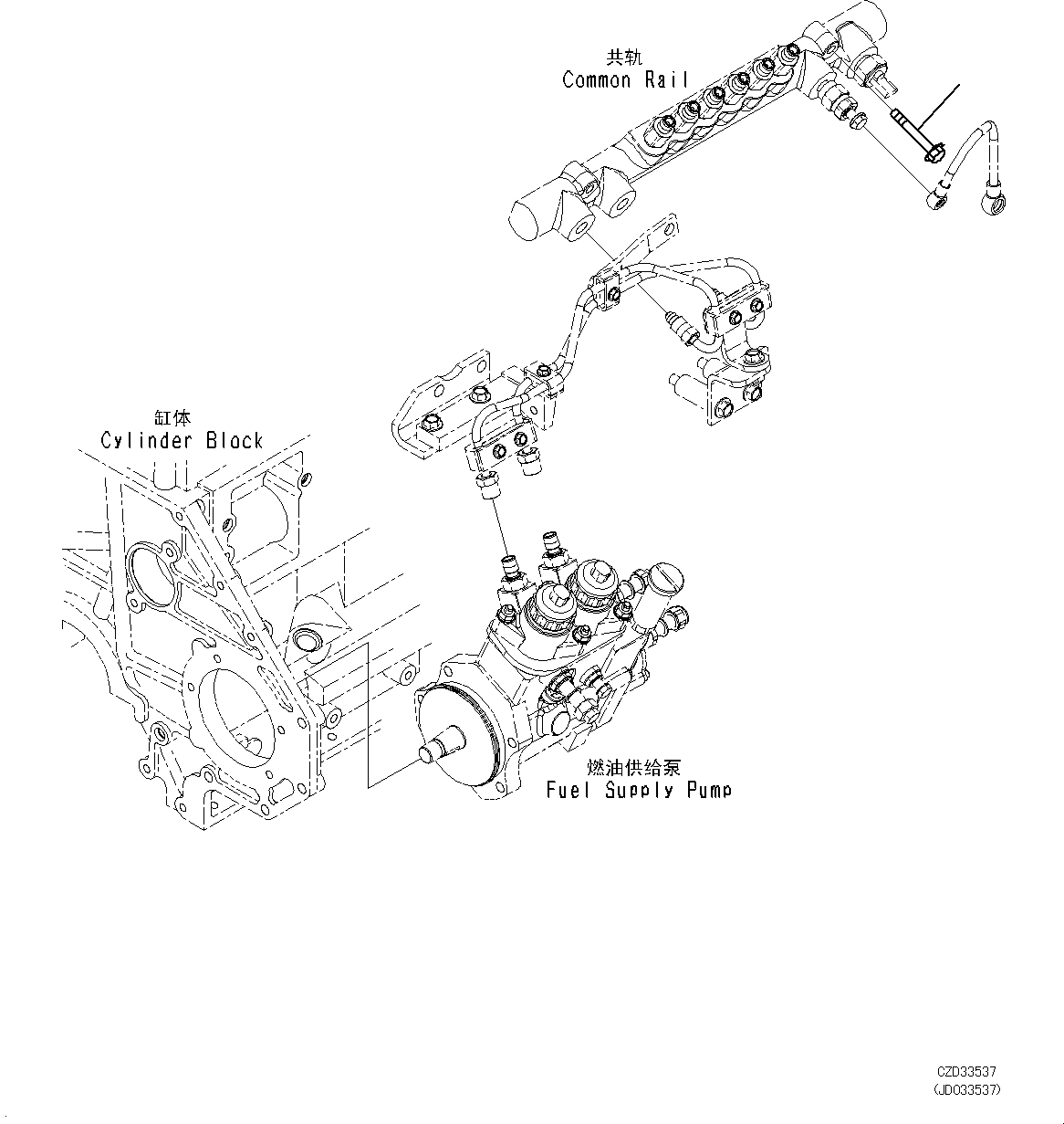
Найти k-part Содержание Engines Komatsu SAA6D125E-5D S/N 567555-up(KC_EE017) FUEL SUPPLY PUMP (MOUNTING)(|D00055 : |D00055) Номер на схеме Каталожный номер Название Количество Детали ? 01435-01050 BOLT 2 Field_1: BOLTField_2: 567555-code: ?