| Номер на схеме | Каталожный номер | Название | Количество | Детали | |||
|---|---|---|---|---|---|---|---|
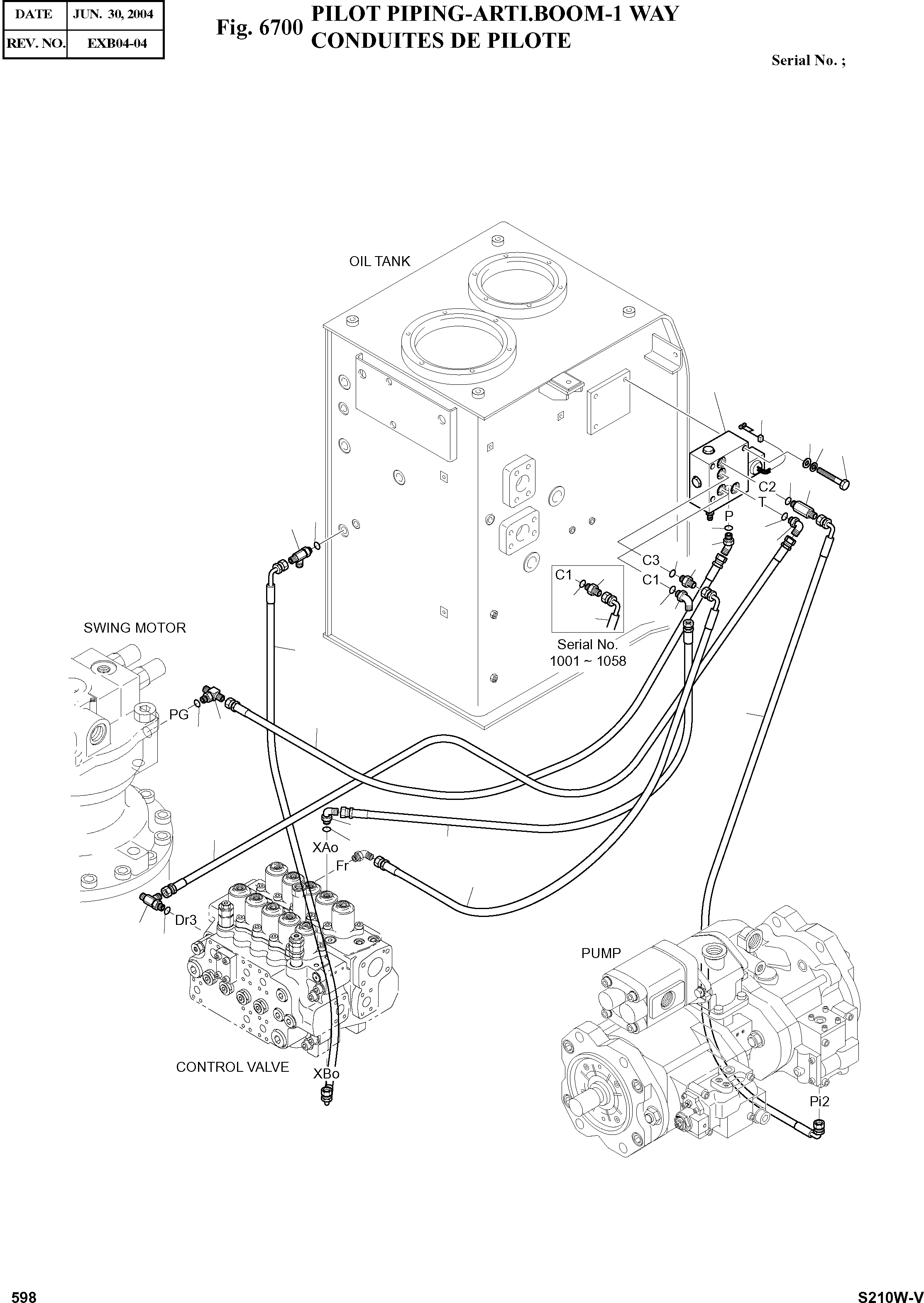
| ? | 400-01146 | PILOT PIPING | A/R | SERIAL_NO: ICA: REP_PNO: REP_QTY: SC: D desc: CONDUITES DE PILOTE LNKOP: IP: |
|||
| ? | 420-00340 | VALVE;BREAKER | 1 | SERIAL: 1001-1449 SERIAL_NO: 1001~1449 ICA: I REP_PNO: 420-00340A REP_QTY: 1 SC: desc: VANNE LNKOP: IP: |
|||
| ? | 420-00340A | VALVE;BREAKER | 1 | SERIAL: 1450- SERIAL_NO: 1450~ ICA: REP_PNO: REP_QTY: SC: desc: VANNE LNKOP: IP: |
|||
| ? | S0558953 | BOLT M10X1.5X70 | 3 | SERIAL_NO: ICA: REP_PNO: REP_QTY: SC: desc: BOULON A 6 PANS LNKOP: IP: |
|||
| ? | S5102603 | WASHER;SPRING M10 | 3 | SERIAL_NO: ICA: REP_PNO: REP_QTY: SC: desc: RONDELLE ELASTIQUE LNKOP: IP: |
|||
| ? | S5010613 | WASHER;PLAIN M10 | 3 | SERIAL_NO: ICA: REP_PNO: REP_QTY: SC: desc: RONDELLE PLATE LNKOP: IP: |
|||
| ? | 2181-1126D14 | ADAPTER PFO1/4-PF1/4 | 2 | SERIAL: 1001-1058 SERIAL_NO: 1001~1058 ICA: REP_PNO: REP_QTY: SC: desc: ADAPTEUR LNKOP: IP: |
|||
| ? | 2181-1126D14 | ADAPTER PFO1/4-PF1/4 | 1 | SERIAL: 1059- SERIAL_NO: 1059~ ICA: REP_PNO: REP_QTY: SC: desc: ADAPTEUR LNKOP: IP: |
|||
| ? | S8000111 | O-RING | 9 | SERIAL_NO: ICA: REP_PNO: REP_QTY: SC: desc: JOINT TORIQUE LNKOP: IP: |
|||
| ? | 2181-1126D34 | ADAPTER PFO1/4-PF1/4 | 1 | SERIAL_NO: ICA: REP_PNO: REP_QTY: SC: desc: ADAPTEUR LNKOP: IP: |
|||
| ? | 2181-1702D4 | ELBOW PFO1/4-PF1/4 | 2 | SERIAL: 1001-1058 SERIAL_NO: 1001~1058 ICA: REP_PNO: REP_QTY: SC: desc: COUDE LNKOP: IP: |
|||
| ? | 2181-1702D4 | ELBOW PFO1/4-PF1/4 | 3 | SERIAL: 1059- SERIAL_NO: 1059~ ICA: REP_PNO: REP_QTY: SC: desc: COUDE LNKOP: IP: |
|||
| ? | 2181-1951D1 | TEE PFO1/4-2PF1/4 | 2 | SERIAL_NO: ICA: REP_PNO: REP_QTY: SC: desc: TE LNKOP: IP: |
|||
| ? | 2181-2281D1 | TEE PFO1/4-2PF1/4 | 1 | SERIAL_NO: ICA: REP_PNO: REP_QTY: SC: desc: TE LNKOP: IP: |
|||
| ? | 2184-1046D76 | HOSE PF1/4-1200L | 1 | SERIAL: 1001-1058 SERIAL_NO: 1001~1058 ICA: REP_PNO: REP_QTY: SC: desc: TUYAU FLEXIBLE LNKOP: IP: |
|||
| ? | 2184-1045D190 | HOSE PF1/4-1200L | 1 | SERIAL: 1059- SERIAL_NO: 1059~ ICA: REP_PNO: REP_QTY: SC: desc: TUYAU FLEXIBLE LNKOP: IP: |
|||
| ? | 2184-1061D277 | HOSE PF1/4-1200L | 1 | SERIAL_NO: ICA: REP_PNO: REP_QTY: SC: desc: TUYAU FLEXIBLE LNKOP: IP: |
|||
| ? | 2184-1046D108 | HOSE PF1/4-1300L | 1 | SERIAL_NO: ICA: REP_PNO: REP_QTY: SC: desc: TUYAU FLEXIBLE LNKOP: IP: |
|||
| ? | 2184-1045D196 | HOSE PF1/4-1730L | 1 | SERIAL_NO: ICA: REP_PNO: REP_QTY: SC: desc: TUYAU FLEXIBLE LNKOP: IP: |
|||
| ? | 2184-1045D157 | HOSE PF1/4-1500L | 1 | SERIAL_NO: ICA: REP_PNO: REP_QTY: SC: desc: TUYAU FLEXIBLE LNKOP: IP: |
|||
| ? | 2184-1061D56 | HOSE PF1/4-640L | 1 | SERIAL_NO: ICA: REP_PNO: REP_QTY: SC: desc: TUYAU FLEXIBLE LNKOP: IP: |
|||
| ? | 2181-2419D1 | ELBOW PFO1/4-PF1/4 | 1 | SERIAL_NO: ICA: REP_PNO: REP_QTY: SC: desc: COUDE LNKOP: IP: |
|||
| ? | 530-00330 | HARNESS;BREAKER | 1 | SERIAL_NO: ICA: REP_PNO: REP_QTY: SC: desc: FAISCEAU LNKOP: IP: |