| Номер на схеме | Каталожный номер | Название | Количество | Детали | |||
|---|---|---|---|---|---|---|---|
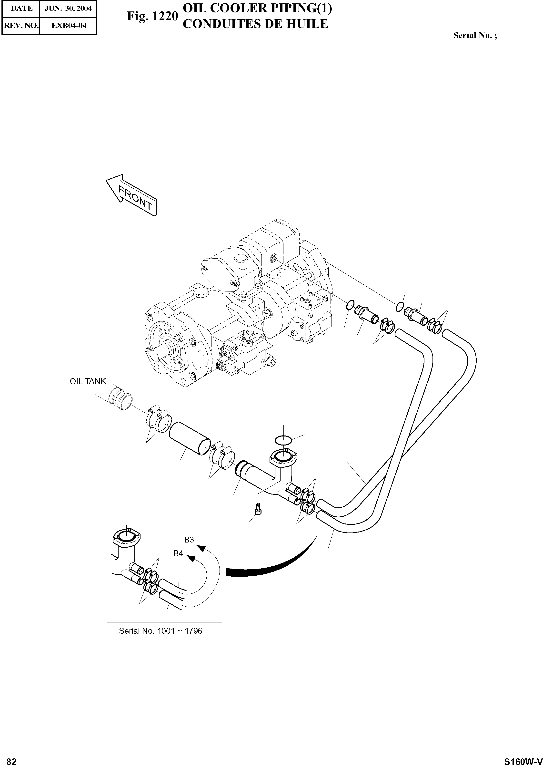
| ? | 400-01232 | OIL COOLER PIPING | A/R | SERIAL_NO: ICA: REP_PNO: REP_QTY: SC: D desc: CONDUITES DE HUILE LNKOP: IP: |
|||
| ? | 2140-1536 | PIPE;SUCTION | 1 | SERIAL_NO: ICA: REP_PNO: REP_QTY: SC: desc: TUYAU LNKOP: IP: |
|||
| ? | 2185-1002D105 | HOSE 375L | 1 | SERIAL_NO: ICA: REP_PNO: REP_QTY: SC: desc: TUYAU FLEXIBLE LNKOP: IP: |
|||
| ? | 2185-1002D122 | HOSE 740L | 1 | SERIAL: 1001-1796 SERIAL_NO: 1001~1796 ICA: I REP_PNO: 2185-1002D107 REP_QTY: 1 SC: desc: TUYAU FLEXIBLE LNKOP: IP: |
|||
| ? | 2185-1002D107 | HOSE 800L | 1 | SERIAL: 1797- SERIAL_NO: 1797~ ICA: REP_PNO: REP_QTY: SC: desc: TUYAU FLEXIBLE LNKOP: IP: |
|||
| ? | 2185-1002D109 | HOSE 680L | 1 | SERIAL_NO: ICA: REP_PNO: REP_QTY: SC: desc: TUYAU FLEXIBLE LNKOP: IP: |
|||
| ? | S8450035 | CLAMP;HOSE | 8 | SERIAL_NO: ICA: REP_PNO: REP_QTY: SC: desc: FIXATION DE TUYAU LNKOP: IP: |
|||
| ? | S2215366 | BOLT;SOCKET M12X1.75X35 | 4 | SERIAL_NO: ICA: REP_PNO: REP_QTY: SC: desc: BOULON A 6 PANS CREUX LNKOP: IP: |
|||
| ? | 2180-1026D31 | O-RING | 1 | SERIAL_NO: ICA: REP_PNO: REP_QTY: SC: desc: JOINT TORIQUE LNKOP: IP: |
|||
| ? | S8000241 | O-RING | 1 | SERIAL_NO: ICA: REP_PNO: REP_QTY: SC: desc: JOINT TORIQUE LNKOP: IP: |
|||
| ? | 2181-2693A | ADAPTER | 1 | SERIAL_NO: ICA: REP_PNO: REP_QTY: SC: desc: ADAPTEUR LNKOP: IP: |
|||
| ? | S8450082 | CLAMP;HOSE | 4 | SERIAL_NO: ICA: REP_PNO: REP_QTY: SC: desc: FIXATION DE TUYAU LNKOP: IP: |
|||
| ? | S8040121 | O-RING | 1 | SERIAL_NO: ICA: REP_PNO: REP_QTY: SC: desc: JOINT TORIQUE LNKOP: IP: |
|||
| ? | 181-00722 | ADAPTER | 1 | SERIAL: 1001-2559 SERIAL_NO: 1001~2559 ICA: I REP_PNO: K1002269 REP_QTY: 1 SC: desc: ADAPTEUR LNKOP: IP: |
|||
| ? | K1002269 | ADAPTER | 1 | SERIAL: 2560- SERIAL_NO: 2560~ ICA: REP_PNO: REP_QTY: SC: desc: ADAPTEUR LNKOP: IP: |