| Номер на схеме | Каталожный номер | Название | Количество | Детали | |||
|---|---|---|---|---|---|---|---|
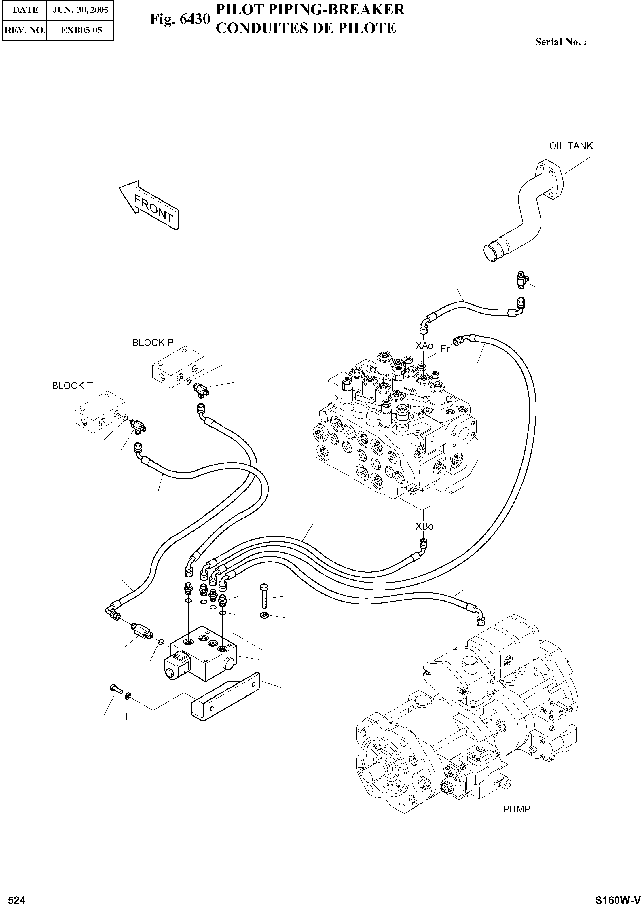
| ? | 400-01168 | PILOT PIPING;BREAKER | A/R | SERIAL_NO: ICA: REP_PNO: REP_QTY: SC: D desc: CIRCUIT PILOTE LNKOP: IP: |
|||
| ? | 420-00340 | VALVE;PACKAGE | 1 | SERIAL: 1001-2564 SERIAL_NO: 1001~2564 ICA: I REP_PNO: 420-00340A REP_QTY: 1 SC: desc: SOUPAPE A SOLENOIDE LNKOP: IP: |
|||
| ? | 420-00340A | VALVE;PACKAGE | 1 | SERIAL: 2565-2634 SERIAL_NO: 2565~2634 ICA: I REP_PNO: 420-00340B REP_QTY: 1 SC: desc: SOUPAPE A SOLENOIDE LNKOP: IP: |
|||
| ? | 420-00340B | VALVE;PACKAGE | 1 | SERIAL: 2635- SERIAL_NO: 2635~ ICA: REP_PNO: REP_QTY: SC: desc: SOUPAPE A SOLENOIDE LNKOP: IP: |
|||
| ? | 2891-1403 | PLATE | 1 | SERIAL_NO: ICA: REP_PNO: REP_QTY: SC: desc: PLAQUE LNKOP: IP: |
|||
| ? | S5102603 | WASHER;SPRING M10 | 4 | SERIAL_NO: ICA: REP_PNO: REP_QTY: SC: desc: RONDELLE ELASTIQUE LNKOP: IP: |
|||
| ? | S0558953 | BOLT M10X1.5X70 | 2 | SERIAL_NO: ICA: REP_PNO: REP_QTY: SC: desc: BOULON A 6 PANS LNKOP: IP: |
|||
| ? | S0512053 | BOLT M10X1.5X25 | 2 | SERIAL_NO: ICA: REP_PNO: REP_QTY: SC: desc: BOULON A 6 PANS LNKOP: IP: |
|||
| ? | S8000111 | O-RING 1/4 | 5 | SERIAL_NO: ICA: REP_PNO: REP_QTY: SC: desc: JOINT TORIQUE LNKOP: IP: |
|||
| ? | 2181-1126D14 | ADAPTER PFO1/4-PF1/4 | 4 | SERIAL_NO: ICA: REP_PNO: REP_QTY: SC: desc: ADAPTEUR LNKOP: IP: |
|||
| ? | 2181-1126D34 | ADAPTER PFO1/4-PF1/4 | 1 | SERIAL_NO: ICA: REP_PNO: REP_QTY: SC: desc: ADAPTEUR LNKOP: IP: |
|||
| ? | S8000141 | O-RING | 2 | SERIAL_NO: ICA: REP_PNO: REP_QTY: SC: desc: JOINT TORIQUE LNKOP: IP: |
|||
| ? | 2181-1951D6 | TEE PFO3/8-PF3/8-PF1/4 | 2 | SERIAL_NO: ICA: REP_PNO: REP_QTY: SC: desc: TE LNKOP: IP: |
|||
| ? | 2184-1061D247 | HOSE PF1/4-1750L | 1 | SERIAL_NO: ICA: REP_PNO: REP_QTY: SC: desc: TUYAU FLEXIBLE LNKOP: IP: |
|||
| ? | 2184-1061D248 | HOSE PF1/4-1850L | 1 | SERIAL_NO: ICA: REP_PNO: REP_QTY: SC: desc: TUYAU FLEXIBLE LNKOP: IP: |
|||
| ? | 2184-1061D8 | HOSE PF1/4-2700L | 1 | SERIAL: 1001-3198 SERIAL_NO: 1001~3198 ICA: REP_PNO: REP_QTY: SC: desc: TUYAU FLEXIBLE LNKOP: IP: |
|||
| ? | DS2059497 | HOSE PF1/4-2600L | 1 | SERIAL: 3199- SERIAL_NO: 3199~ ICA: REP_PNO: REP_QTY: SC: desc: TUYAU FLEXIBLE LNKOP: IP: |
|||
| ? | 2184-1046D61 | HOSE PF1/4-1750L | 1 | SERIAL: 1001-3198 SERIAL_NO: 1001~3198 ICA: REP_PNO: REP_QTY: SC: desc: TUYAU FLEXIBLE LNKOP: IP: |
|||
| ? | 2184-1046D117 | HOSE PF1/4-1700L | 1 | SERIAL: 3199- SERIAL_NO: 3199~ ICA: REP_PNO: REP_QTY: SC: desc: TUYAU FLEXIBLE LNKOP: IP: |
|||
| ? | 2184-1061D47 | HOSE PF1/4-1100L | 1 | SERIAL_NO: ICA: REP_PNO: REP_QTY: SC: desc: TUYAU FLEXIBLE LNKOP: IP: |
|||
| ? | DS2349013 | TEE PFO3/4-PF3/4-PF1/4 | 1 | SERIAL_NO: ICA: REP_PNO: REP_QTY: SC: desc: TE LNKOP: IP: |
|||
| ? | 2184-1061D245 | HOSE PF1/4-430L | 1 | SERIAL_NO: ICA: REP_PNO: REP_QTY: SC: desc: TUYAU FLEXIBLE LNKOP: IP: |
|||
| ? | 530-00330 | HARNSESS;BREAKER | 1 | SERIAL_NO: ICA: REP_PNO: REP_QTY: SC: desc: HARNAIS LNKOP: IP: |