| Номер на схеме | Каталожный номер | Название | Количество | Детали | |||
|---|---|---|---|---|---|---|---|
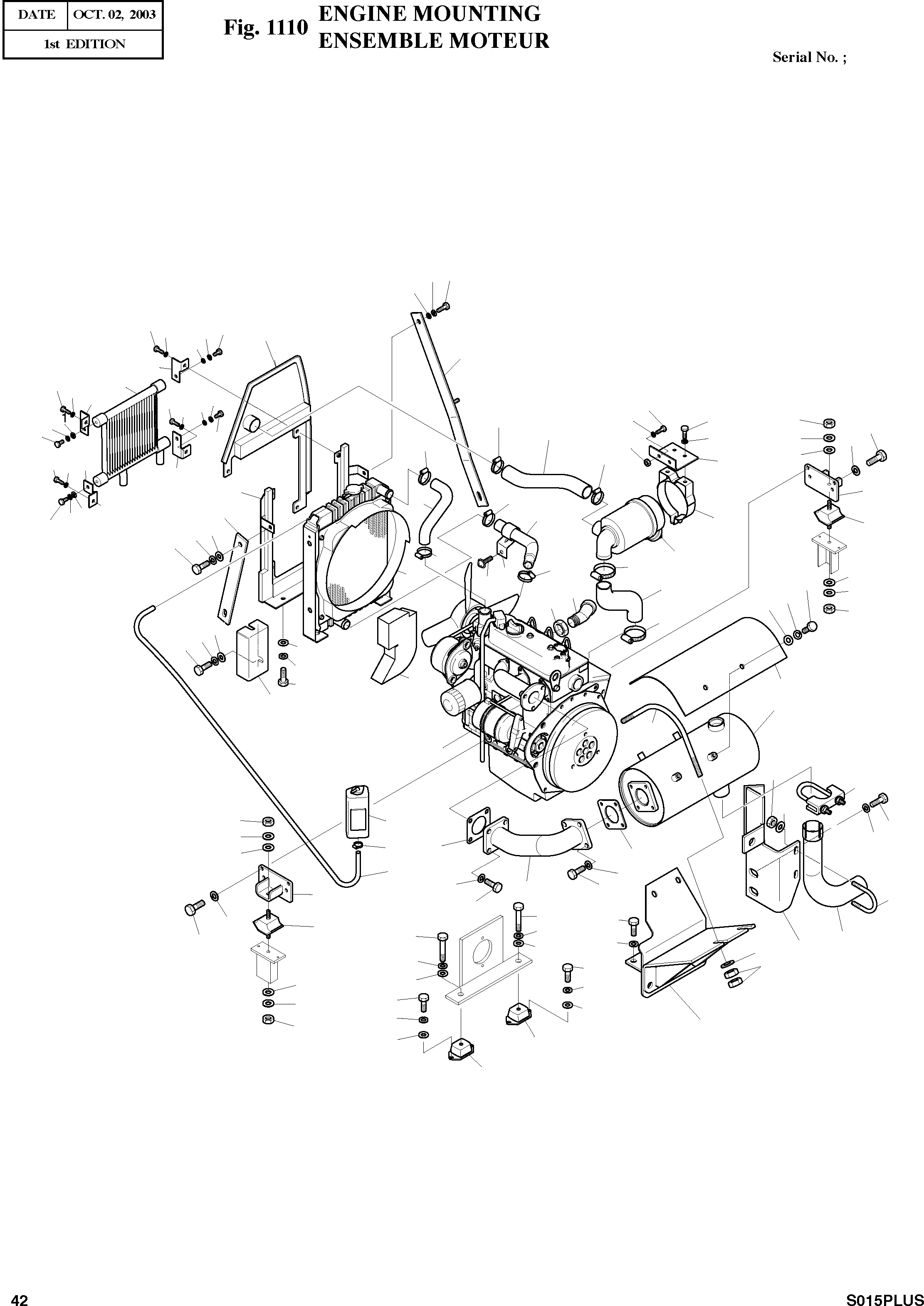
| ? | 201-00038 | ENGINE ASS'Y | A/R | SERIAL_NO: ICA: REP_PNO: REP_QTY: SC: D desc: MOTEUR LNKOP: IP: |
|||
| ? | 201-00039 | ENGINE | 1 | SERIAL_NO: ICA: REP_PNO: REP_QTY: SC: desc: MOTEUR LNKOP: IP: |
|||
| ? | 30L47-00601 | RADIATOR | 1 | SERIAL_NO: ICA: REP_PNO: REP_QTY: SC: desc: RADIATEUR LNKOP: IP: |
|||
| ? | 204-00034 | CLEANER;AIR | 1 | SERIAL_NO: ICA: REP_PNO: REP_QTY: SC: desc: FILTRE A AIR LNKOP: IP: |
|||
| ? | 203-00030C | MUFFLER | 1 | SERIAL_NO: ICA: REP_PNO: REP_QTY: SC: desc: SILENCIEUX LNKOP: IP: |
|||
| ? | 161-00387 | RUBBER;MOUNTING | 2 | SERIAL_NO: ICA: REP_PNO: REP_QTY: SC: desc: CAOUTCHOUC LNKOP: IP: |
|||
| ? | . NUT | 1 | SERIAL_NO: ICA: REP_PNO: REP_QTY: SC: D desc: . ECROU LNKOP: IP: |
||||
| ? | . WASHER | 1 | SERIAL_NO: ICA: REP_PNO: REP_QTY: SC: D desc: . RONDELLE LNKOP: IP: |
||||
| ? | 195-01739A | BRACKET;MOUNTING | 2 | SERIAL_NO: ICA: REP_PNO: REP_QTY: SC: desc: SUPPORT LNKOP: IP: |
|||
| ? | 195-00529A | BRACKET;MUFFLER | 1 | SERIAL_NO: ICA: REP_PNO: REP_QTY: SC: desc: SUPPORT LNKOP: IP: |
|||
| ? | 621-00723 | COVER;MUFFLER | 1 | SERIAL_NO: ICA: REP_PNO: REP_QTY: SC: desc: COUVERCLE LNKOP: IP: |
|||
| ? | 193-00192C | PIPE;EXHAUST | 1 | SERIAL_NO: ICA: REP_PNO: REP_QTY: SC: desc: CONDUITES LNKOP: IP: |
|||
| ? | 120-00148 | BOLT;U | 2 | SERIAL_NO: ICA: REP_PNO: REP_QTY: SC: desc: BOULON A 6 PANS LNKOP: IP: |
|||
| ? | 185-00002B | HOSE;AIR CLEANER | 1 | SERIAL_NO: ICA: REP_PNO: REP_QTY: SC: desc: TUYAU FLEXIBLE LNKOP: IP: |
|||
| ? | 193-00191 | PIPE;EXHAUST | 1 | SERIAL_NO: ICA: REP_PNO: REP_QTY: SC: desc: CONDUITES LNKOP: IP: |
|||
| ? | 195-00531 | BRACKET | 1 | SERIAL_NO: ICA: REP_PNO: REP_QTY: SC: desc: SUPPORT LNKOP: IP: |
|||
| ? | 2120-2161 | BOLT;U | 1 | SERIAL_NO: ICA: REP_PNO: REP_QTY: SC: desc: BOULON A 6 PANS LNKOP: IP: |
|||
| ? | 30A30-00100 | GASKET | 1 | SERIAL_NO: ICA: REP_PNO: REP_QTY: SC: desc: JOINT LNKOP: IP: |
|||
| ? | 124-00190 | BAND;AIR CLEANER | 1 | SERIAL_NO: ICA: REP_PNO: REP_QTY: SC: desc: ATTACHE LNKOP: IP: |
|||
| ? | 30L47-00800 | HOSE;UPPER | 1 | SERIAL_NO: ICA: REP_PNO: REP_QTY: SC: desc: TUYAU FLEXIBLE LNKOP: IP: |
|||
| ? | 30L47-00900 | HOSE;LOWER | 1 | SERIAL_NO: ICA: REP_PNO: REP_QTY: SC: desc: TUYAU FLEXIBLE LNKOP: IP: |
|||
| ? | 202-00130 | COOLER;OIL | 1 | SERIAL_NO: ICA: REP_PNO: REP_QTY: SC: desc: REFROIDSSMENT LNKOP: IP: |
|||
| ? | 195-00571B | BRACKET | 1 | SERIAL_NO: ICA: REP_PNO: REP_QTY: SC: desc: SUPPORT LNKOP: IP: |
|||
| ? | 191-00377B | STAY | 1 | SERIAL_NO: ICA: REP_PNO: REP_QTY: SC: desc: ENTRETOISE LNKOP: IP: |
|||
| ? | 195-01370B | BAFFLE | 1 | SERIAL_NO: ICA: REP_PNO: REP_QTY: SC: desc: COUVERCLE LNKOP: IP: |
|||
| ? | S0515453 | BOLT M10X1.75X40 | 2 | SERIAL_NO: ICA: REP_PNO: REP_QTY: SC: desc: BOULON A 6 PANS LNKOP: IP: |
|||
| ? | S5102603 | WASHER;SPRING M10 | 10 | SERIAL_NO: ICA: REP_PNO: REP_QTY: SC: desc: RONDELLE ELASTIQUE LNKOP: IP: |
|||
| ? | S4012633 | NUT M10 | 8 | SERIAL_NO: ICA: REP_PNO: REP_QTY: SC: desc: ECROU LNKOP: IP: |
|||
| ? | S0712063 | BOLT M10X1.25X25 | 10 | SERIAL_NO: ICA: REP_PNO: REP_QTY: SC: desc: BOULON A 6 PANS LNKOP: IP: |
|||
| ? | S0508853 | BOLT M8X1.25X20 | 20 | SERIAL_NO: ICA: REP_PNO: REP_QTY: SC: desc: BOULON A 6 PANS LNKOP: IP: |
|||
| ? | S5102503 | WASHER;SPRING M8 | 34 | SERIAL_NO: ICA: REP_PNO: REP_QTY: SC: desc: RONDELLE ELASTIQUE LNKOP: IP: |
|||
| ? | S5010513 | WASHER;PLAIN M8 | 10 | SERIAL_NO: ICA: REP_PNO: REP_QTY: SC: desc: RONDELLE PLATE LNKOP: IP: |
|||
| ? | MM434-427 | SUPPORT;HOSE | 1 | SERIAL_NO: ICA: REP_PNO: REP_QTY: SC: desc: SUPPORT LNKOP: IP: |
|||
| ? | MS350-029 | SCREW | 1 | SERIAL_NO: ICA: REP_PNO: REP_QTY: SC: desc: VIS LNKOP: IP: |
|||
| ? | MF661019 | CLAMP;HOSE | 4 | SERIAL_NO: ICA: REP_PNO: REP_QTY: SC: desc: COLLIER LNKOP: IP: |
|||
| ? | S4012533 | NUT M8X1.25 | 6 | SERIAL_NO: ICA: REP_PNO: REP_QTY: SC: desc: ECROU LNKOP: IP: |
|||
| ? | S4012333 | NUT M10X1.0 | 4 | SERIAL_NO: ICA: REP_PNO: REP_QTY: SC: desc: ECROU LNKOP: IP: |
|||
| ? | S8450053 | CLAMP;HOSE | 4 | SERIAL_NO: ICA: REP_PNO: REP_QTY: SC: desc: COLLIER LNKOP: IP: |
|||
| ? | 124-00264 | CLAMP | 1 | SERIAL_NO: ICA: REP_PNO: REP_QTY: SC: desc: COLLIER LNKOP: IP: |
|||
| ? | S5010613 | WASHER;PLAIN | 6 | SERIAL_NO: ICA: REP_PNO: REP_QTY: SC: desc: RONDELLE PLATE LNKOP: IP: |
|||
| ? | S0504353 | BOLT M6X1.0X10 | 2 | SERIAL_NO: ICA: REP_PNO: REP_QTY: SC: desc: BOULON A 6 PANS LNKOP: IP: |
|||
| ? | S5102303 | WASHER;SPRING M6 | 2 | SERIAL_NO: ICA: REP_PNO: REP_QTY: SC: desc: RONDELLE ELASTIQUE LNKOP: IP: |
|||
| ? | MM301-607 | TANK;RESERVIER | 1 | SERIAL_NO: ICA: REP_PNO: REP_QTY: SC: desc: RESERVOIR LNKOP: IP: |
|||
| ? | 2185-1247D4 | HOSE | 1 | SERIAL_NO: ICA: REP_PNO: REP_QTY: SC: desc: TUYAU FLEXIBLE LNKOP: IP: |
|||
| ? | S8450012 | CLAMP;HOSE | 1 | SERIAL_NO: ICA: REP_PNO: REP_QTY: SC: desc: COLLIER LNKOP: IP: |
|||
| ? | 195-00603 | BRACKET | 1 | SERIAL_NO: ICA: REP_PNO: REP_QTY: SC: desc: SUPPORT LNKOP: IP: |
|||
| ? | 191-00475A | STAY | 1 | SERIAL_NO: ICA: REP_PNO: REP_QTY: SC: desc: ENTRETOISE LNKOP: IP: |
|||
| ? | 195-00697A | BRACKET | 1 | SERIAL_NO: ICA: REP_PNO: REP_QTY: SC: desc: SUPPORT LNKOP: IP: |
|||
| ? | 161-00124 | RUBBER;MOUNTING | 2 | SERIAL_NO: ICA: REP_PNO: REP_QTY: SC: desc: CAOUTCHOUC LNKOP: IP: |
|||
| ? | 2114-1058D29 | WASHER;PLAIN | 4 | SERIAL_NO: ICA: REP_PNO: REP_QTY: SC: desc: RONDELLE PLATE LNKOP: IP: |
|||
| ? | 2114-1058D62 | WASHER;PLAIN | 6 | SERIAL_NO: ICA: REP_PNO: REP_QTY: SC: desc: RONDELLE PLATE LNKOP: IP: |
|||
| ? | S0711853 | BOLT M10X1.25X20 | 2 | SERIAL_NO: ICA: REP_PNO: REP_QTY: SC: desc: BOULON A 6 PANS LNKOP: IP: |
|||
| ? | S0509053 | BOLT M8X1.25X25 | 4 | SERIAL_NO: ICA: REP_PNO: REP_QTY: SC: desc: BOULON A 6 PANS LNKOP: IP: |
|||
| ? | S5010313 | WASHER;PLAIN M6 | 2 | SERIAL_NO: ICA: REP_PNO: REP_QTY: SC: desc: RONDELLE PLATE LNKOP: IP: |
|||
| ? | 161-00303 | SPONGE | 1 | SERIAL_NO: ICA: REP_PNO: REP_QTY: SC: desc: EPONGE LNKOP: IP: |
|||
| ? | S0508853 | BOLT M8X1.25X20 | 4 | SERIAL_NO: ICA: REP_PNO: REP_QTY: SC: desc: BOULON A 6 PANS LNKOP: IP: |
|||
| ? | S5010513 | WASHER;PLAIN | 4 | SERIAL_NO: ICA: REP_PNO: REP_QTY: SC: desc: RONDELLE PLATE LNKOP: IP: |
|||
| ? | S5102503 | WASHER;SPRING | 4 | SERIAL_NO: ICA: REP_PNO: REP_QTY: SC: desc: RONDELLE ELASTIQUE LNKOP: IP: |
|||
| ? | S5102703 | WASHER;SPRING | 2 | SERIAL_NO: ICA: REP_PNO: REP_QTY: SC: desc: RONDELLE ELASTIQUE LNKOP: IP: |
|||
| ? | S5010713 | WASHER;PLAIN | 2 | SERIAL_NO: ICA: REP_PNO: REP_QTY: SC: desc: RONDELLE PLATE LNKOP: IP: |
|||
| ? | 185-00289B | HOSE;AIR CLEANER | 1 | SERIAL_NO: ICA: REP_PNO: REP_QTY: SC: desc: TUYAU FLEXIBLE LNKOP: IP: |
|||
| ? | 193-00679A | PIPE;OIL FILLER | 1 | SERIAL_NO: ICA: REP_PNO: REP_QTY: SC: desc: CONDUITES LNKOP: IP: |
|||
| ? | 121-00070 | NUT;OIL FILLER PIPE | 1 | SERIAL_NO: ICA: REP_PNO: REP_QTY: SC: desc: ECROU LNKOP: IP: |
|||
| ? | 195-02759 | BRACKET | 1 | SERIAL_NO: ICA: REP_PNO: REP_QTY: SC: desc: SUPPORT LNKOP: IP: |
|||
| ? | 195-02756 | BRACKET | 1 | SERIAL_NO: ICA: REP_PNO: REP_QTY: SC: desc: SUPPORT LNKOP: IP: |
|||
| ? | 195-02757 | BRACKET | 1 | SERIAL_NO: ICA: REP_PNO: REP_QTY: SC: desc: SUPPORT LNKOP: IP: |
|||
| ? | 195-02758 | BRACKET | 1 | SERIAL_NO: ICA: REP_PNO: REP_QTY: SC: desc: SUPPORT LNKOP: IP: |
|||
| ? | S0508653 | BOLT | 4 | SERIAL_NO: ICA: REP_PNO: REP_QTY: SC: desc: BOULON A 6 PANS LNKOP: IP: |