| Номер на схеме | Каталожный номер | Название | Количество | Детали | |||
|---|---|---|---|---|---|---|---|
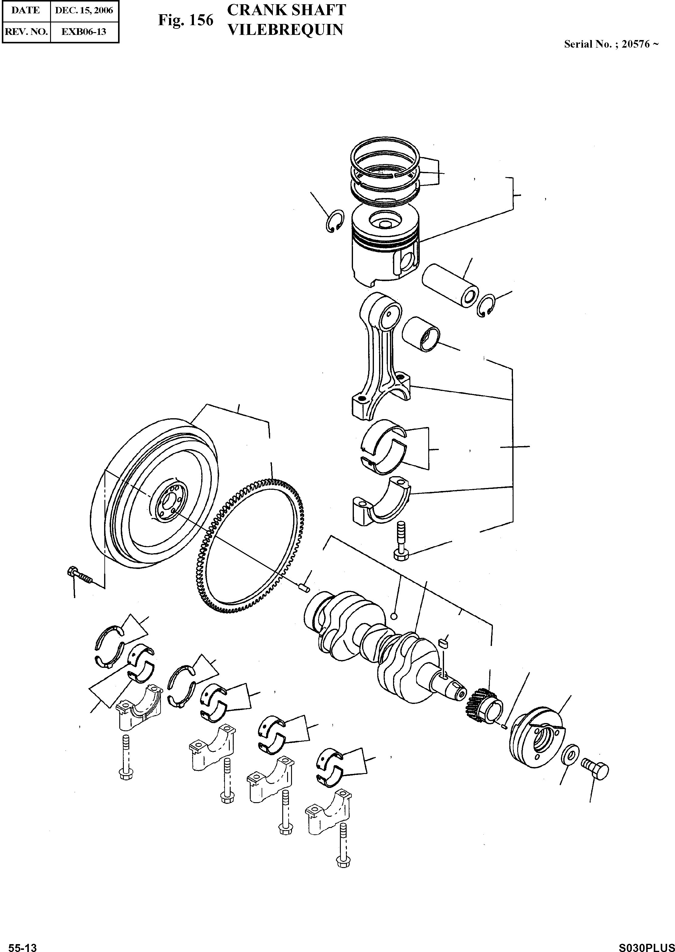
| ? | 586401-0510 | CRANKSHAFT ASS'Y | 1 | SERIAL_NO: ICA: REP_PNO: REP_QTY: SC: desc: VILEBREQUIN LNKOP: IP: |
|||
| ? | 586400-1260 | METAL SET;MAIN | 4 | SERIAL_NO: ICA: REP_PNO: REP_QTY: SC: desc: ENSEMBLE EN METAL LNKOP: IP: |
|||
| ? | 586400-3780 | FLYWHEEL ASS'Y | 1 | SERIAL_NO: ICA: REP_PNO: REP_QTY: SC: desc: VOLANT LNKOP: IP: |
|||
| ? | 586400-1450 | PULLEY;CRANKSHAFT | 1 | SERIAL_NO: ICA: REP_PNO: REP_QTY: SC: desc: POULIE DE VILEBREQUIN LNKOP: IP: |
|||
| ? | 586400-9460 | GEAR;CRANKSHAFT | 1 | SERIAL_NO: ICA: REP_PNO: REP_QTY: SC: desc: PIGNON LNKOP: IP: |
|||
| ? | 586400-0900 | GEAR;RING | 1 | SERIAL_NO: ICA: REP_PNO: REP_QTY: SC: desc: PIGNON LNKOP: IP: |
|||
| ? | 586400-0970 | BOLT | 6 | SERIAL_NO: ICA: REP_PNO: REP_QTY: SC: desc: BOULON A 6 PANS LNKOP: IP: |
|||
| ? | 586400-1890 | WASHER;THRUST | 2 | SERIAL_NO: ICA: REP_PNO: REP_QTY: SC: desc: RONDELLE DE BUTEE LNKOP: IP: |
|||
| ? | 586400-1900 | WASHER;THRUST (0.25) | 2 | SERIAL_NO: ICA: REP_PNO: REP_QTY: SC: OS desc: RONDELLE DE POUSSEE LNKOP: IP: |
|||
| ? | 586400-2950 | KEY;WOODRUFF | 1 | SERIAL_NO: ICA: REP_PNO: REP_QTY: SC: desc: CLE LNKOP: IP: |
|||
| ? | 586400-2930 | PIN;PULLEY | 1 | SERIAL_NO: ICA: REP_PNO: REP_QTY: SC: desc: GOUPILLE LNKOP: IP: |
|||
| ? | 586400-1050 | BOLT | 1 | SERIAL_NO: ICA: REP_PNO: REP_QTY: SC: desc: BOULON A 6 PANS LNKOP: IP: |
|||
| ? | 586400-2780 | WASHER | 1 | SERIAL_NO: ICA: REP_PNO: REP_QTY: SC: desc: CALE LNKOP: IP: |
|||
| ? | 586401-3240 | RING SET;PISTON | 3 | SERIAL_NO: ICA: REP_PNO: REP_QTY: SC: desc: ENSEMBLE D'ANNEAU LNKOP: IP: |
|||
| ? | 586401-3260 | RING SET;PISTON (0.25) | 3 | SERIAL_NO: ICA: REP_PNO: REP_QTY: SC: OS desc: ENSEMBLE D'ANNEAU LNKOP: IP: |
|||
| ? | 586400-2010 | METAL;CONNECTING ROD | 3 | SERIAL_NO: ICA: REP_PNO: REP_QTY: SC: desc: METAL LNKOP: IP: |
|||
| ? | 586400-2020 | METAL;CONNECTING ROD (0.25) | 3 | SERIAL_NO: ICA: REP_PNO: REP_QTY: SC: US desc: METAL LNKOP: IP: |
|||
| ? | 586400-2140 | PIN;PISTON | 3 | SERIAL_NO: ICA: REP_PNO: REP_QTY: SC: desc: AXE DE PISTON LNKOP: IP: |
|||
| ? | 586400-3530 | CONNECTING ROD ASS'Y | 3 | SERIAL_NO: ICA: REP_PNO: REP_QTY: SC: desc: BIELLE ASS'Y LNKOP: IP: |
|||
| ? | 586400-1750 | BUSHING;CONNROD | 3 | SERIAL_NO: ICA: REP_PNO: REP_QTY: SC: desc: DOUILLE LNKOP: IP: |
|||
| ? | 586400-1040 | BOLT;CONNROD | 6 | SERIAL_NO: ICA: REP_PNO: REP_QTY: SC: desc: BOULON A 6 PANS LNKOP: IP: |
|||
| ? | 586400-1710 | PIN;CRANKSHAFT | 1 | SERIAL_NO: ICA: REP_PNO: REP_QTY: SC: desc: GOUPILLE LNKOP: IP: |
|||
| ? | 586400-2920 | RING;SNAP | 6 | SERIAL_NO: ICA: REP_PNO: REP_QTY: SC: desc: CIRCLIP LNKOP: IP: |
|||
| ? | 586400-1880 | METAL SET;MAIN | 4 | SERIAL_NO: ICA: REP_PNO: REP_QTY: SC: US desc: ENSEMBLE EN METAL LNKOP: IP: |
|||
| ? | 586401-3230 | PISTON SET | 3 | SERIAL_NO: ICA: REP_PNO: REP_QTY: SC: desc: PISTON LNKOP: IP: |
|||
| ? | 586401-3250 | PISTON SET (0.25) | 3 | SERIAL_NO: ICA: REP_PNO: REP_QTY: SC: OS desc: PISTON LNKOP: IP: |