| Номер на схеме | Каталожный номер | Название | Количество | Детали | |||
|---|---|---|---|---|---|---|---|
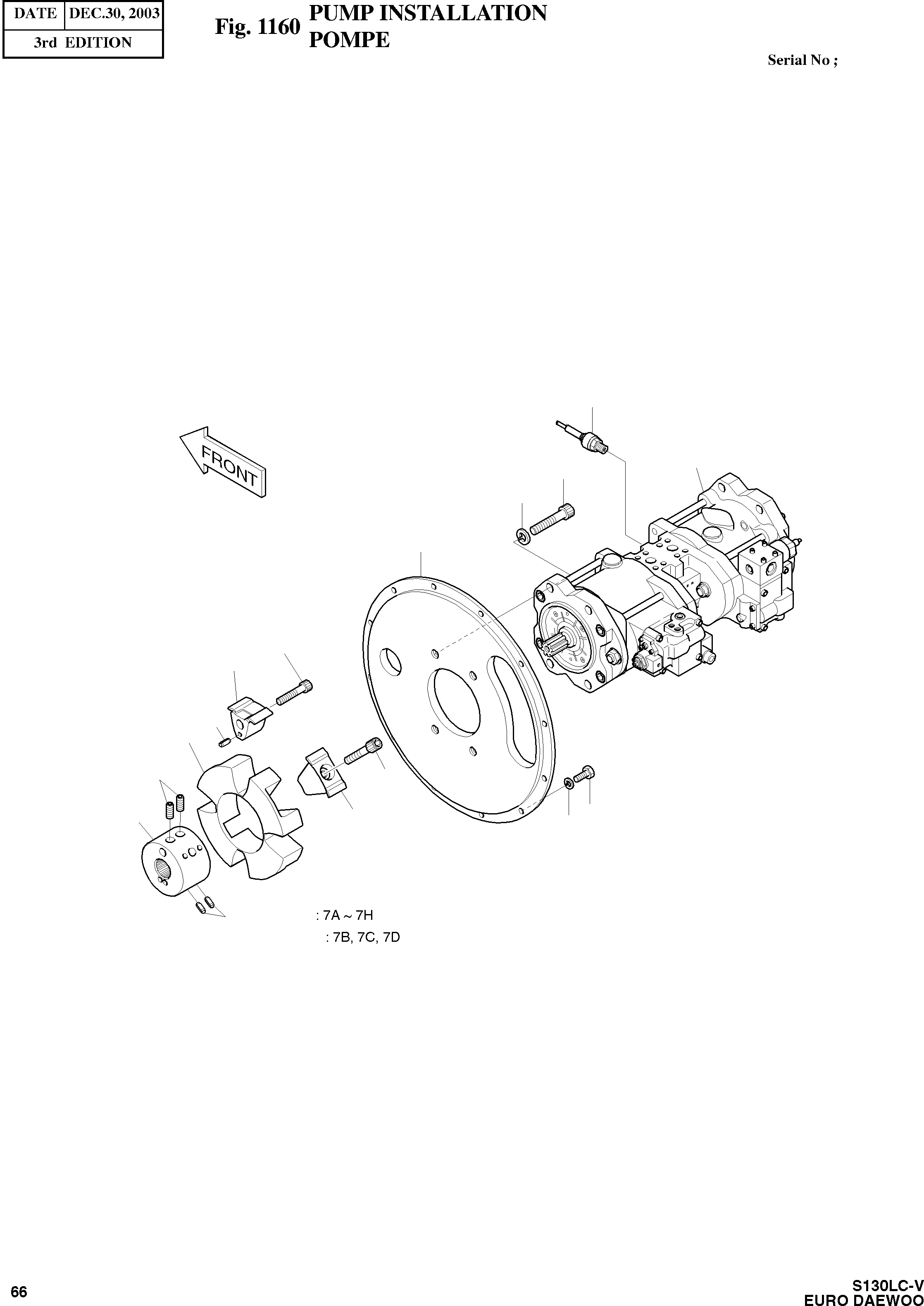
| ? | 2401-1227A | PUMP INSTALLATION ASS'Y | A/R | SERIAL_NO: ICA: REP_PNO: REP_QTY: SC: D desc: POMPE LNKOP: IP: |
|||
| ? | 2401-9236 | MAIN PUMP | 1 | SERIAL: 1-50520 SERIAL_NO: 1~50520 ICA: I REP_PNO: 2401-9236B REP_QTY: 1 SC: desc: POMPE PRINCIPALE LNKOP: IP: |
|||
| ? | 2401-9236B | MAIN PUMP | 1 | SERIAL: 50521- SERIAL_NO: 50521~ ICA: REP_PNO: REP_QTY: SC: desc: POMPE PRINCIPALE LNKOP: IP: O |
4100 | ||
| ? | 2229-1063 | COVER | 1 | SERIAL_NO: ICA: REP_PNO: REP_QTY: SC: desc: COUVERCLE LNKOP: IP: |
|||
| ? | S2221561 | BOLT;SOCKET M16X2.0X45 | 4 | SERIAL: 1-50520 SERIAL_NO: 1~50520 ICA: I REP_PNO: S2221566 REP_QTY: 4 SC: desc: BOULON A 6 PANS CREUX LNKOP: IP: |
|||
| ? | S2221566 | BOLT;SOCKET M16X2.0X45 | 4 | SERIAL: 50521- SERIAL_NO: 50521~ ICA: REP_PNO: REP_QTY: SC: desc: BOULON A 6 PANS CREUX LNKOP: IP: |
|||
| ? | S5110901 | WASHER;SPRING M16 | 4 | SERIAL: 1-50520 SERIAL_NO: 1~50520 ICA: I REP_PNO: S5110903 REP_QTY: 4 SC: desc: RONDELLE GROWER LNKOP: IP: |
|||
| ? | S5110903 | WASHER;SPRING M16 | 4 | SERIAL: 50521- SERIAL_NO: 50521~ ICA: REP_PNO: REP_QTY: SC: desc: RONDELLE GROWER LNKOP: IP: |
|||
| ? | S5102603 | WASHER;SPRING M10 | 12 | SERIAL_NO: ICA: REP_PNO: REP_QTY: SC: desc: RONDELLE GROWER LNKOP: IP: |
|||
| ? | 2414-9009A | COUPLING | 1 | SERIAL_NO: ICA: REP_PNO: REP_QTY: SC: desc: SYSTEME DE COUPLAGE LNKOP: IP: |
|||
| ? | - | . HUB | 1 | SERIAL_NO: ICA: REP_PNO: REP_QTY: SC: D desc: . MOYEU LNKOP: IP: |
|||
| ? | 2474-7009 | . ELEMENT | 1 | SERIAL_NO: ICA: REP_PNO: REP_QTY: SC: desc: . ELEMENT LNKOP: IP: |
|||
| ? | - | . INSERT(A) | 4 | SERIAL_NO: ICA: REP_PNO: REP_QTY: SC: D desc: . INSERTION LNKOP: IP: |
|||
| ? | - | . INSERT(R) | 4 | SERIAL_NO: ICA: REP_PNO: REP_QTY: SC: D desc: . INSERTION LNKOP: IP: |
|||
| ? | K9000422 | . SOCKET BOLT SET(8EA) | 1 | SERIAL_NO: ICA: REP_PNO: REP_QTY: SC: desc: . BOULON DE PLOT LNKOP: IP: |
|||
| ? | - | . BOLT;CLAMPING M16X2.0X28 | 2 | SERIAL_NO: ICA: REP_PNO: REP_QTY: SC: D desc: . BOULON LNKOP: IP: |
|||
| ? | - | . PIN;SPRING D5X10 | 12 | SERIAL_NO: ICA: REP_PNO: REP_QTY: SC: D desc: . GOUPILLE LNKOP: IP: |
|||
| ? | 2474-7009K | . ELEMENT KIT | 1 | SERIAL_NO: ICA: REP_PNO: REP_QTY: SC: desc: . KIT DE ELEMENT LNKOP: IP: |
|||
| ? | S0512053 | BOLT M10X1.5X25 | 12 | SERIAL_NO: ICA: REP_PNO: REP_QTY: SC: desc: BOULON A 6 PANS LNKOP: IP: |
|||
| ? | 2547-9036 | SENSOR;PRESSURE | 2 | SERIAL: 1-50120 SERIAL_NO: 1~50120 ICA: T REP_PNO: 2547-9045 REP_QTY: 2 SC: desc: CAPTEUR DE PRESSION LNKOP: IP: |
|||
| ? | 2547-9045 | SENSOR;PRESSURE | 2 | SERIAL: 50121- SERIAL_NO: 50121~ ICA: REP_PNO: REP_QTY: SC: desc: CAPTEUR DE PRESSION LNKOP: IP: |