k-part
Номер на схеме Каталожный номер Название Количество Детали
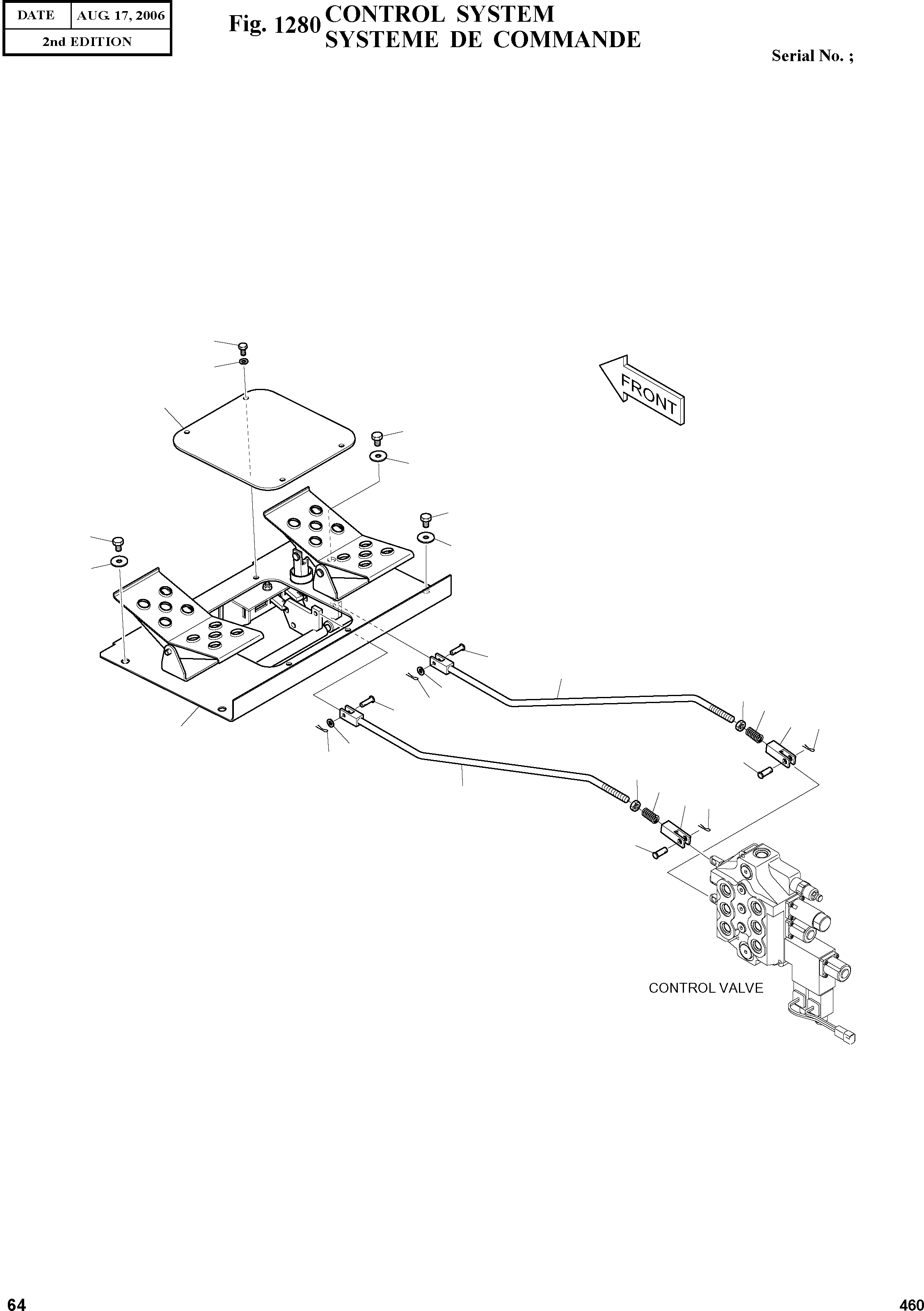
? K1020531 COLTROL SYSTEM A/R
SERIAL_NO:
ICA:
REP_PNO:
REP_QTY:
SC: D
desc: SYSTEME DE COLTROL
LNKOP:
IP:
? K1020339 PEDAL ASS'Y 1
SERIAL_NO:
ICA:
REP_PNO:
REP_QTY:
SC:
desc: PEDALE
LNKOP:
IP:
? K1020965 ROD 1
SERIAL_NO:
ICA:
REP_PNO:
REP_QTY:
SC:
desc: TIGE
LNKOP:
IP:
? K1020351 ROD 1
SERIAL_NO:
ICA:
REP_PNO:
REP_QTY:
SC:
desc: TIGE
LNKOP:
IP:
? K1019832 YOKE 1
SERIAL_NO:
ICA:
REP_PNO:
REP_QTY:
SC:
desc: ETRIER
LNKOP:
IP:
? S4016733 NUT 2
SERIAL_NO:
ICA:
REP_PNO:
REP_QTY:
SC:
desc: ECROU
LNKOP:
IP:
? S180333H PIN 4
SERIAL_NO:
ICA:
REP_PNO:
REP_QTY:
SC:
desc: GOUJON
LNKOP:
IP:
? S5760301 PIN 2
SERIAL_NO:
ICA:
REP_PNO:
REP_QTY:
SC:
desc: GOUJON
LNKOP:
IP:
? K1023146 WASHER;HARDENED 2
SERIAL_NO:
ICA:
REP_PNO:
REP_QTY:
SC:
desc: RONDELLE
LNKOP:
IP:
? S5760232 PIN;CLEVIS 2
SERIAL_NO:
ICA:
REP_PNO:
REP_QTY:
SC:
desc: BROCHE
LNKOP:
IP:
? S0511663 BOLT 4
SERIAL_NO:
ICA:
REP_PNO:
REP_QTY:
SC:
desc: BOULON A 6 PANS
LNKOP:
IP:
? K1023129 WASHER 4
SERIAL_NO:
ICA:
REP_PNO:
REP_QTY:
SC:
desc: RONDELLE
LNKOP:
IP:
? K1021062 COVER 1
SERIAL_NO:
ICA:
REP_PNO:
REP_QTY:
SC:
desc: COUVERCLE
LNKOP:
IP:
? S0508663 BOLT 4
SERIAL_NO:
ICA:
REP_PNO:
REP_QTY:
SC:
desc: BOULON A 6 PANS
LNKOP:
IP:
? K1023144 WASHER 4
SERIAL_NO:
ICA:
REP_PNO:
REP_QTY:
SC:
desc: RONDELLE
LNKOP:
IP:
? K1020964 YOKE 1
SERIAL_NO:
ICA:
REP_PNO:
REP_QTY:
SC:
desc: ETRIER
LNKOP:
IP:
? K1020966 SPRING 1
SERIAL_NO:
ICA:
REP_PNO:
REP_QTY:
SC:
desc: RESSORT
LNKOP:
IP:

Other: DOOSAN-DAEWOO / 460(460) / CONTROL SYSTEM(1280 : 1280)
?
?
?
?
?
?
?
?
?
?
?
?
?
?
?
?
?
?
?
?
?
?
?
?
?
?
?
?