k-part
Номер на схеме Каталожный номер Название Количество Детали
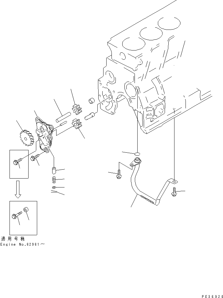
? 6204-51-1201 COVER ASS'Y 1
SN: 49965-
KIT-FLAG: _-
SERIALNO: 49965-
? • COVER 1
SN: 49965-
KIT-FLAG: _-
SERIALNO: 49965-
? 6204-51-1400 • SHAFT ASS'Y 1
SN: 49965-
KIT-FLAG: _-
SERIALNO: 49965-
? • • SHAFT 1
SN: 49965-
KIT-FLAG: _-
SERIALNO: 49965-
? 6204-51-1410 • • GEAR,DRIVE 1
SN: 49965-
KIT-FLAG: _-
SERIALNO: 49965-
? 6206-51-1510 • GEAR 1
SN: 49965-
KIT-FLAG: _-
SERIALNO: 49965-
? 6204-51-1310 • VALVE 1
SN: 49965-
KIT-FLAG: _-
SERIALNO: 49965-
? 6204-51-1320 • SPRING 1
SN: 49965-
KIT-FLAG: _-
SERIALNO: 49965-
? 6204-51-1330 • WASHER 1
SN: 49965-
KIT-FLAG: _-
SERIALNO: 49965-
? 6204-51-1340 • PIN,COTTER 1
SN: 49965-
KIT-FLAG: _-
SERIALNO: 49965-
? 6204-51-1610 GEAR,DRIVEN 1
SN: 49965-
KIT-FLAG: _-
SERIALNO: 49965-
? 01435-20816 BOLT 4
SN: 49965-
KIT-FLAG: _-
SERIALNO: 49965-
? 01435-20825 BOLT 1
SN: 62961-
KIT-FLAG: _-
SERIALNO: 62961-
? 01435-20816 BOLT 1
SN: 49965-62960
KIT-FLAG: _-
SERIALNO: 49965-62960
? 6691-41-8230 SPACER, 10MM 1
SN: 62961-
KIT-FLAG: _-
SERIALNO: 62961-
? 6204-51-6110 TUBE,SUCTION 1
SN: 49965-
KIT-FLAG: _-
SERIALNO: 49965-
? 6204-51-6120 O-RING (K2) 1
SN: 49965-
KIT-FLAG: _-
SERIALNO: 49965-
? 01435-20816 BOLT 1
SN: 49965-
KIT-FLAG: _-
SERIALNO: 49965-
? 01435-20812 BOLT 1
SN: 49965-
KIT-FLAG: _-
SERIALNO: 49965-

Engines Komatsu / 4D95L-1CC S/N 49965-UP(4d95l-6c) / LUBRICATING OIL PUMP AND SUCTION PIPE(090010 : 0301)
?
?
?
?
?
?
?
?
?
?
?
?
?
?
?
?
?