k-part
Номер на схеме Каталожный номер Название Количество Детали
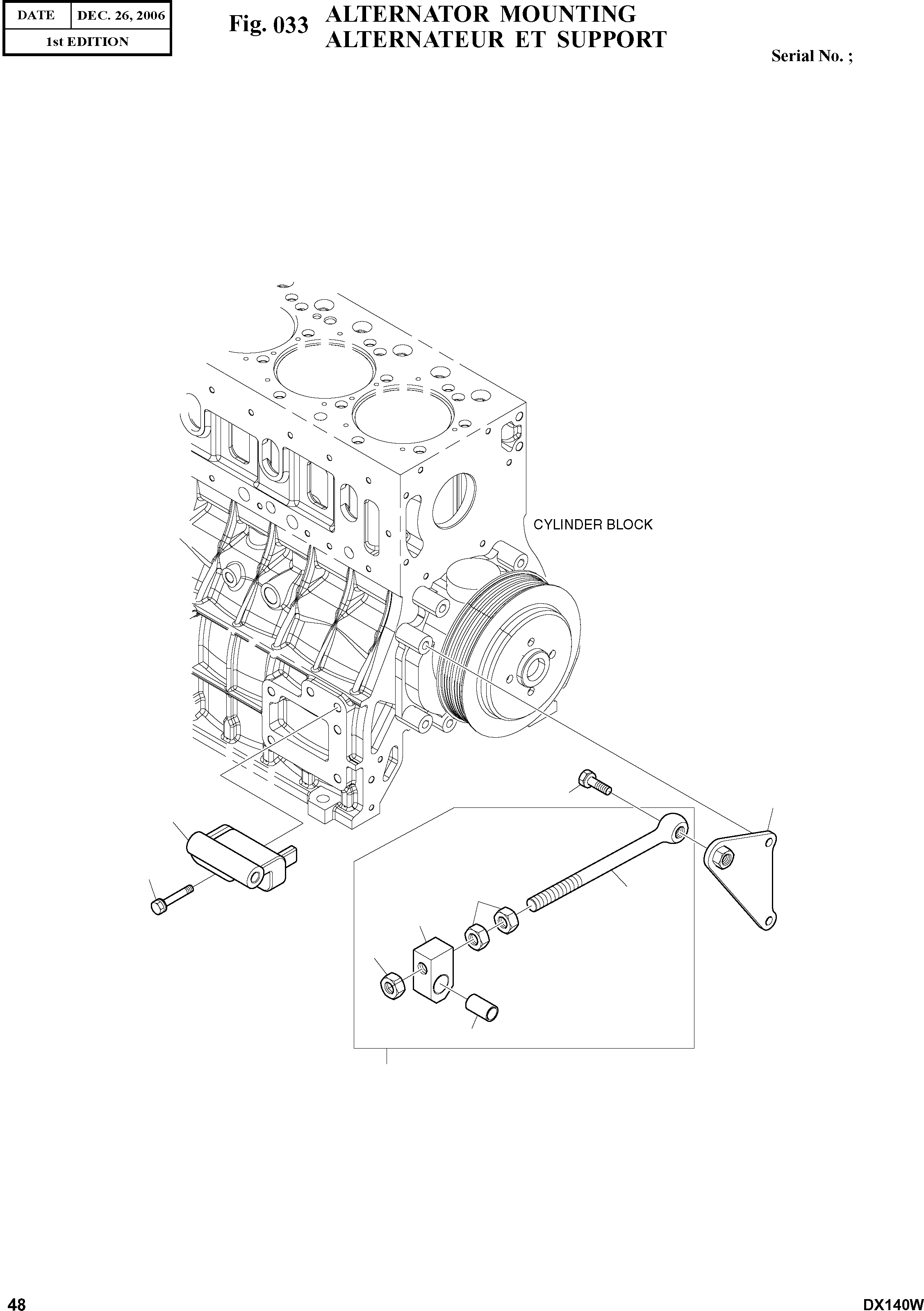
? 65.19102-0096 BRACKET;ALTERNATOR 1
SERIAL_NO:
ICA:
REP_PNO:
REP_QTY:
SC:
desc: SUPPORT
LNKOP:
IP:
? 06.01943-3323 BOLT ASS'Y M12X1.5X60 2
SERIAL_NO:
ICA:
REP_PNO:
REP_QTY:
SC:
desc: BOULON
LNKOP:
IP:
? 65.19103-6010A EYE BOLT ASS'Y 1
SERIAL_NO:
ICA:
REP_PNO:
REP_QTY:
SC:
desc: BOULON D'OEIL
LNKOP:
IP:
? 65.90441-0009A . EYE BOLT 1
SERIAL_NO:
ICA:
REP_PNO:
REP_QTY:
SC: D
desc: . BOULON D'OEIL
LNKOP:
IP:
? 65.19107-0001A . PIECE;GUIDE 1
SERIAL_NO:
ICA:
REP_PNO:
REP_QTY:
SC: D
desc: . GUIDE
LNKOP:
IP:
? 65.93020-0055 . BUSH 1
SERIAL_NO:
ICA:
REP_PNO:
REP_QTY:
SC: D
desc: . DOUILLE
LNKOP:
IP:
? 06.11063-9217 . NUT 3
SERIAL_NO:
ICA:
REP_PNO:
REP_QTY:
SC:
desc: . ECROU
LNKOP:
IP:
? 06.01943-3319 BOLT ASS'Y M12X1.5X40 1
SERIAL_NO:
ICA:
REP_PNO:
REP_QTY:
SC:
desc: BOULON
LNKOP:
IP:
? 65.19103-5049 SUPPORT;ALTERNATOR 1
SERIAL_NO:
ICA:
REP_PNO:
REP_QTY:
SC:
desc: SUPPORT
LNKOP:
IP:

Other: DOOSAN-DAEWOO / DX140W(DX140W) / ALTERNATOR MOUNTING(033 : 033)
?
?
?
?
?
?
?
?
?
?