| Наименование | Страница | Код страницы |
|---|---|---|
| CONTROL VALVE | 4220 | 4220 |
| Номер на схеме | Каталожный номер | Название | Количество | Детали | |||
|---|---|---|---|---|---|---|---|
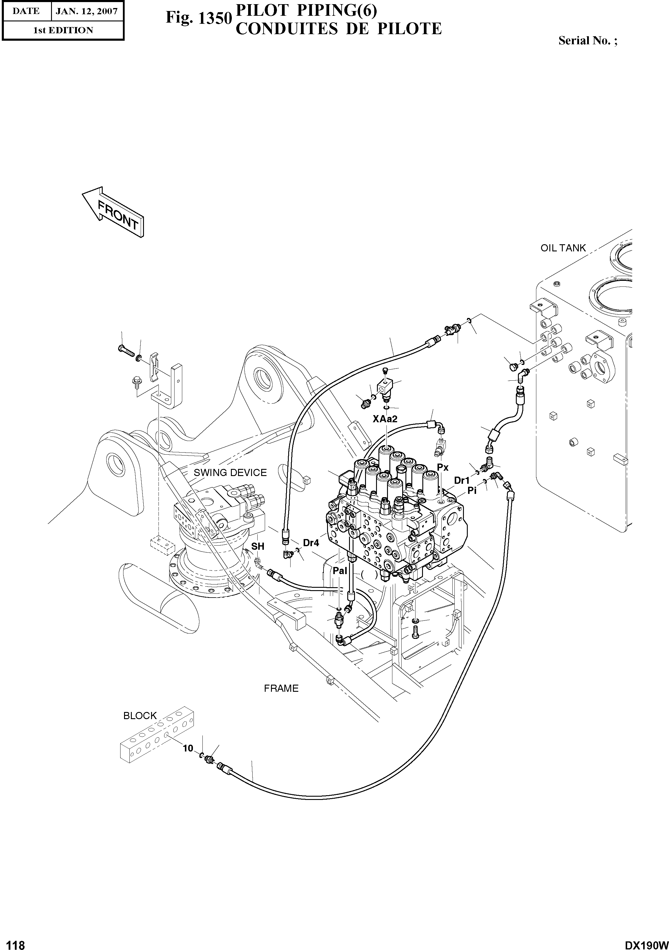
| ? | K1024279B | PILOT PIPING | A/R | SERIAL_NO: ICA: REP_PNO: REP_QTY: SC: D desc: CONDUITES DE PILOTE LNKOP: IP: |
|||
| ? | K1024976 | VALVE;CONTROL | 1 | SERIAL_NO: ICA: REP_PNO: REP_QTY: SC: desc: VANNE LNKOP: IP: O |
4220 | ||
| ? | 2181-1126D7 | ADAPTER | 1 | SERIAL_NO: ICA: REP_PNO: REP_QTY: SC: desc: ADAPTEUR LNKOP: IP: |
|||
| ? | 2181-1126D36 | ADAPTER | 1 | SERIAL_NO: ICA: REP_PNO: REP_QTY: SC: desc: ADAPTEUR LNKOP: IP: |
|||
| ? | 2181-1702D3 | ELBOW | 1 | SERIAL_NO: ICA: REP_PNO: REP_QTY: SC: desc: COUDE LNKOP: IP: |
|||
| ? | 2181-1702D4 | ELBOW | 2 | SERIAL_NO: ICA: REP_PNO: REP_QTY: SC: desc: COUDE LNKOP: IP: |
|||
| ? | 2181-1702D5 | ELBOW | 1 | SERIAL_NO: ICA: REP_PNO: REP_QTY: SC: desc: COUDE LNKOP: IP: |
|||
| ? | 2181-1950D2 | PLUG | 2 | SERIAL_NO: ICA: REP_PNO: REP_QTY: SC: desc: BOUCHON LNKOP: IP: |
|||
| ? | 2181-1951D1 | TEE | 1 | SERIAL_NO: ICA: REP_PNO: REP_QTY: SC: desc: TE LNKOP: IP: |
|||
| ? | 2181-1951D7 | TEE | 1 | SERIAL_NO: ICA: REP_PNO: REP_QTY: SC: desc: TE LNKOP: IP: |
|||
| ? | 2181-2047A | PLUG | 1 | SERIAL_NO: ICA: REP_PNO: REP_QTY: SC: desc: BOUCHON LNKOP: IP: |
|||
| ? | DS2459001 | ELBOW | 1 | SERIAL_NO: ICA: REP_PNO: REP_QTY: SC: desc: COUDE LNKOP: IP: |
|||
| ? | S0560953 | BOLT | 1 | SERIAL_NO: ICA: REP_PNO: REP_QTY: SC: desc: BOULON A 6 PANS LNKOP: IP: |
|||
| ? | S0515366 | BOLT | 4 | SERIAL_NO: ICA: REP_PNO: REP_QTY: SC: desc: BOULON A 6 PANS LNKOP: IP: |
|||
| ? | S5102703 | WASHER;SPRING | 5 | SERIAL_NO: ICA: REP_PNO: REP_QTY: SC: desc: RONDELLE ELASTIQUE LNKOP: IP: |
|||
| ? | DS2092014 | HOSE | 1 | SERIAL_NO: ICA: REP_PNO: REP_QTY: SC: desc: TUYAU FLEXIBLE LNKOP: IP: |
|||
| ? | DS2092131 | HOSE | 1 | SERIAL_NO: ICA: REP_PNO: REP_QTY: SC: desc: TUYAU FLEXIBLE LNKOP: IP: |
|||
| ? | DS2093254 | HOSE | 1 | SERIAL_NO: ICA: REP_PNO: REP_QTY: SC: desc: TUYAU FLEXIBLE LNKOP: IP: |
|||
| ? | DS2091071 | HOSE | 1 | SERIAL_NO: ICA: REP_PNO: REP_QTY: SC: desc: TUYAU FLEXIBLE LNKOP: IP: |
|||
| ? | DS2094144 | HOSE | 1 | SERIAL_NO: ICA: REP_PNO: REP_QTY: SC: desc: TUYAU FLEXIBLE LNKOP: IP: |
|||
| ? | S8000141 | O-RING | 7 | SERIAL_NO: ICA: REP_PNO: REP_QTY: SC: desc: JOINT TORIQUE LNKOP: IP: |
|||
| ? | S8000111 | O-RING | 4 | SERIAL_NO: ICA: REP_PNO: REP_QTY: SC: desc: JOINT TORIQUE LNKOP: IP: |