| Номер на схеме | Каталожный номер | Название | Количество | Детали | |||
|---|---|---|---|---|---|---|---|
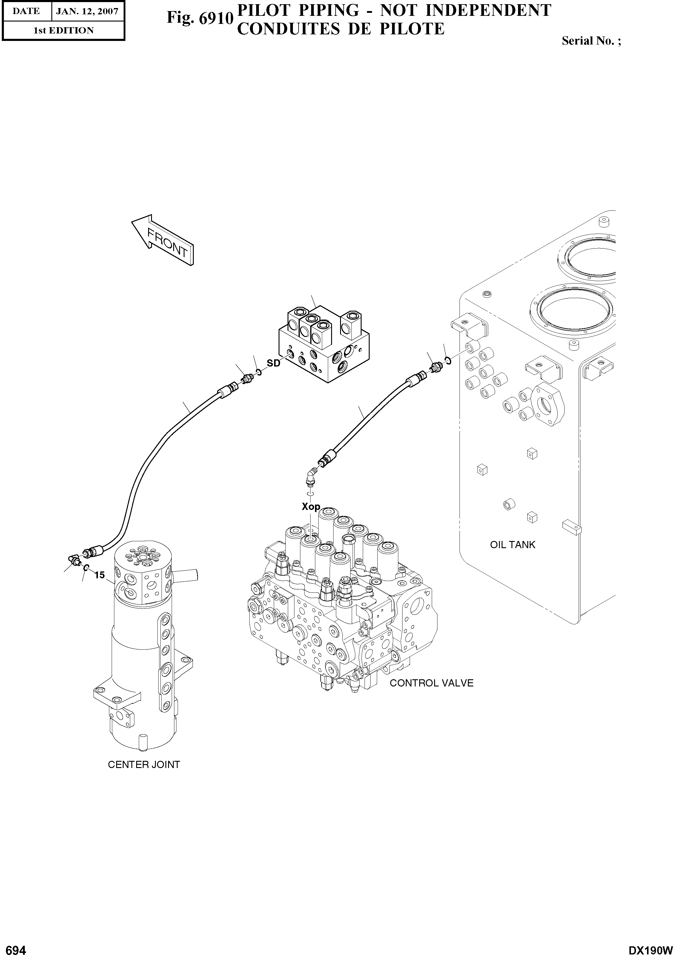
| ? | K1024317 | PILOT PIPING;NOT INDE | A/R | SERIAL_NO: ICA: REP_PNO: REP_QTY: SC: D desc: TUYAUTERIE PILOTE LNKOP: IP: |
|||
| ? | K1002821 | VALVE;SOLENOID | 1 | SERIAL_NO: ICA: REP_PNO: REP_QTY: SC: desc: VANNE SOLENOIDE LNKOP: IP: |
|||
| ? | 2181-1126D14 | ADAPTER | 1 | SERIAL_NO: ICA: REP_PNO: REP_QTY: SC: desc: ADAPTEUR LNKOP: IP: |
|||
| ? | 2181-1126D36 | ADAPTER | 1 | SERIAL_NO: ICA: REP_PNO: REP_QTY: SC: desc: ADAPTEUR LNKOP: IP: |
|||
| ? | 2181-1702D4 | ELBOW | 1 | SERIAL_NO: ICA: REP_PNO: REP_QTY: SC: desc: COUDE LNKOP: IP: |
|||
| ? | S8000111 | O-RING | 2 | SERIAL_NO: ICA: REP_PNO: REP_QTY: SC: desc: JOINT TORIQUE LNKOP: IP: |
|||
| ? | S8000141 | O-RING | 1 | SERIAL_NO: ICA: REP_PNO: REP_QTY: SC: desc: JOINT TORIQUE LNKOP: IP: |
|||
| ? | DS2094197 | HOSE | 1 | SERIAL_NO: ICA: REP_PNO: REP_QTY: SC: desc: TUYAU FLEXIBLE LNKOP: IP: |
|||
| ? | DS2094198 | HOSE | 1 | SERIAL_NO: ICA: REP_PNO: REP_QTY: SC: desc: TUYAU FLEXIBLE LNKOP: IP: |