| Наименование | Страница | Код страницы |
|---|---|---|
| OUTRIGGER CYLINDER - L.H. | 4400 | 4400 |
| OUTRIGGER CYLINDER - R.H. | 4410 | 4410 |
| Номер на схеме | Каталожный номер | Название | Количество | Детали | |||
|---|---|---|---|---|---|---|---|
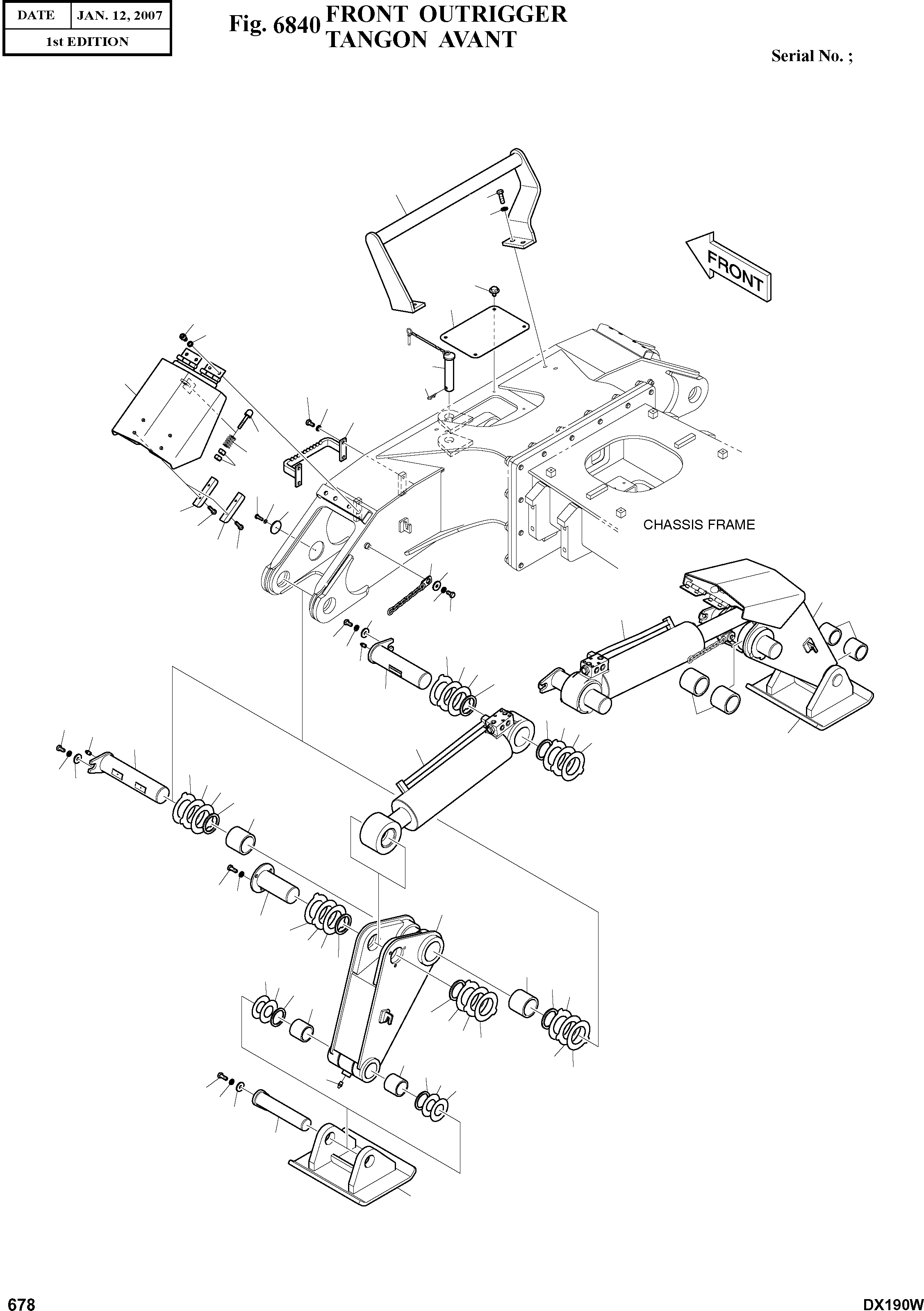
| ? | K1006913E | FRONT OUTRIGGER ASSY | A/R | SERIAL_NO: ICA: REP_PNO: REP_QTY: SC: D desc: TANGON AVANT LNKOP: IP: |
|||
| ? | K1006584G | LEG | 1 | SERIAL_NO: ICA: REP_PNO: REP_QTY: SC: desc: JAMBE LNKOP: IP: |
|||
| ? | K1006676 | . BUSHING | 2 | SERIAL_NO: ICA: REP_PNO: REP_QTY: SC: desc: . DOUILLE LNKOP: IP: |
|||
| ? | K1006677 | . BUSHING | 2 | SERIAL_NO: ICA: REP_PNO: REP_QTY: SC: desc: . DOUILLE LNKOP: IP: |
|||
| ? | K1018789C | LEG | 1 | SERIAL_NO: ICA: REP_PNO: REP_QTY: SC: desc: JAMBE LNKOP: IP: |
|||
| ? | K1006676 | . BUSHING | 2 | SERIAL_NO: ICA: REP_PNO: REP_QTY: SC: desc: . DOUILLE LNKOP: IP: |
|||
| ? | K1006677 | . BUSHING | 2 | SERIAL_NO: ICA: REP_PNO: REP_QTY: SC: desc: . DOUILLE LNKOP: IP: |
|||
| ? | K1006664B | FOOTREST(R.H) | 1 | SERIAL_NO: ICA: REP_PNO: REP_QTY: SC: desc: REPOSE-PIEDS LNKOP: IP: |
|||
| ? | K1008332B | CYLINDER;OUTRIGGER(L.H) | 1 | SERIAL_NO: ICA: REP_PNO: REP_QTY: SC: desc: CYLINDRE DE TANGON LNKOP: IP: O |
4400 | ||
| ? | K1008333B | CYLINDER;OUTRIGGER(R.H) | 1 | SERIAL_NO: ICA: REP_PNO: REP_QTY: SC: desc: CYLINDRE DE TANGON LNKOP: IP: O |
4410 | ||
| ? | K1027886 | COVER | 2 | SERIAL_NO: ICA: REP_PNO: REP_QTY: SC: desc: COUVERCLE LNKOP: IP: |
|||
| ? | K1006899A | COVER | 1 | SERIAL_NO: ICA: REP_PNO: REP_QTY: SC: desc: COUVERCLE LNKOP: IP: |
|||
| ? | K1006888B | PIN | 2 | SERIAL_NO: ICA: REP_PNO: REP_QTY: SC: desc: GOUJON D'ASSEMBLAGE LNKOP: IP: |
|||
| ? | K1006889C | PIN | 2 | SERIAL_NO: ICA: REP_PNO: REP_QTY: SC: desc: GOUJON D'ASSEMBLAGE LNKOP: IP: |
|||
| ? | K1006890B | PIN | 2 | SERIAL_NO: ICA: REP_PNO: REP_QTY: SC: desc: GOUJON D'ASSEMBLAGE LNKOP: IP: |
|||
| ? | K1006891 | PIN | 2 | SERIAL_NO: ICA: REP_PNO: REP_QTY: SC: desc: GOUJON D'ASSEMBLAGE LNKOP: IP: |
|||
| ? | S6710043 | NIPPLE | 6 | SERIAL_NO: ICA: REP_PNO: REP_QTY: SC: desc: GRAISSEUR LNKOP: IP: |
|||
| ? | 2180-9055 | SEAL;DUST | 12 | SERIAL_NO: ICA: REP_PNO: REP_QTY: SC: desc: BAGUE D'ETANCHEITE LNKOP: IP: |
|||
| ? | 2180-1106BD9 | SEAL;DUST | 4 | SERIAL_NO: ICA: REP_PNO: REP_QTY: SC: desc: BAGUE D'ETANCHEITE LNKOP: IP: |
|||
| ? | 4114-4078A | WASHER | 8 | SERIAL_NO: ICA: REP_PNO: REP_QTY: SC: desc: CALE LNKOP: IP: |
|||
| ? | S5102703 | WASHER;SPRING | 18 | SERIAL_NO: ICA: REP_PNO: REP_QTY: SC: desc: RONDELLE ELASTIQUE LNKOP: IP: |
|||
| ? | S0515366 | BOLT | 8 | SERIAL_NO: ICA: REP_PNO: REP_QTY: SC: desc: BOULON A 6 PANS LNKOP: IP: |
|||
| ? | S0515066 | BOLT | 10 | SERIAL_NO: ICA: REP_PNO: REP_QTY: SC: desc: BOULON A 6 PANS LNKOP: IP: |
|||
| ? | DS0025014 | BOLT;SET | 4 | SERIAL_NO: ICA: REP_PNO: REP_QTY: SC: desc: BOULON LNKOP: IP: |
|||
| ? | DS7752012 | SHIM | 12 | SERIAL_NO: ICA: REP_PNO: REP_QTY: SC: desc: ENTERTOISE LNKOP: IP: |
|||
| ? | DS7752013 | SHIM | 12 | SERIAL_NO: ICA: REP_PNO: REP_QTY: SC: desc: ENTERTOISE LNKOP: IP: |
|||
| ? | 2114-1059D150 | SHIM | 4 | SERIAL_NO: ICA: REP_PNO: REP_QTY: SC: desc: ENTERTOISE LNKOP: IP: |
|||
| ? | 2114-1059D152 | SHIM | 4 | SERIAL_NO: ICA: REP_PNO: REP_QTY: SC: desc: ENTERTOISE LNKOP: IP: |
|||
| ? | K1002629 | REFLECTOR | 2 | SERIAL_NO: ICA: REP_PNO: REP_QTY: SC: desc: REFLECTEUR LNKOP: IP: |
|||
| ? | S3450853 | SCREW | 2 | SERIAL_NO: ICA: REP_PNO: REP_QTY: SC: desc: VIS LNKOP: IP: |
|||
| ? | K1000783B | PIN | 1 | SERIAL_NO: ICA: REP_PNO: REP_QTY: SC: desc: GOUJON D'ASSEMBLAGE LNKOP: IP: |
|||
| ? | K1000780B | STEP | 1 | SERIAL_NO: ICA: REP_PNO: REP_QTY: SC: desc: MARCHER LNKOP: IP: |
|||
| ? | S5102203 | WASHER;SPRING | 2 | SERIAL_NO: ICA: REP_PNO: REP_QTY: SC: desc: RONDELLE ELASTIQUE LNKOP: IP: |
|||
| ? | K1010470A | CRADLE;BUCKET | 1 | SERIAL_NO: ICA: REP_PNO: REP_QTY: SC: desc: BERCEAU DE SEAU LNKOP: IP: |
|||
| ? | S5102903 | WASHER;SPRING | 4 | SERIAL_NO: ICA: REP_PNO: REP_QTY: SC: desc: RONDELLE ELASTIQUE LNKOP: IP: |
|||
| ? | S0521666 | BOLT | 4 | SERIAL_NO: ICA: REP_PNO: REP_QTY: SC: desc: BOULON A 6 PANS LNKOP: IP: |
|||
| ? | K1018780B | CHAIN | 2 | SERIAL_NO: ICA: REP_PNO: REP_QTY: SC: desc: CHAINE LNKOP: IP: |
|||
| ? | K1006665 | FOOTREST(L.H) | 1 | SERIAL_NO: ICA: REP_PNO: REP_QTY: SC: desc: REPOSE-PIEDS LNKOP: IP: |
|||
| ? | 2123-1441D4 | PIN | 1 | SERIAL_NO: ICA: REP_PNO: REP_QTY: SC: desc: GOUJON D'ASSEMBLAGE LNKOP: IP: |
|||
| ? | DS7752078 | SHIM 1.3mm | 12 | SERIAL_NO: ICA: REP_PNO: REP_QTY: SC: desc: CALE LNKOP: IP: |
|||
| ? | S5110603 | WASHER | 8 | SERIAL_NO: ICA: REP_PNO: REP_QTY: SC: desc: CALE LNKOP: IP: |
|||
| ? | S2211666 | BOLT | 8 | SERIAL_NO: ICA: REP_PNO: REP_QTY: SC: desc: BOULON A 6 PANS LNKOP: IP: |
|||
| ? | K1026710 | STOPPER | 4 | SERIAL_NO: ICA: REP_PNO: REP_QTY: SC: desc: CHAPEAU LNKOP: IP: |
|||
| ? | S2209266 | BOLT;SOCKET | 8 | SERIAL_NO: ICA: REP_PNO: REP_QTY: SC: desc: BOULON LNKOP: IP: |
|||
| ? | 129-00145 | SPRING;COIL | 2 | SERIAL_NO: ICA: REP_PNO: REP_QTY: SC: desc: RESSORT LNKOP: IP: |
|||
| ? | 161-00465 | STOPPER | 2 | SERIAL_NO: ICA: REP_PNO: REP_QTY: SC: desc: CHAPEAU LNKOP: IP: |
|||
| ? | S4012733 | NUT | 4 | SERIAL_NO: ICA: REP_PNO: REP_QTY: SC: desc: ECROU 6 PANS LNKOP: IP: |