| Наименование | Страница | Код страницы |
|---|---|---|
| TRAVEL MOTOR | 4160 | 4160 |
| CENTER JOINT - INDEPENDENT ATTACH | 4290 | 4290 |
| CHOCKING CYLINDER - L.H. | 4360 | 4360 |
| CHOCKING CYLINDER - R.H. | 4370 | 4370 |
| Номер на схеме | Каталожный номер | Название | Количество | Детали | |||
|---|---|---|---|---|---|---|---|
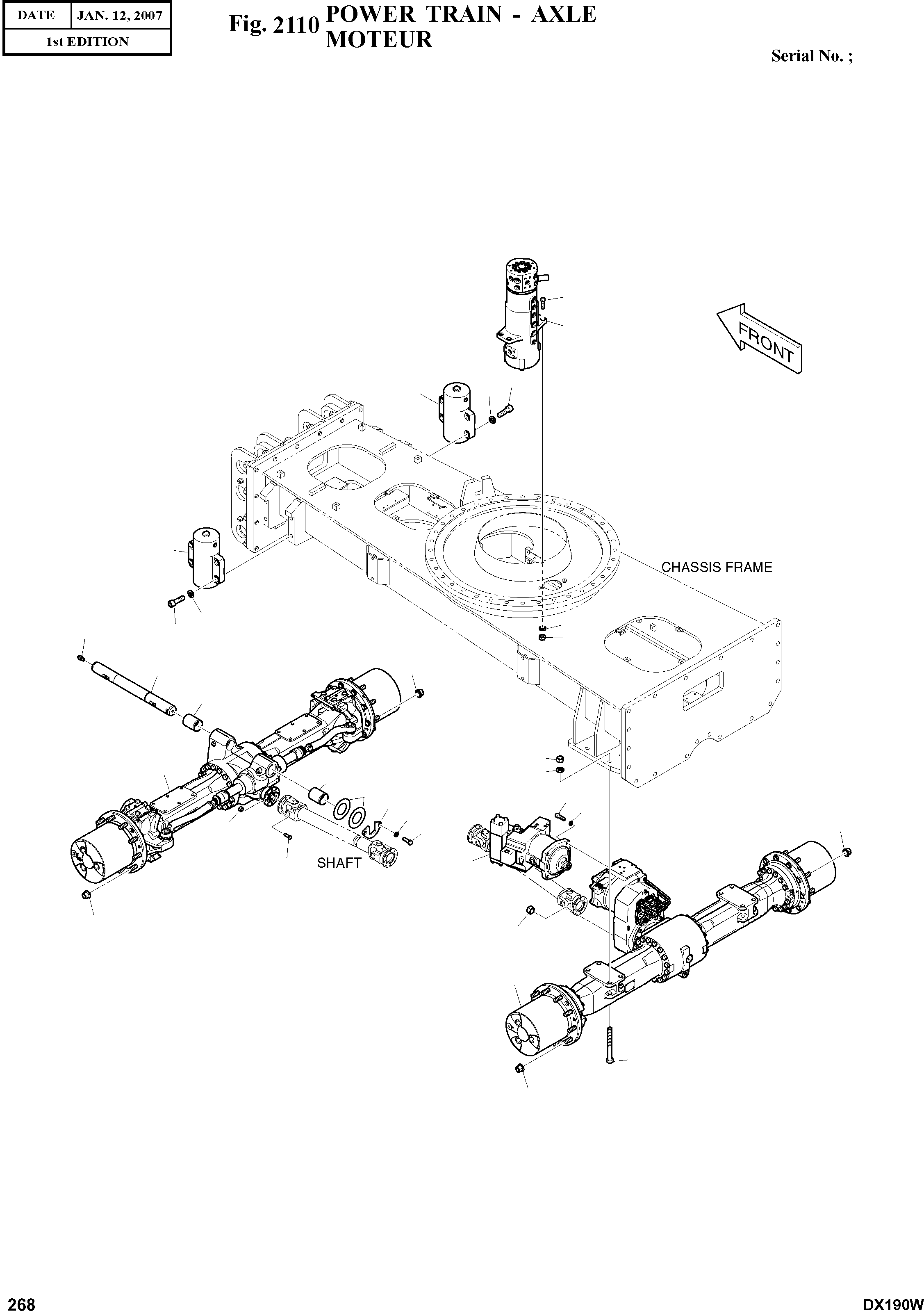
| ? | K1012731B | POWER TRAIN | A/R | SERIAL_NO: ICA: REP_PNO: REP_QTY: SC: D desc: MOTEUR LNKOP: IP: |
|||
| ? | K1012711 | AXLE;FRONT | 1 | SERIAL_NO: ICA: REP_PNO: REP_QTY: SC: desc: AXE LNKOP: IP: |
|||
| ? | K1012712 | AXLE;REAR | 1 | SERIAL_NO: ICA: REP_PNO: REP_QTY: SC: desc: AXE LNKOP: IP: |
|||
| ? | K1012728 | MOTOR;TRAVEL | 1 | SERIAL_NO: ICA: REP_PNO: REP_QTY: SC: desc: MOTEUR LNKOP: IP: O |
4160 | ||
| ? | K1008890A | CYLINDER;CHOCK(L.H) | 1 | SERIAL_NO: ICA: REP_PNO: REP_QTY: SC: desc: CYLINDRE DE CALE LNKOP: IP: O |
4360 | ||
| ? | K1008891A | CYLINDER;CHOCK(R.H) | 1 | SERIAL_NO: ICA: REP_PNO: REP_QTY: SC: desc: CYLINDRE DE CALE LNKOP: IP: O |
4370 | ||
| ? | K1012969A | PIN | 1 | SERIAL_NO: ICA: REP_PNO: REP_QTY: SC: desc: GOUJON D'ASSEMBLAGE LNKOP: IP: |
|||
| ? | K1013099 | PLATE;LOCK | 1 | SERIAL_NO: ICA: REP_PNO: REP_QTY: SC: desc: PLAQUE LNKOP: IP: |
|||
| ? | S0560666 | BOLT M12X1.75X45 | 4 | SERIAL_NO: ICA: REP_PNO: REP_QTY: SC: desc: BOULON LNKOP: IP: |
|||
| ? | S4012733 | NUT | 4 | SERIAL_NO: ICA: REP_PNO: REP_QTY: SC: desc: ECROU 6 PANS LNKOP: IP: |
|||
| ? | S5102703 | WASHER;SPRING(M12) | 4 | SERIAL_NO: ICA: REP_PNO: REP_QTY: SC: desc: RONDELLE ELASTIQUE LNKOP: IP: |
|||
| ? | S0565066 | BOLT | 2 | SERIAL_NO: ICA: REP_PNO: REP_QTY: SC: desc: BOULON A 6 PANS LNKOP: IP: |
|||
| ? | S5102903 | WASHER;SPRING | 2 | SERIAL_NO: ICA: REP_PNO: REP_QTY: SC: desc: RONDELLE ELASTIQUE LNKOP: IP: |
|||
| ? | 2114-1879 | SHIM | 2 | SERIAL_NO: ICA: REP_PNO: REP_QTY: SC: desc: ENTERTOISE LNKOP: IP: |
|||
| ? | S6710041 | NIPPLE | 1 | SERIAL_NO: ICA: REP_PNO: REP_QTY: SC: desc: GRAISSEUR LNKOP: IP: |
|||
| ? | S0771766 | BOLT M20X1.5X160 | 8 | SERIAL_NO: ICA: REP_PNO: REP_QTY: SC: desc: BOULON LNKOP: IP: |
|||
| ? | S4033133 | NUT | 8 | SERIAL_NO: ICA: REP_PNO: REP_QTY: SC: desc: ECROU 6 PANS LNKOP: IP: |
|||
| ? | 2114-9012A | WASHER;HARDEN | 8 | SERIAL_NO: ICA: REP_PNO: REP_QTY: SC: desc: RONDELLE LNKOP: IP: |
|||
| ? | S2221666 | BOLT;SOCKET | 4 | SERIAL_NO: ICA: REP_PNO: REP_QTY: SC: desc: BOULON LNKOP: IP: |
|||
| ? | S5110903 | WASHER | 4 | SERIAL_NO: ICA: REP_PNO: REP_QTY: SC: desc: CALE LNKOP: IP: |
|||
| ? | K1006985 | BOLT | 8 | SERIAL_NO: ICA: REP_PNO: REP_QTY: SC: desc: BOULON A 6 PANS LNKOP: IP: |
|||
| ? | 2121-1251A | NUT | 16 | SERIAL_NO: ICA: REP_PNO: REP_QTY: SC: desc: ECROU 6 PANS LNKOP: IP: |
|||
| ? | S2234266 | BOLT;SOCKET | 8 | SERIAL_NO: ICA: REP_PNO: REP_QTY: SC: desc: BOULON LNKOP: IP: |
|||
| ? | S5103303 | WASHER;SPRING | 8 | SERIAL_NO: ICA: REP_PNO: REP_QTY: SC: desc: RONDELLE ELASTIQUE LNKOP: IP: |
|||
| ? | K1002433 | NUT;WHEEL | 40 | SERIAL_NO: ICA: REP_PNO: REP_QTY: SC: desc: ECROU LNKOP: IP: |
|||
| ? | K1008942 | BUSHING | 2 | SERIAL_NO: ICA: REP_PNO: REP_QTY: SC: desc: DOUILLE LNKOP: IP: |
|||
| ? | 480-00016B | JOINT;CENTER | 1 | SERIAL_NO: ICA: REP_PNO: REP_QTY: SC: desc: JOINT CENTRAL LNKOP: IP: O |
4290 |