| Номер на схеме | Каталожный номер | Название | Количество | Детали | |||
|---|---|---|---|---|---|---|---|
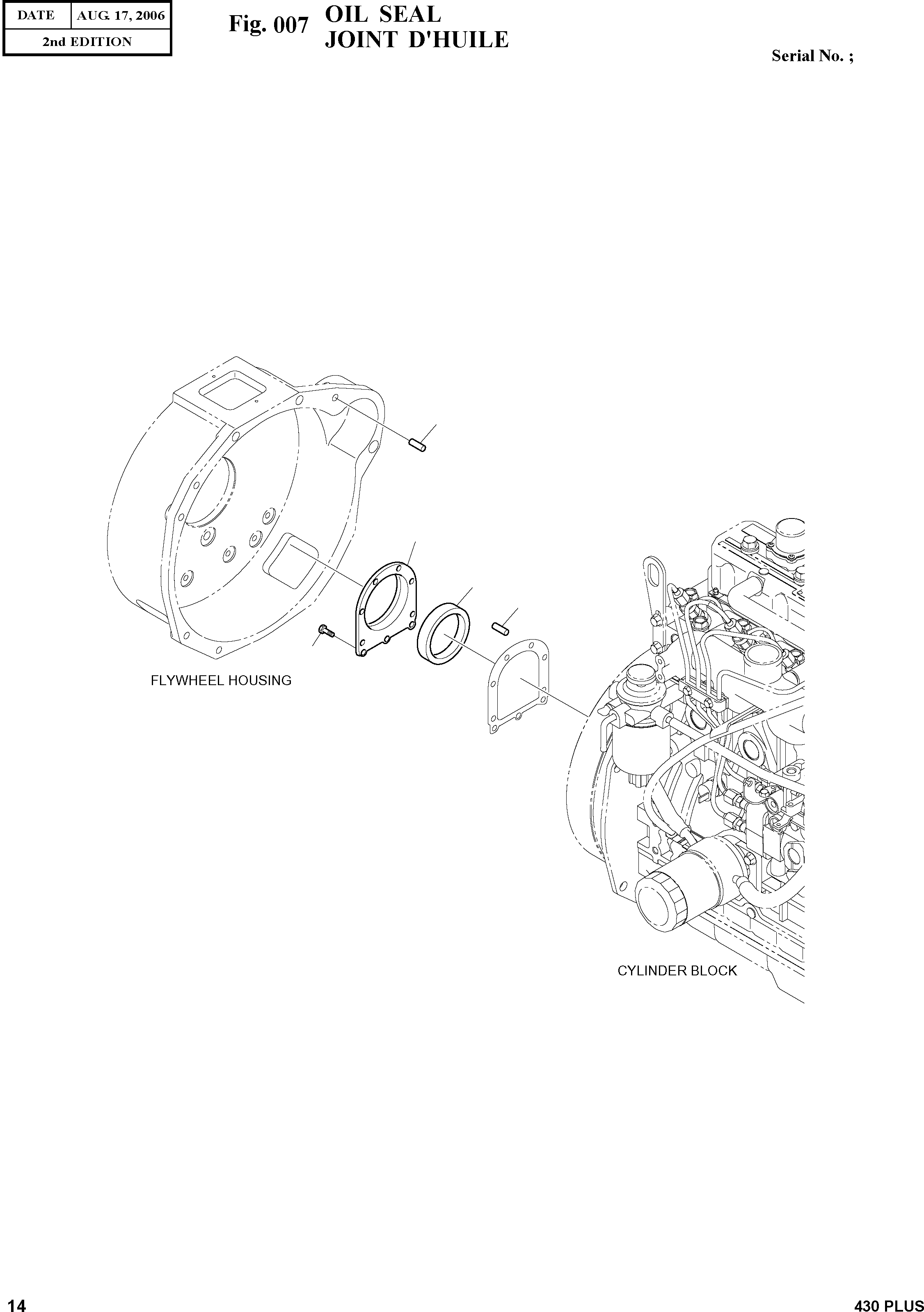
| ? | K1022388 | FLYWHEEL HOUSING | A/R | SERIAL_NO: ICA: REP_PNO: REP_QTY: SC: D desc: CARTER DE VOLANT MOTEUR LNKOP: IP: |
|||
| ? | K1019195 | PIN;GUIDE | 4 | SERIAL_NO: ICA: REP_PNO: REP_QTY: SC: desc: GOUJON LNKOP: IP: |
|||
| ? | K1019197 | CARRIER;SEAL | 1 | SERIAL_NO: ICA: REP_PNO: REP_QTY: SC: desc: PORTEUR LNKOP: IP: |
|||
| ? | K1019198 | SEAL;OIL | 1 | SERIAL_NO: ICA: REP_PNO: REP_QTY: SC: desc: JOINT D'HUILE LNKOP: IP: |
|||
| ? | K1019178 | SCREW | 9 | SERIAL_NO: ICA: REP_PNO: REP_QTY: SC: desc: VIS LNKOP: IP: |