| Номер на схеме | Каталожный номер | Название | Количество | Детали | |||
|---|---|---|---|---|---|---|---|
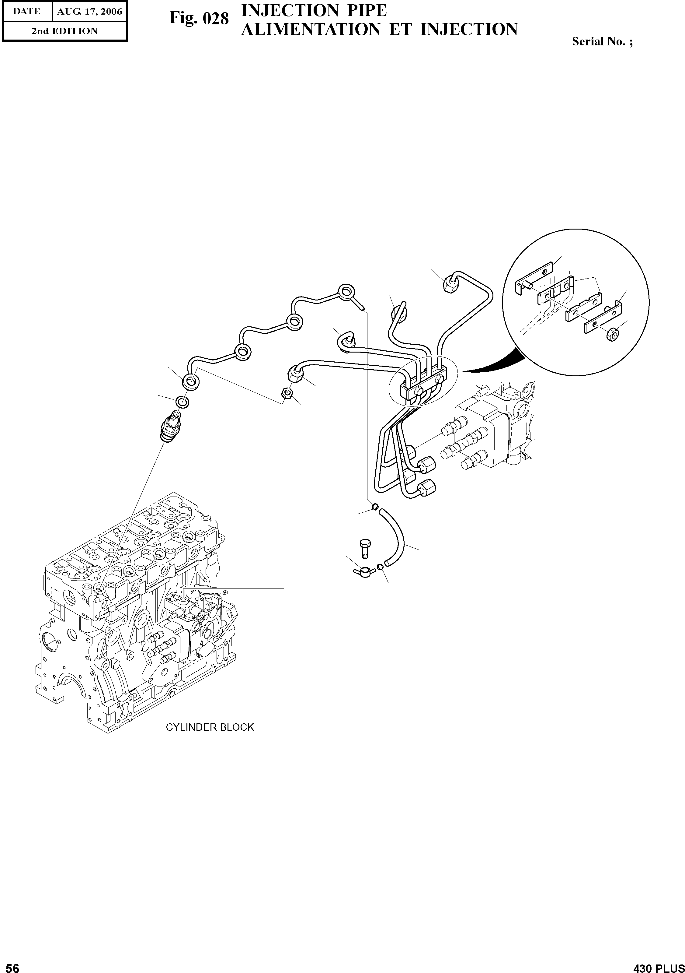
| ? | K1019212 | FUEL PLUMBING | A/R | SERIAL_NO: ICA: REP_PNO: REP_QTY: SC: D desc: ALIMENTATION ET INJECTION LNKOP: IP: |
|||
| ? | K1019213 | PIPE;INJECTOR | 1 | SERIAL_NO: ICA: REP_PNO: REP_QTY: SC: desc: CONDUITE LNKOP: IP: |
|||
| ? | K1019214 | PIPE;INJECTOR | 1 | SERIAL_NO: ICA: REP_PNO: REP_QTY: SC: desc: CONDUITE LNKOP: IP: |
|||
| ? | K1019215 | PIPE;INJECTOR | 1 | SERIAL_NO: ICA: REP_PNO: REP_QTY: SC: desc: CONDUITE LNKOP: IP: |
|||
| ? | K1019216 | PIPE;INJECTOR | 1 | SERIAL_NO: ICA: REP_PNO: REP_QTY: SC: desc: CONDUITE LNKOP: IP: |
|||
| ? | K1019217 | CLAMP;TUBE | 1 | SERIAL_NO: ICA: REP_PNO: REP_QTY: SC: desc: COLLIER LNKOP: IP: |
|||
| ? | K1019187 | NUT | 2 | SERIAL_NO: ICA: REP_PNO: REP_QTY: SC: desc: ECROU LNKOP: IP: |
|||
| ? | K1019218 | PIPE;FUEL | 1 | SERIAL_NO: ICA: REP_PNO: REP_QTY: SC: desc: CANALISATION DE GAZOLE LNKOP: IP: |
|||
| ? | K1019219 | RING;SEAL | 4 | SERIAL_NO: ICA: REP_PNO: REP_QTY: SC: desc: BAGUE D'ETANCHEITE LNKOP: IP: |
|||
| ? | K1019220 | NUT | 4 | SERIAL_NO: ICA: REP_PNO: REP_QTY: SC: desc: ECROU LNKOP: IP: |
|||
| ? | K1019221 | HOSE;FUEL DRAIN | 1 | SERIAL_NO: ICA: REP_PNO: REP_QTY: SC: desc: TUYAU FLEXIBLE LNKOP: IP: |
|||
| ? | K1019222 | CLAMP | 2 | SERIAL_NO: ICA: REP_PNO: REP_QTY: SC: desc: COLLIER LNKOP: IP: |
|||
| ? | K1019223 | CONNECTOR | 1 | SERIAL_NO: ICA: REP_PNO: REP_QTY: SC: desc: BIELLE LNKOP: IP: |
|||
| ? | K1019224 | BRACKET | 2 | SERIAL_NO: ICA: REP_PNO: REP_QTY: SC: desc: SUPPORT LNKOP: IP: |
|||
| ? | K1019225 | CLAMP | 1 | SERIAL_NO: ICA: REP_PNO: REP_QTY: SC: desc: COLLIER LNKOP: IP: |