| Номер на схеме | Каталожный номер | Название | Количество | Детали | |||
|---|---|---|---|---|---|---|---|
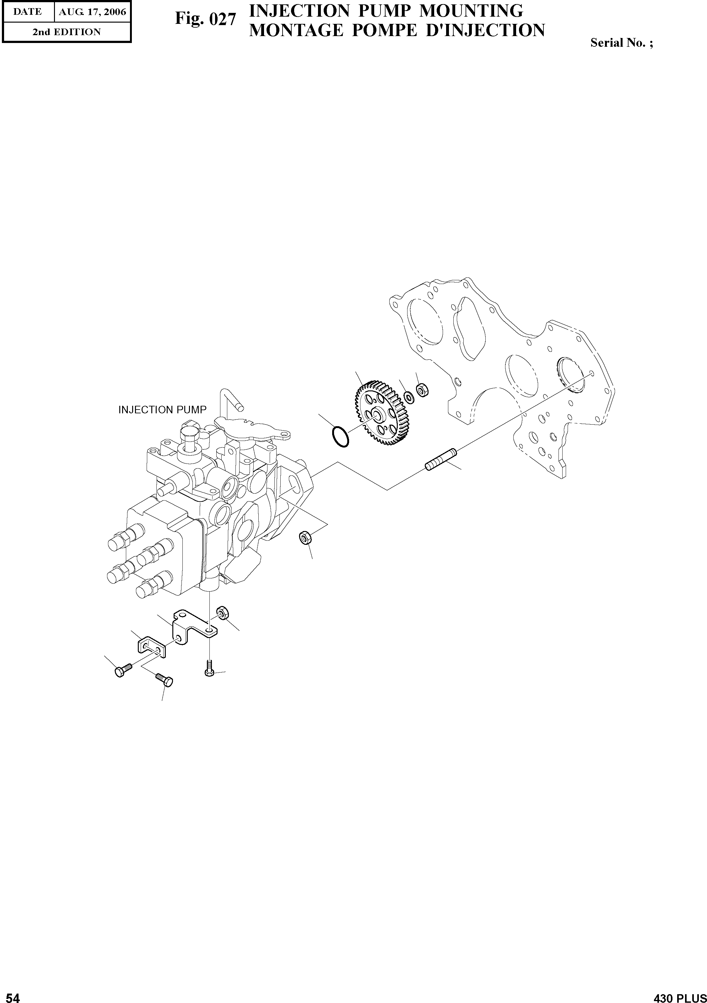
| ? | K1019202 | FUEL PUMP MOUNTING | A/R | SERIAL_NO: ICA: REP_PNO: REP_QTY: SC: D desc: MONTAGE POMPE D'INJECTION LNKOP: IP: |
|||
| ? | K1019203 | BOLT;STUD | 3 | SERIAL_NO: ICA: REP_PNO: REP_QTY: SC: desc: GOUJON LNKOP: IP: |
|||
| ? | K1019179 | NUT | 4 | SERIAL_NO: ICA: REP_PNO: REP_QTY: SC: desc: ECROU LNKOP: IP: |
|||
| ? | K1019204 | O-RING | 1 | SERIAL_NO: ICA: REP_PNO: REP_QTY: SC: desc: JOINT TORIQUE LNKOP: IP: |
|||
| ? | K1019205 | GEAR;INJ PUMP | 1 | SERIAL_NO: ICA: REP_PNO: REP_QTY: SC: desc: ENGRENAGE LNKOP: IP: |
|||
| ? | K1019206 | WASHER;LOCK | 1 | SERIAL_NO: ICA: REP_PNO: REP_QTY: SC: desc: RONDELLE FREIN LNKOP: IP: |
|||
| ? | K1019207 | NUT | 1 | SERIAL_NO: ICA: REP_PNO: REP_QTY: SC: desc: ECROU LNKOP: IP: |
|||
| ? | K1019208 | BRACKET | 1 | SERIAL_NO: ICA: REP_PNO: REP_QTY: SC: desc: SUPPORT LNKOP: IP: |
|||
| ? | K1019209 | BRACKET | 1 | SERIAL_NO: ICA: REP_PNO: REP_QTY: SC: desc: SUPPORT LNKOP: IP: |
|||
| ? | K1019210 | BOLT | 1 | SERIAL_NO: ICA: REP_PNO: REP_QTY: SC: desc: BOULON A 6 PANS LNKOP: IP: |
|||
| ? | K1019211 | BOLT | 2 | SERIAL_NO: ICA: REP_PNO: REP_QTY: SC: desc: BOULON A 6 PANS LNKOP: IP: |
|||
| ? | K1019171 | BOLT | 1 | SERIAL_NO: ICA: REP_PNO: REP_QTY: SC: desc: BOULON A 6 PANS LNKOP: IP: |