k-part
Номер на схеме Каталожный номер Название Количество Детали
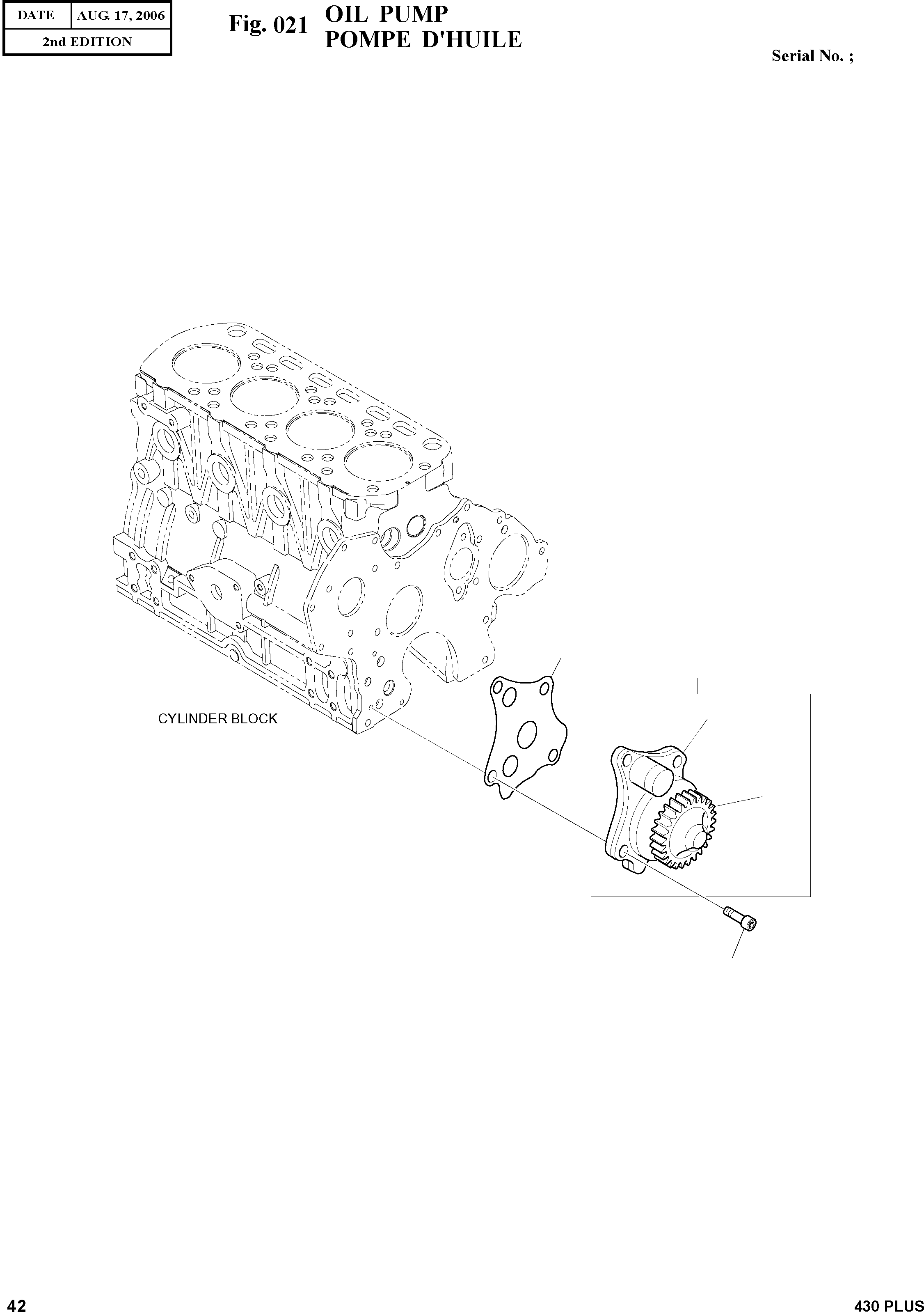
? K1019280 LUBE OIL PUMP A/R
SERIAL_NO:
ICA:
REP_PNO:
REP_QTY:
SC: D
desc: POMPE D'HUILE
LNKOP:
IP:
? K1019281 PUMP;OIL 1
SERIAL_NO:
ICA:
REP_PNO:
REP_QTY:
SC:
desc: POMPE
LNKOP:
IP:
? K1019282 . PUMP;OIL 1
SERIAL_NO:
ICA:
REP_PNO:
REP_QTY:
SC:
desc: . POMPE D'HUILE
LNKOP:
IP:
? K1019283 . GEAR;OIL PUMP 1
SERIAL_NO:
ICA:
REP_PNO:
REP_QTY:
SC:
desc: . ENSEMBLE POMPE A HUILE
LNKOP:
IP:
? K1019284 GASKET;OIL PUMP 1
SERIAL_NO:
ICA:
REP_PNO:
REP_QTY:
SC:
desc: JOINT POMPE A HUILE
LNKOP:
IP:
? K1019285 SCREW 4
SERIAL_NO:
ICA:
REP_PNO:
REP_QTY:
SC:
desc: VIS
LNKOP:
IP:

Other: DOOSAN-DAEWOO / 430 PLUS(430PLUS) / OIL PUMP(021 : 021)
?
?
?
?
?