| Номер на схеме | Каталожный номер | Название | Количество | Детали | |||
|---|---|---|---|---|---|---|---|
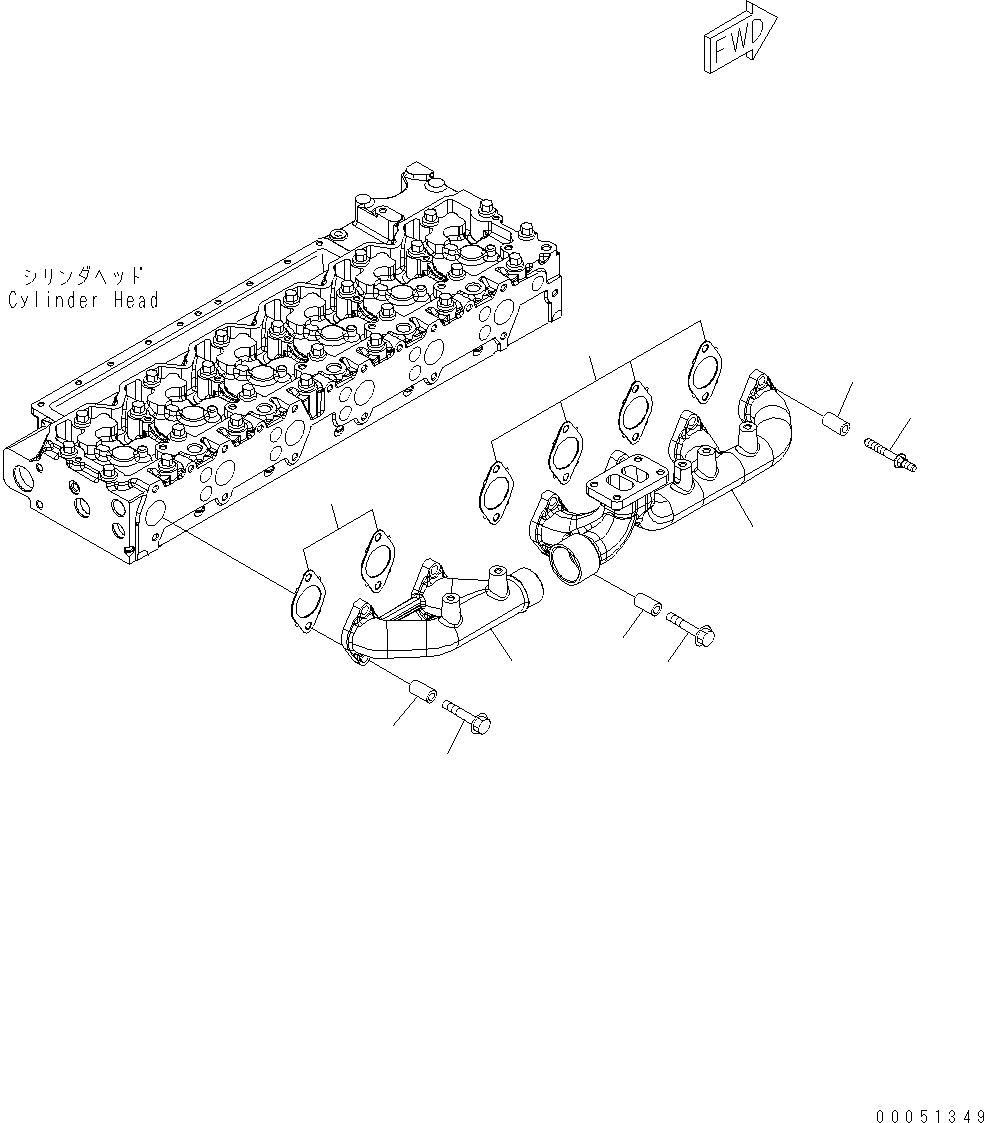
| ? | CU3937477 | EXHAUST MANIFOLD | 1 | SN: 21628024- |
|||
| ? | 6745-11-5810 | GASKET, EXHAUST (K2) | 2 | SN: 21628024- |
|||
| ? | 6732-11-5860 | BOLT | 4 | SN: 21628024- |
|||
| ? | 6754-11-5150 | SPACER, MOUNTING | 4 | SN: 21628024- |
|||
| ? | CU3943844 | EXHAUST MANIFOLD | 1 | SN: 21628024- |
|||
| ? | 6745-11-5810 | GASKET, EXHAUST (K2) | 4 | SN: 21628024- |
|||
| ? | 6732-11-5860 | BOLT | 4 | SN: 21628024- |
|||
| ? | 6732-11-5860 | BOLT | 4 | SN: 21628024- |
|||
| ? | 6754-11-5150 | SPACER, MOUNTING | 8 | SN: 21628024- |