| Наименование | Страница | Код страницы |
|---|---|---|
| FIG. F2320-52A6 TRANSMISSION - PRESSURE REGULATOR VALVE | F-078 | F2320-52A6 |
| FIG. F2320-52A7 TRANSMISSION - RANGE SELECTOR VALVE | F-080 | F2320-52A7 |
| FIG. J2110-01A0 REAR MAIN FRAME | J-004 | J2110-01A0 |
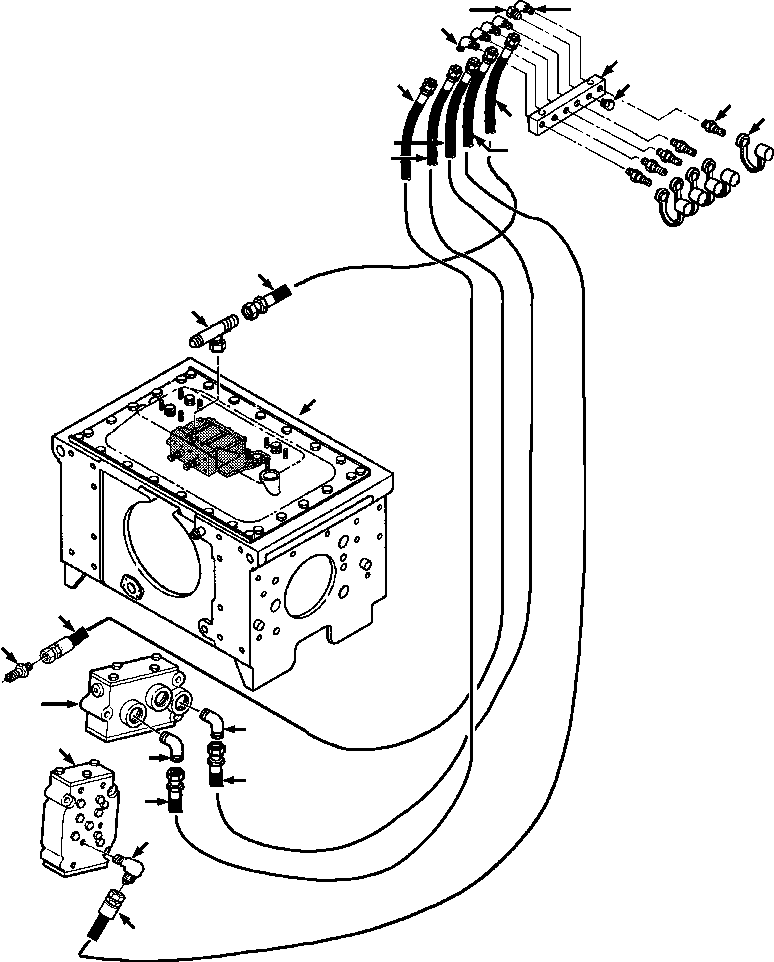
| Номер на схеме | Каталожный номер | Название | Количество | Детали | |||
|---|---|---|---|---|---|---|---|
| ? | 738 862 C1 | BLOCK, JUNCTION | 1 | SN: P096338- |
|||
| ? | 25 536 R1 | WASHER, FLAT - 1/2 | 2 | SN: P096338- |
|||
| ? | 24 866 R1 | BOLT, MOUNTING 1/2NCx2-1/2 | 2 | SN: P096338- |
|||
| ? | 161 849 | QUICK DISCONNECT | 5 | SN: P096338- |
|||
| ? | 162 144 | CAP, DUST | 5 | SN: P096338- |
|||
| ? | 9402 862 | ELBOW, 90 DEG | 4 | SN: P096338- |
|||
| ? | 585 694 R1 | ELBOW, 90 DEG | 1 | SN: P096338- |
|||
| ? | 444 613 | PLUG | 2 | SN: P096338- |
|||
| ? | 1309 137 H1 | HOSE, TOW PORT | 1 | SN: P096338- |
|||
| ? | 9410 306 | TEE | 1 | SN: P096338- |
|||
| ? | 940 740 C1 | HOSE, PRESSURE TEST | 2 | SN: P096338- |
|||
| ? | 1130 671 C1 | HOSE, PRESSURE TEST | 1 | SN: P096338- |
|||
| ? | 1130 669 C1 | HOSE, PRESSURE TEST | 1 | SN: P096338- |
|||
| ? | 9402 706 | CONNECTOR | 1 | SN: P096338- |
|||
| ? | 9402 862 | ELBOW, 90 DEG | 1 | SN: P096338- |