k-part
Наименование Страница Код страницы
FIG. F2300-02A5 BRAKE VALVE F-016 F2300-02A5
FIG. F2300-04A8 PRESSURE TEST CONNECTIONS F-044 F2300-04A8
FIG. F2300-04A8 PRESSURE TEST CONNECTIONS F-044 F2300-04A8
FIG. F2320-51A0 TRANSMISSION - COMPLETE ASSEMBLY F-064 F2320-51A0
FIG. J2110-01A0 REAR MAIN FRAME J-004 J2110-01A0

Номер на схеме Каталожный номер Название Количество Детали
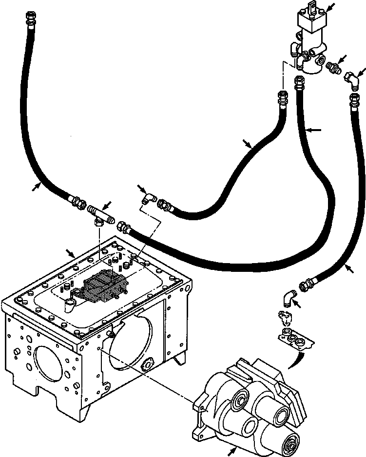
? 150 337 H1 HOSE, D PORT IN BRAKE VALVE 1
SN: P096338-
? 333 934 R1 ELBOW, 90 DEG 1
SN: P096338-
? 1219 392 H1 HOSE, B PORT IN BRAKE VALVE 1
SN: P096338-
? 1301 530 H91 VALVE, CHECK 1
SN: P096338-
? 364 839 R1 RING, SEAL 1
SN: P096338-
? 9410 280 ELBOW, 90 DEG 1
SN: P096338-
? 660 867 C1 HOSE, P PORT IN BRAKE VALVE 1
SN: P096338-
? 9410 254 ELBOW, 45 DEG 1
SN: P096338-

Bulldozers Komatsu / D39E-1A/P-1A S/N P096338-UP(D39EP1A) / FIG. F2300-04A3 DRIVE TRAIN PIPING - BRAKE VALVE LINES(F-034 : F2300-04A3)
?
?
?
?
?
?
?
?
?
?
?
?