k-part
Наименование Страница Код страницы
FIG. F2300-02A1 BRAKE PAD F-008 F2300-02A1
FIG. F2300-02A2 BRAKE SUPPORT BRACKET F-010 F2300-02A2
FIG. F2300-02A3 BRAKES - SHOES AND LEVERS F-012 F2300-02A3
FIG. F2300-02A7 BRAKE CYLINDER F-020 F2300-02A7
FIG. F2300-02A8 STEERING AND BRAKE CYLINDER CONNECTIONS F-022 F2300-02A8
FIG. K2400-06A0 BRAKE/DECELERATION PEDAL AND BRACKET K-084 K2400-06A0
FIG. K2400-06A1 SECONDARY BRAKE PEDAL AND BRACKET K-086 K2400-06A1

Номер на схеме Каталожный номер Название Количество Детали
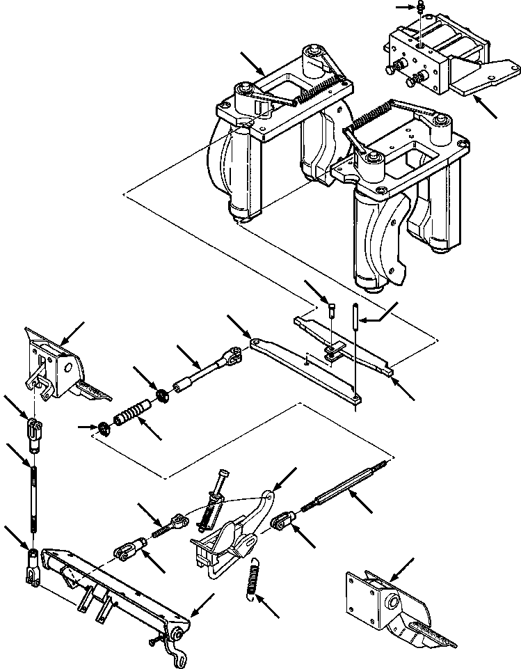
? 1308 102 H91 BRAKES AND CONTROLS 1
SN: P096338-
F1
? 25 274 R1 • BOLT, HEX - 1/2NCx1-1/8 3
SN: P096338-
? 116 121 • WASHER, LOCK - 1/2 3
SN: P096338-
? 1258 315 H91 • ROD, FINAL BRAKE 1
SN: P096338-
? 16 619 R1 • PIN, CLEVIS - 1/2x1-23/64 1
SN: P096338-
? 103 385 • PIN, COTTER - 1/8x1 1
SN: P096338-
? 25 527 R1 • NUT, HEX - 1/2NF 1
SN: P096338-
? 144 256 • CLEVIS, ROD END 3
SN: P096338-
? 25 527 R1 • NUT, HEX - 1/2NF 3
SN: P096338-
? 16 619 R1 • PIN, CLEVIS - 1/2x1-23/64 4
SN: P096338-
? 103 385 • PIN, COTTER - 1/8x1 4
SN: P096338-
? 26 316 R1 • BOLT, HEX - 1/2NCx1 6
SN: P096338-
? 25 555 R1 • WASHER, FLAT - 1/2 6
SN: P096338-
? 1258 312 H1 • ROD, MAIN BRAKE 1
SN: P096338-
? 24 861 R1 • BOLT, HEX - 1/2NCx1-1/4 4
SN: P096338-
? 25 536 R1 • WASHER, FLAT - 1/2 4
SN: P096338-
? 1287 522 H1 • ROD, TURNBUCKLE 1
SN: P096338-
? 19 457 R1 • YOKE, LH THREAD 1
SN: P096338-
? 145 406 • NUT, JAM - 1/2NF 1
SN: P096338-
? 16 619 R1 • PIN, CLEVIS - 1/2x1-23/64 1
SN: P096338-
? 103 385 • PIN, COTTER - 1/8x1 1
SN: P096338-
? 652 827 C1 • CLEVIS, BRAKE ROD 1
SN: P096338-
? 25 527 R1 • NUT, JAM - 1/2NF 1
SN: P096338-
? 103 499 R1 • PIN, CLEVIS - 5/8x1-39/64 1
SN: P096338-
? 103 385 • PIN, COTTER - 1/8x1 1
SN: P096338-
? 652 829 C1 • BOOT, CONTROL ROD 1
SN: P096338-
? 122 316 R91 • CLAMP, BOOT 2
SN: P096338-
? 1286 903 H1 • SPRING, RETURN 1
SN: P096338-
? 621 318 C1 • SUPPORT, BRAKE ACTUATOR 1
SN: P096338-
? 621 319 C1 • PIN, PIVOT 1
SN: P096338-
? 21 853 H1 • PIN, CLEVIS - 1/2x1-1/2 1
SN: P096338-
? 103 385 • PIN, COTTER - 1/8x1 1
SN: P096338-
? 621 310 C2 • SUPPORT, BRAKE EQUALIZER 1
SN: P096338-
? 24 861 R1 BOLT, HEX - 1/2NCx1-1/4FRONT 2
SN: P096338-
? 24 866 R1 BOLT, HEX - 1/2NCx2-1/2REAR 2
SN: P096338-
? 25 546 R1 WASHER, FLAT - 1/2 4
SN: P096338-
?
? F1 PART NUMBER IS A NONSERVICE PART AND IS LISTED FOR REFERENCE ONLY. ORDER INDIVIDUAL PIECE PARTS.
?

Bulldozers Komatsu / D39E-1A/P-1A S/N P096338-UP(D39EP1A) / FIG. F2300-02A0 BRAKE CONTROLS(F-006 : F2300-02A0)
?
?
?
?
?
?
?
?
?
?
?
?
?
?
?
?
?
?
?
?
?
?
?