| Номер на схеме | Каталожный номер | Название | Количество | Детали | |||
|---|---|---|---|---|---|---|---|
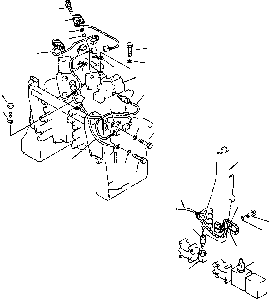
| ? | 7861-92-1540 | SENSOR, PRESSURE | 2 | ||||
| ? | 07000-22016 | O-RING | 2 | ||||
| ? | 07001-02016 | RING, BACK-UP | 2 | ||||
| ? | 708-2E-18150 | BOLT | 4 | ||||
| ? | 08053-01512 | CLIP | 3 | ||||
| ? | 01010-81220 | BOLT | 3 | ||||
| ? | 01643-31232 | WASHER | 3 | ||||
| ? | 20Y-06-15190 | SWITCH, PRESSURE | 1 | ||||
| ? | 08036-01214 | CLIP | 2 | ||||
| ? | 01010-81225 | BOLT | 2 | ||||
| ? | 01643-31232 | WASHER | 2 | ||||
| ? | 08035-01514 | CLIP | 1 | ||||
| ? | 01010-81225 | BOLT | 1 | ||||
| ? | 01643-31232 | WASHER | 1 | ||||
| ? | 20Y-06-15190 | SWITCH, PRESSURE | 1 | ||||
| ? | 08035-01514 | CLIP | 2 | ||||
| ? | 01010-81225 | BOLT | 1 | ||||
| ? | 01643-31232 | WASHER | 1 | ||||
| ? | VALVE, HYDRAULIC CONTROL (SEE PG 06-068) | -29 | 10BH6400.003 | ||||
| ? | HARNESS, WIRING (SEE PG 01-054) | -29 | 08ADP400.004 | ||||
| ? | BRACKET (SEE PG 06-164) | -29 | 10ADP400.003 | ||||
| ? | NIPPLE (SEE PG 06-136) | -29 | 10AH6400.004 | ||||
| ? | ELBOW (SEE PG 06-136) | -29 | 10AH6400.004 |