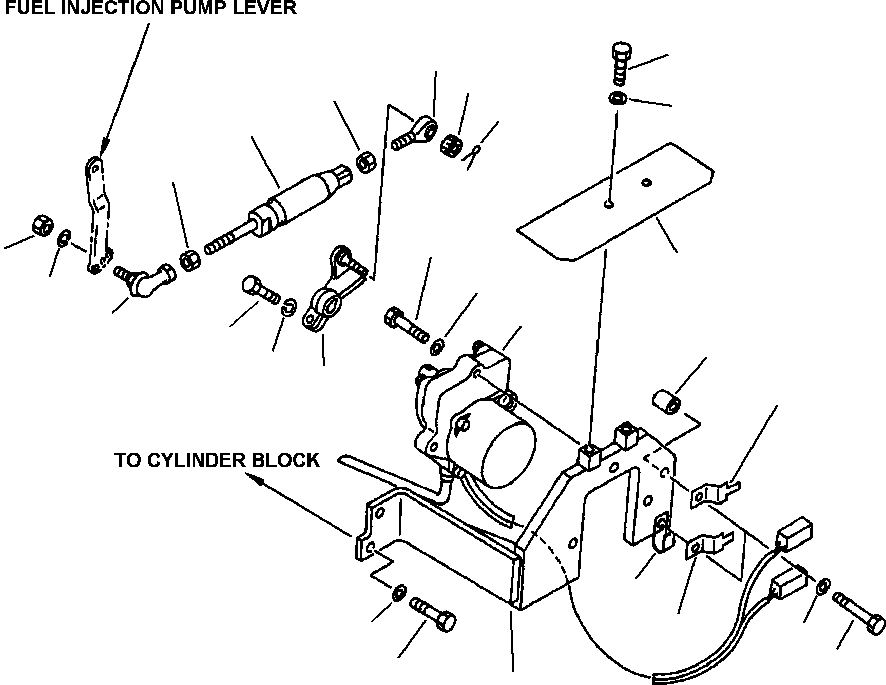
| Номер на схеме | Каталожный номер | Название | Количество | Детали | |||
|---|---|---|---|---|---|---|---|
| ? | 208-43-64110 | SPRING ASSEMBLY | 1 | ||||
| ? | 04252-21061 | END | 1 | ||||
| ? | 01582-11008 | NUT | 1 | ||||
| ? | 01593-31008 | NUT | 1 | ||||
| ? | 04050-12018 | PIN | 1 | ||||
| ? | 01580-10605 | NUT | 1 | ||||
| ? | 01602-20619 | WASHER | 1 | ||||
| ? | 01582-11008 | NUT | 1 | ||||
| ? | 20Y-43-12180 | JOINT | 1 | ||||
| ? | 208-43-54140 | LEVER | 1 | ||||
| ? | 01010-81030 | BOLT | 1 | ||||
| ? | 01602-21030 | WASHER | 1 | ||||
| ? | 208-43-61110 | BRACKET | 1 | ||||
| ? | 01010-81025 | BOLT | 2 | ||||
| ? | 01010-81055 | BOLT | 2 | ||||
| ? | 01643-31032 | WASHER | 4 | ||||
| ? | 144-874-7470 | BOSS | 2 | ||||
| ? | 7834-40-2000 | MOTOR ASSEMBLY | 1 | ||||
| ? | 01010-81040 | BOLT | 3 | ||||
| ? | 01643-31032 | WASHER | 3 | ||||
| ? | 08053-01510 | CLIP | 2 | ||||
| ? | 04434-51512 | CLIP | 1 | ||||
| ? | 208-43-64121 | PLATE | 1 | ||||
| ? | 01010-81020 | BOLT | 2 | ||||
| ? | 01643-31032 | WASHER | 2 |