| Номер на схеме | Каталожный номер | Название | Количество | Детали | |||
|---|---|---|---|---|---|---|---|
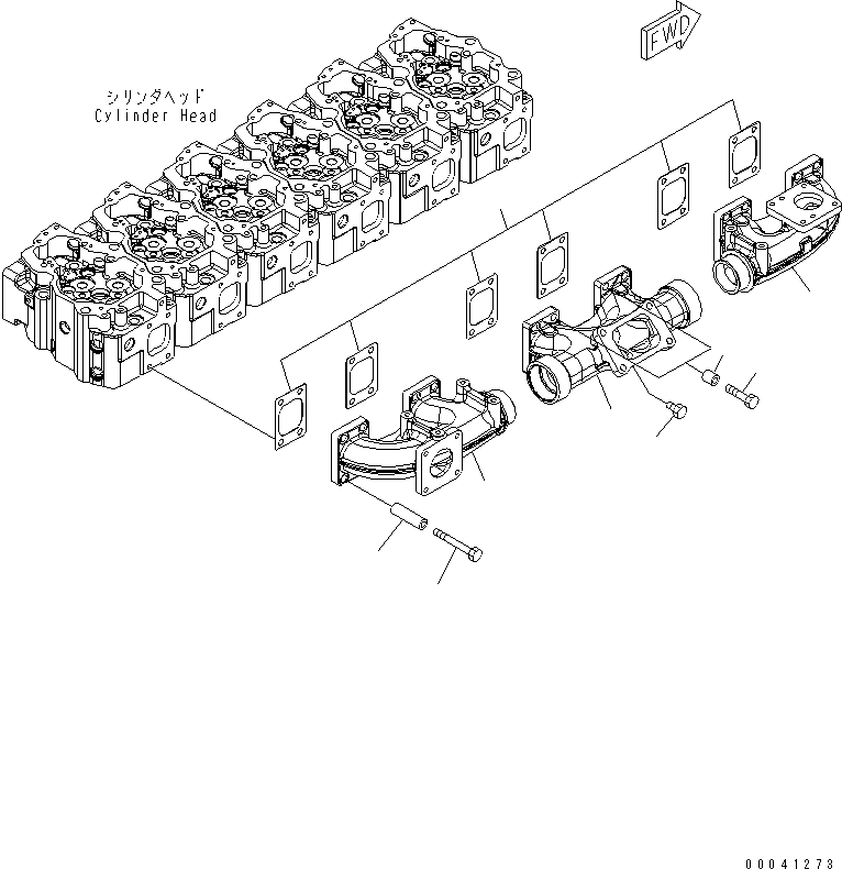
| ? | 6136-11-5120 | SPACER | 22 | SN: 530003- KIT-FLAG: _- SERIALNO: 530003- |
|||
| ? | 6210-11-5820 | SPACER | 2 | SN: 530003- KIT-FLAG: _- SERIALNO: 530003- |
|||
| ? | 6215-11-5920 | PLUG | 2 | SN: 530003- KIT-FLAG: _- SERIALNO: 530003- |
|||
| ? | 6261-11-5880 | GASKET | 6 | SN: 530003- KIT-FLAG: _- SERIALNO: 530003- |
|||
| ? | 6261-11-5110 | MANIFOLD,FRONT | 1 | SN: 530003- KIT-FLAG: _- SERIALNO: 530003- |
|||
| ? | 6261-11-5120 | MANIFOLD,CENTER | 1 | SN: 530003- KIT-FLAG: _- SERIALNO: 530003- |
|||
| ? | 6261-11-5130 | MANIFOLD,REAR | 1 | SN: 530003- KIT-FLAG: _- SERIALNO: 530003- |
|||
| ? | 01010-E1055 | BOLT | 2 | SN: 530003- KIT-FLAG: _- SERIALNO: 530003- |
|||
| ? | 01011-E1000 | BOLT | 22 | SN: 530003- KIT-FLAG: _- SERIALNO: 530003- |