k-part
Номер на схеме Каталожный номер Название Количество Детали
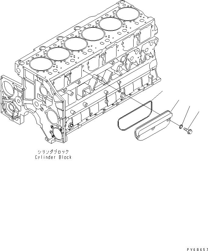
? 6210-21-6410 COVER,CAM FOLLOWER 3
SN: 530001-
KIT-FLAG: _-
SERIALNO: 530001-
? 6217-21-6880 O-RING 3
SN: 530001-
KIT-FLAG: _-
SERIALNO: 530001-
? 6210-21-6471 BOLT 9
SN: 530001-
KIT-FLAG: _-
SERIALNO: 530001-
? 6150-21-6391 PACKING 9
SN: 530001-
KIT-FLAG: _-
SERIALNO: 530001-

Engines Komatsu / SAA6D140E-5 S/N 530001-UP(SAA6D17E) / CAM FOLLOWER COVER(030280 : A2060-A4C6)
?
?
?
?