k-part
Номер на схеме Каталожный номер Название Количество Детали
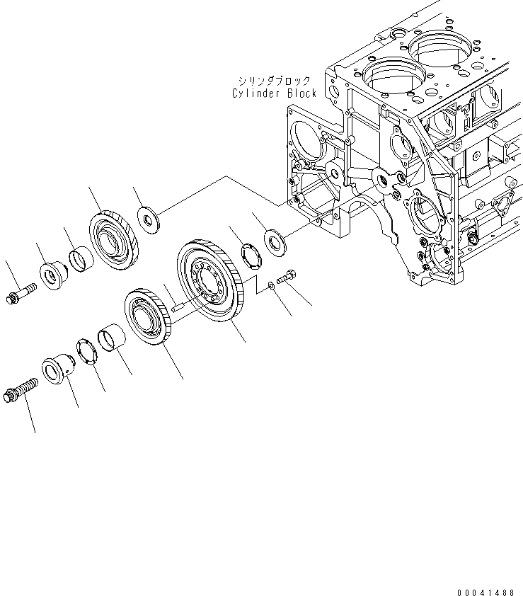
? 6212-31-6440 GEAR 1
SN: 530001-
KIT-FLAG: _-
SERIALNO: 530001-
? 6212-31-6420 IDLER GEAR ASS'Y 1
SN: 530001-
KIT-FLAG: _-
SERIALNO: 530001-
? • GEAR,IDLER 1
SN: 530001-
KIT-FLAG: _-
SERIALNO: 530001-
? 6212-31-6130 • BUSHING 1
SN: 530001-
KIT-FLAG: _-
SERIALNO: 530001-
? 22X-22-12670 BOLT 12
SN: 530001-
KIT-FLAG: _-
SERIALNO: 530001-
? 6212-31-6490 WASHER 12
SN: 530001-
KIT-FLAG: _-
SERIALNO: 530001-
? 04020-00514 PIN,DOWEL 1
SN: 530001-
KIT-FLAG: _-
SERIALNO: 530001-
? 6210-22-2410 SHAFT 1
SN: 530001-
KIT-FLAG: _-
SERIALNO: 530001-
? 6210-22-2420 PLATE 1
SN: 530001-
KIT-FLAG: _-
SERIALNO: 530001-
? 6162-33-5322 BOLT 1
SN: 530001-
KIT-FLAG: _-
SERIALNO: 530001-
? 6212-31-6140 BEARING,THRUST 2
SN: 530001-
KIT-FLAG: _-
SERIALNO: 530001-
? 6212-31-6100 IDLER GEAR ASS'Y 1
SN: 530001-
KIT-FLAG: _-
SERIALNO: 530001-
? • GEAR,IDLER 1
SN: 530001-
KIT-FLAG: _-
SERIALNO: 530001-
? 6212-31-6120 • BUSHING 1
SN: 530001-
KIT-FLAG: _-
SERIALNO: 530001-
? 6212-21-2511 SHAFT 1
SN: 530001-
KIT-FLAG: _-
SERIALNO: 530001-
? 6210-21-2422 PLATE,THRUST 1
SN: 530001-
KIT-FLAG: _-
SERIALNO: 530001-
? 6212-21-2450 BOLT 1
SN: 530001-
KIT-FLAG: _-
SERIALNO: 530001-

Engines Komatsu / SAA6D140E-5 S/N 530001-UP(SAA6D17E) / IDLER GEAR(030270 : A2050-A4A9)
?
?
?
?
?
?
?
?
?
?
?
?
?
?
?
?