k-part
Номер на схеме Каталожный номер Название Количество Детали
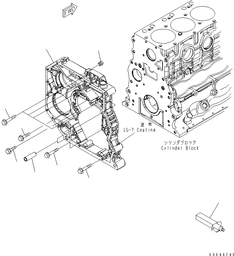
? 6754-21-3102 HOUSING ASS'Y,REAR GEAR 1
SN: 26502126-
KIT-FLAG: _-
SERIALNO: 26502126-
? 6754-21-3100 HOUSING ASS'Y,REAR GEAR 1
SN: 26500006-26502125
KIT-FLAG: _-
SERIALNO: 26500006-26502125
? • HOUSING,REAR GEAR 1
SN: 26502126-
KIT-FLAG: _-
SERIALNO: 26502126-
? • HOUSING,REAR GEAR 1
SN: 26500006-26502125
KIT-FLAG: _-
SERIALNO: 26500006-26502125
? 6754-21-3120 • RING 2
SN: 26500006-
KIT-FLAG: _-
SERIALNO: 26500006-
? 6754-21-3150 • INSERT 2
SN: 26502126-
KIT-FLAG: _-
SERIALNO: 26502126-
? 6754-21-3130 • INSERT 2
SN: 26500006-26502125
KIT-FLAG: _-
SERIALNO: 26500006-26502125
? 6735-61-2120 BOLT 4
SN: 26500006-
KIT-FLAG: _-
SERIALNO: 26500006-
? 6735-61-3810 BOLT 2
SN: 26500006-
KIT-FLAG: _-
SERIALNO: 26500006-
? 6732-11-1720 BOLT 1
SN: 26500006-
KIT-FLAG: _-
SERIALNO: 26500006-
? 6754-21-3140 BOLT 3
SN: 26500006-
KIT-FLAG: _-
SERIALNO: 26500006-
? (09920-00150) LIQUID GASKET,LG-7, 150G A/R
SN: 26500006-
KIT-FLAG: _-
SERIALNO: 26500006-

Engines Komatsu / SAA6D107E-1H S/N 26500006-UP(SAA6D1SE) / REAR GEAR HOUSING(030400 : A263V-01A0)
?
?
?
?
?
?
?
?
?