| Номер на схеме | Каталожный номер | Название | Количество | Детали | |||
|---|---|---|---|---|---|---|---|
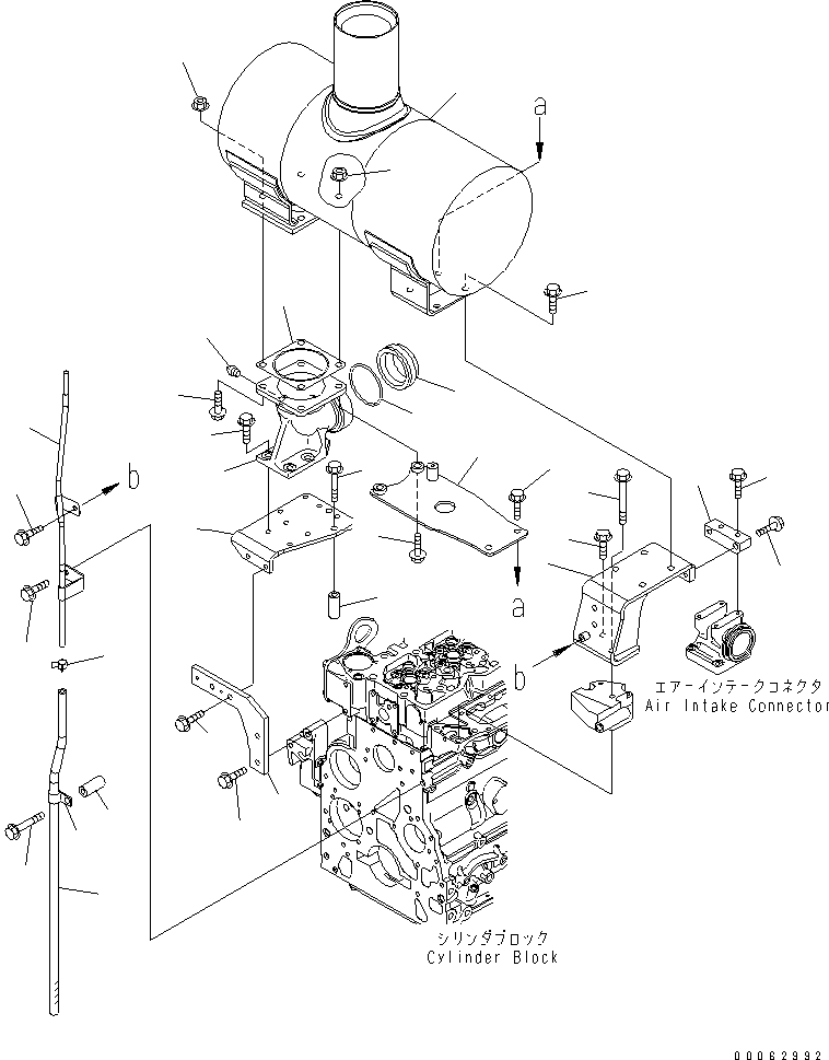
| ? | 6754-11-5220 | MUFFLER | 1 | SN: 26506237- KIT-FLAG: _- SERIALNO: 26506237- |
|||
| ? | 6151-11-5751 | GASKET | 1 | SN: 26506237- KIT-FLAG: _- SERIALNO: 26506237- |
|||
| ? | 01435-01035 | BOLT | 2 | SN: 26506237- KIT-FLAG: _- SERIALNO: 26506237- |
|||
| ? | 01435-01050 | BOLT | 2 | SN: 26506237- KIT-FLAG: _- SERIALNO: 26506237- |
|||
| ? | 01584-01008 | NUT | 4 | SN: 26506237- KIT-FLAG: _- SERIALNO: 26506237- |
|||
| ? | 6754-11-5550 | BRACKET | 1 | SN: 26506237- KIT-FLAG: _- SERIALNO: 26506237- |
|||
| ? | 01435-01095 | BOLT | 1 | SN: 26506237- KIT-FLAG: _- SERIALNO: 26506237- |
|||
| ? | 01435-01025 | BOLT | 1 | SN: 26506237- KIT-FLAG: _- SERIALNO: 26506237- |
|||
| ? | 6754-11-5560 | PLATE | 1 | SN: 26506237- KIT-FLAG: _- SERIALNO: 26506237- |
|||
| ? | 01435-01040 | BOLT | 2 | SN: 26506237- KIT-FLAG: _- SERIALNO: 26506237- |
|||
| ? | 01435-00845 | BOLT | 2 | SN: 26506237- KIT-FLAG: _- SERIALNO: 26506237- |
|||
| ? | 6754-11-5570 | BRACKET | 1 | SN: 26506237- KIT-FLAG: _- SERIALNO: 26506237- |
|||
| ? | 6152-51-5520 | SPACER | 2 | SN: 26506237- KIT-FLAG: _- SERIALNO: 26506237- |
|||
| ? | 01435-01075 | BOLT | 2 | SN: 26506237- KIT-FLAG: _- SERIALNO: 26506237- |
|||
| ? | 6754-11-5670 | BRACKET | 1 | SN: 26506237- KIT-FLAG: _- SERIALNO: 26506237- |
|||
| ? | 6754-11-5980 | BOLT | 2 | SN: 26506237- KIT-FLAG: _- SERIALNO: 26506237- |
|||
| ? | 01435-01025 | BOLT | 2 | SN: 26506237- KIT-FLAG: _- SERIALNO: 26506237- |
|||
| ? | 6754-11-5610 | ELBOW | 1 | SN: 26506237- KIT-FLAG: _- SERIALNO: 26506237- |
|||
| ? | 07042-20108 | PLUG | 1 | SN: 26506237- KIT-FLAG: _- SERIALNO: 26506237- |
|||
| ? | 01435-01025 | BOLT | 4 | SN: 26506237- KIT-FLAG: _- SERIALNO: 26506237- |
|||
| ? | 6137-11-5291 | RING | 1 | SN: 26506237- KIT-FLAG: _- SERIALNO: 26506237- |
|||
| ? | 6754-11-5620 | TUBE | 1 | SN: 26506237- KIT-FLAG: _- SERIALNO: 26506237- |
|||
| ? | 6754-11-5590 | BRACKET | 1 | SN: 26506237- KIT-FLAG: _- SERIALNO: 26506237- |
|||
| ? | 01435-01035 | BOLT | 2 | SN: 26506237- KIT-FLAG: _- SERIALNO: 26506237- |
|||
| ? | 01435-01025 | BOLT | 2 | SN: 26506237- KIT-FLAG: _- SERIALNO: 26506237- |
|||
| ? | 6754-11-5470 | TUBE | 1 | SN: 26506237- KIT-FLAG: _- SERIALNO: 26506237- |
|||
| ? | 01435-00814 | BOLT | 2 | SN: 26506237- KIT-FLAG: _- SERIALNO: 26506237- |
|||
| ? | 07260-20980 | HOSE | 1 | SN: 26506237- KIT-FLAG: _- SERIALNO: 26506237- |
|||
| ? | 07285-00155 | CLIP | 1 | SN: 26506237- KIT-FLAG: _- SERIALNO: 26506237- |
|||
| ? | 04434-51612 | CLIP | 1 | SN: 26506237- KIT-FLAG: _- SERIALNO: 26506237- |
|||
| ? | 01435-01280 | BOLT | 1 | SN: 26506237- KIT-FLAG: _- SERIALNO: 26506237- |
|||
| ? | 6164-91-6290 | SPACER | 1 | SN: 26506237- KIT-FLAG: _- SERIALNO: 26506237- |