k-part
Номер на схеме Каталожный номер Название Количество Детали
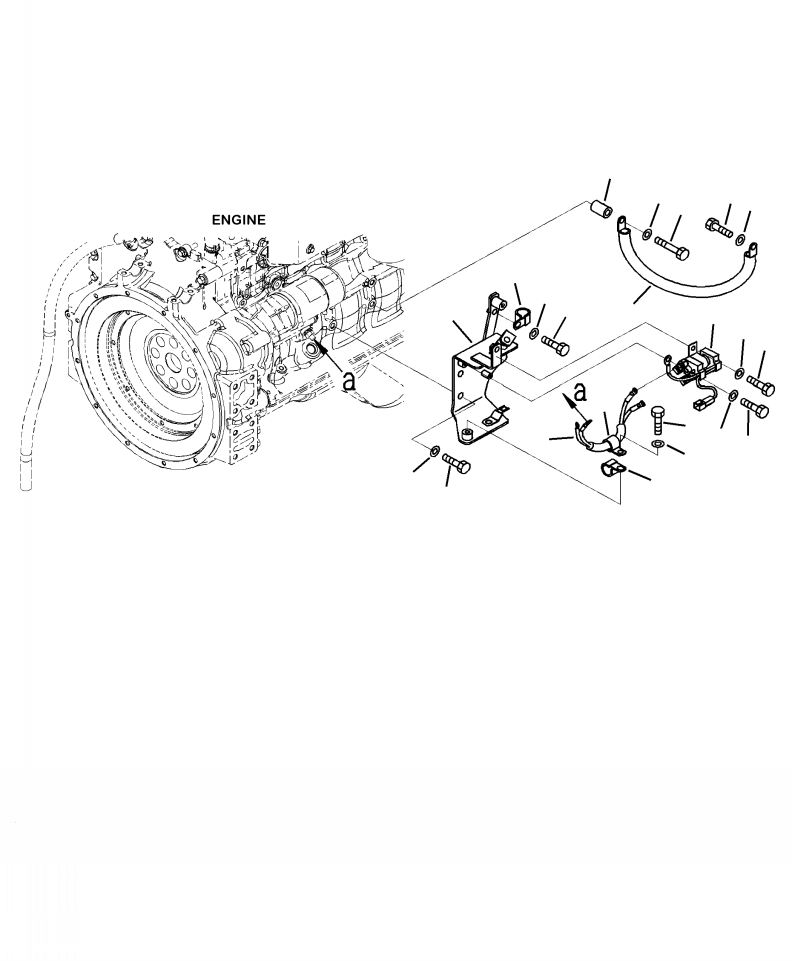
? 418-06-42320 WIRE 1
SN: A76001--
? 600-051-2200 CLIP 1
SN: A76001--
? 600-051-2100 CLIP 1
SN: A76001--
? 01010-81020 BOLT 1
SN: A76001--
? 01643-31032 WASHER 1
SN: A76001--
? 418-06-42290 CABLE 1
SN: A76001--
? 01010-81220 BOLT 1
SN: A76001--
? 01643-31232 WASHER 1
SN: A76001--
? 205-03-71330 COLLAR 1
SN: A76001--
? 01010-81260 BOLT 1
SN: A76001--
? 01643-31232 WASHER 1
SN: A76001--
? 11Y-06-11391 SWITCH 1
SN: A76001--
? 01010-80612 BOLT 2
SN: A76001--
? 01643-30623 WASHER 2
SN: A76001--
? 418-06-41281 BRACKET 1
SN: A76001--
? 01010-81225 BOLT 3
SN: A76001--
? 01643-31232 WASHER 3
SN: A76001--
? 01010-80816 BOLT 1
SN: A76001--
? 01643-30823 WASHER 1
SN: A76001--
? 600-051-3240 CLIP 1
SN: A76001--
? 01010-81020 BOLT 1
SN: A76001--
? 01643-31032 WASHER 1
SN: A76001--

Wheel Loaders Komatsu / WA250-6 S/N A76001-UP(WA250-0E) / B0110-02A0 ENGINE HARNESS (2/2) STARTER HARNESS(B-009 : B0110-02A0)
?
?
?
?
?
?
?
?
?
?
?
?
?
?
?
?
?
?
?
?
?
?