k-part
Номер на схеме Каталожный номер Название Количество Детали
? AXLE ASSEMBLY, FRONT (SEE FIG. F4400-51A0 )
SN: A76001--
F4400-51A0
? OR 1
? AXLE ASSEMBLY, FRONT (LIMITED SLIP DIFFERENTIAL (LSD)) (SEE FIG. F4400-51A0 )
SN: A76001--
F4400-51A0
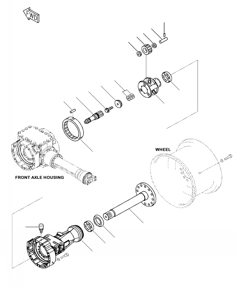
? 418-22-32060 • FINAL ASSEMBLY, R.H. 1
SN: A76001--
? 418-22-32831 • • GEAR 3
SN: A76001--
? 417-22-22810 • • BEARING, CONE 6
SN: A76001--
? 418-22-32671 • • CARRIER 1
SN: A76001--
? 418-22-32960 • • HOLDER 1
SN: A76001--
? 419-22-12510 • • SHAFT 3
SN: A76001--
? 197 23 R1 • • PIN 3
SN: A76001--
? 418-22-32950 • • SHAFT 1
SN: A76001--
? 418-22-12850 • • BEARING 1
SN: A76001--
? 419-22-22850 • • BEARING 1
SN: A76001--
? 419-22-22861 • • SEAL 1
SN: A76001--
? 418-22-32850 • • GEAR 1
SN: A76001--
? 417-22-12580 • • PIN 3
SN: A76001--
? 01438-02000 • • BOLT 1
SN: A76001--
? 418-22-21460 • • SHIM, 0.05 MM 2
SN: A76001--
? 418-22-21470 • • SHIM, 0.20 MM 2
SN: A76001--
? 418-22-21480 • • SHIM, 0.50 MM 2
SN: A76001--
? 418-22-32331 • • SHAFT 1
SN: A76001--
? 418-22-33810 • • HOUSING 1
SN: A76001--
? 07030-01030 • • BREATHER 1
SN: A76001--

Wheel Loaders Komatsu / WA250-6 S/N A76001-UP(WA250-0E) / F4400-52A0 FRONT AXLE R.H. FINAL DRIVE AND HOUSING(F-099 : F4400-52A0)
?
?
?
?
?
?
?
?
?
?
?
?
?
?
?
?
?
?