| Номер на схеме | Каталожный номер | Название | Количество | Детали | |||
|---|---|---|---|---|---|---|---|
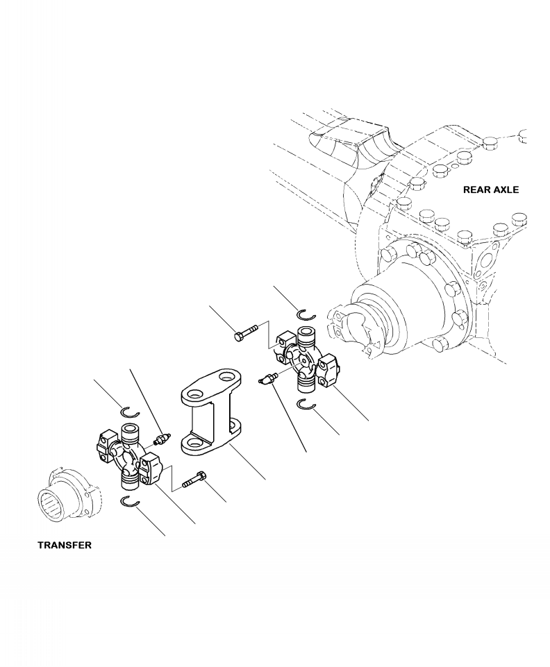
| ? | 418-20-34150 | PROPELLER SHAFT | 1 | SN: A76001-- |
|||
| ? | 418-20-34850 | • YOKE | 1 | SN: A76001-- |
|||
| ? | 418-20-34820 | • SPIDER | 2 | SN: A76001-- |
|||
| ? | 417-20-12630 | • • FITTING | 1 | SN: A76001-- |
|||
| ? | 418-20-32890 | • • RING | 2 | SN: A76001-- |
|||
| ? | 01050-61045 | BOLT | 8 | SN: A76001-- |