|
Номер на схеме |
Каталожный номер |
Название |
Количество |
Детали |
|
|
|
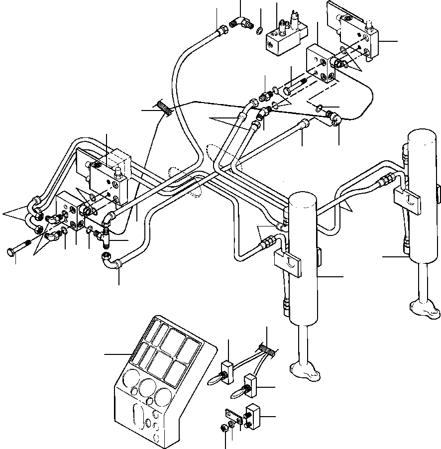
? |
1278 428 H91 |
VALVE INSTALLATION, MOLDBOARD FLOAT |
1 |
|
|
|
|
? |
|
• BLOCK, JUNCTION (SEE PG 10-118) |
-29 |
|
10-118 |
|
|
? |
9410 976 |
• ELBOW, REDUCING - 90° (SEE PG 10-008) |
-29 |
|
10-008 |
|
|
? |
570 828 R1 |
• O-RING |
2 |
|
|
|
|
? |
1278 036 H1 |
• HOSE |
1 |
|
|
|
|
? |
|
• VALVE, DUAL COUNTERBALANCE & RELIEF (SEE PG 10-098) |
-29 |
|
10-098 |
|
|
? |
376 769 R1 |
• O-RING |
4 |
|
|
|
|
? |
|
• VALVE, FLOAT (SEE PG 10-148) |
-29 |
|
10-148 |
|
|
? |
364 885 R1 |
• O-RING |
4 |
|
|
|
|
? |
936 450 R91 |
• ELBOW - 90° |
2 |
|
|
|
|
? |
26 269 R1 |
• BOLT |
4 |
|
|
|
|
? |
25 533 R1 |
• WASHER, FLAT |
4 |
|
|
|
|
? |
9411 118 |
• TEE |
1 |
|
|
|
|
? |
1259 786 H1 |
• HOSE |
1 |
|
|
|
|
? |
9410 977 |
• ELBOW |
1 |
|
|
|
|
? |
103 071 |
• ELBOW - 45° |
1 |
|
|
a |
|
? |
481 352 R1 |
• CONNECTOR |
1 |
|
|
b |
|
? |
103 071 |
• ELBOW - 45° |
1 |
|
|
|
|
? |
|
• HARNESS, MAIN WIRING (SEE PG 08-002) |
-29 |
|
08-002 |
|
|
? |
|
• HARNESS, CONSOLE PANEL WIRING (SEE PG 11-006) |
-29 |
|
11-006 |
|
|
? |
1252 855 H1 |
• SWITCH, MOLDBOARD FLOAT |
2 |
|
|
|
|
? |
1109 633 C1 |
• BREAKER, CIRCUIT - 6 AMP |
1 |
|
|
|
|
? |
1106 459 C1 |
• BAR, BUSS - 2 HOLE |
1 |
|
|
|
|
? |
120 217 |
• WASHER, LOCK |
2 |
|
|
|
|
? |
120 614 |
• NUT, HEX |
2 |
|
|
|
|
? |
364 839 R1 |
• O-RING |
1 |
|
|
|
|
? |
|
ACTUATOR LINES, DRAWBAR LIFT (SEE PG 10-134) |
-29 |
|
10-134 |
|
|
? |
|
CYLINDER, DRAWBAR LIFT (SEE PG 10-170) |
-29 |
|
10-170 |
|
|
? |
|
PANEL, STEERING CONSOLE INSTRUMENT (SEE PG 11-006) |
-29 |
|
11-006 |
|