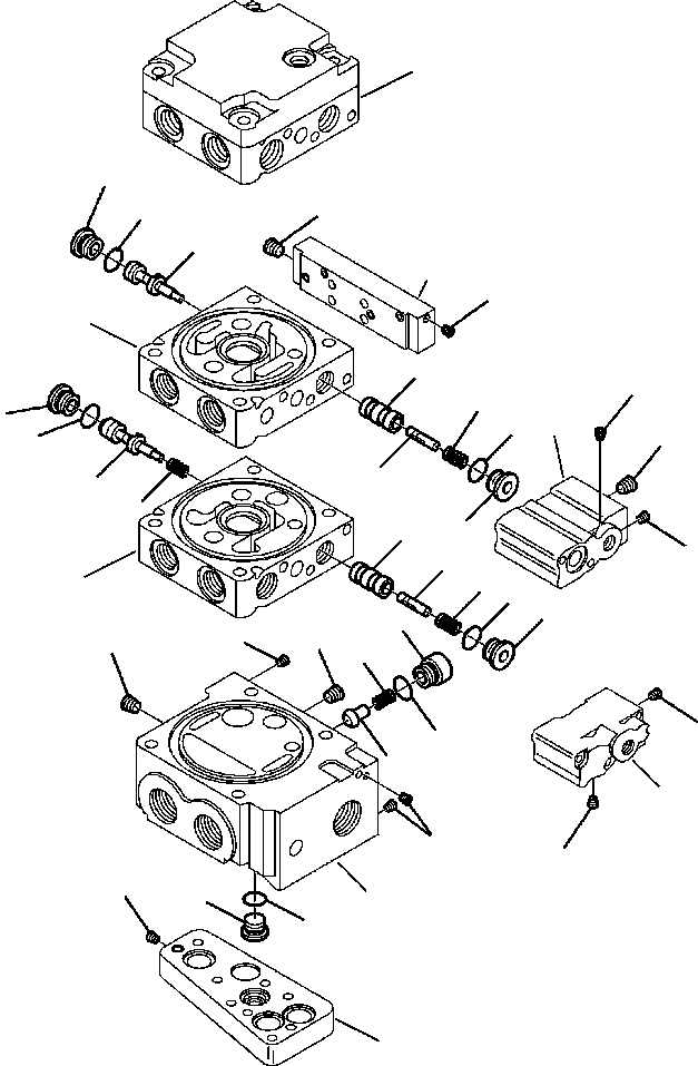
Найти k-part Содержание Skid Steer Loaders Komatsu CK35-1 S/N A40001-UP(CK351) H1010-6238 CONTROL VALVE FLOAT (5/11)(H-093 : H1010-6238) Номер на схеме Каталожный номер Название Количество Детали ? CONTROL VALVE ASSEMBLY - FLOAT (SEE FIG. H0970-6230) SN: A40001-- H0970-6230 ? 702-21-55620 • PLUG 1 SN: A40001-- ? 07002-11423 • O-RING 1 SN: A40001-- ? 723-11-28560 • PLUG 1 SN: A40001-- ? 07002-11623 • O-RING 1 SN: A40001-- ? 723-11-28570 • VALVE 1 SN: A40001-- ? 723-11-28580 • SPRING 1 SN: A40001-- ? 702-16-54490 • DOWEL 18 SN: A40001-- ? 708-21-12541 • PLUG 8 SN: A40001-- ? 723-11-15110 • PLUG 4 SN: A40001-- ? 07002-11623 • O-RING 4 SN: A40001-- ? 723-11-01190 • VALVE 1 SN: A40001-- ? 723-11-15130 • SPRING 1 SN: A40001-- ? 723-11-25170 • VALVE 1 SN: A40001-- ? 723-11-26440 • VALVE 2 SN: A40001-- ? 723-11-16230 • SPRING 2 SN: A40001-- ? 723-11-26450 • PISTON 1 SN: A40001-- ? 723-11-26460 • PISTON 1 SN: A40001-- ? • VALVE ASSEMBLY (SEE FIG. H1070-6250) SN: A40001-- H1070-6250 ? • BODY, BUCKET (SEE FIG. H0970-6230) SN: A40001-- H0970-6230 ? • BODY (SEE FIG. H1040-6244) SN: A40001-- H1040-6244 ? • BODY (SEE FIG. H1030-6242) SN: A40001-- H1030-6242 ? • BODY, BOOM (SEE FIG. H0970-6230) SN: A40001-- H0970-6230 ? • BODY (SEE FIG. H1030-6242) SN: A40001-- H1030-6242 ? • BODY (SEE FIG. H0970-6230) SN: A40001-- H0970-6230 ? • PLATE (SEE FIG. H1000-6236) SN: A40001-- H1000-6236 ? ? ? ? ? ? ? ? ? ? ? ? ? ? ? ? ? ? ? ? ? ? ? ? ? ? ? ? ? ? ? ? ? ? ? ? ? ? ? ? ? ? ?