| Номер на схеме | Каталожный номер | Название | Количество | Детали | |||
|---|---|---|---|---|---|---|---|
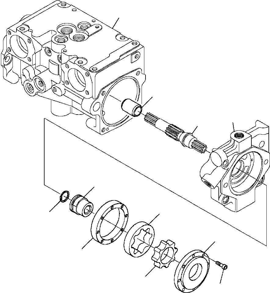
| ? | HYDRAULIC PUMP ASSEMBLY - HIGH-FLOW (SEE FIG. H0750-6126) | SN: A40001-- |
H0750-6126 | ||||
| ? | 720-2T-12130 | • JOINT | 1 | SN: A40001-- |
F1 | ||
| ? | 720-2T-12150 | • JOINT | 1 | SN: A40001-- |
F1 | ||
| ? | 04065-02012 | • RING, SNAP | 1 | SN: A40001-- |
F1 | ||
| ? | 720-2T-03621 | • ROTOR ASSEMBLY | 1 | SN: A40001-- |
F1 | ||
| ? | (NSS) | • • ROTOR, INNER | 1 | SN: A40001-- |
|||
| ? | (NSS) | • • ROTOR, OUTER | 1 | SN: A40001-- |
|||
| ? | 720-2T-15580 | • OUTER FACE SEAL | 1 | SN: A40001-- |
F1 | ||
| ? | 720-2M-15540 | • FLANGE | 1 | SN: A40001-- |
F1 | ||
| ? | 01252-60640 | • BOLT | 6 | SN: A40001-- |
F1 | ||
| ? | • BLOCK, VALVE (SEE FIG. H0750-6126) | SN: A40001-- |
H0750-6126 | ||||
| ? | • COVER (SEE FIG. H0790-6134) | SN: A40001-- |
H0790-6134 | ||||
| ? | • SHAFT (SEE FIG. H0790-6134) | SN: A40001-- |
H0790-6134 | ||||
| ? | 13 | ||||||
| ? | F1 - THIS PART IS SUPPLIED AS AN ASSEMBLY. HOWEVER, IT IS SUPPLIED AS AN INDIVIDUAL PART BY AUTHORIZED DISTRIBUTORS ONLY. | 14 |