| Номер на схеме | Каталожный номер | Название | Количество | Детали | |||
|---|---|---|---|---|---|---|---|
| ? | HYDRAULIC PUMP ASSEMBLY - HIGH-FLOW (SEE FIG. H0750-6126) | SN: A40001-- |
H0750-6126 | ||||
| ? | • HYDRAULIC PUMP (SEE FIG. H0750-6126) | SN: A40001-- |
H0750-6126 | ||||
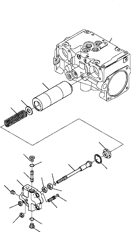
| ? | 720-2T-03290 | • • PISTON ASSEMBLY | 1 | SN: A40001-- |
F1 | ||
| ? | 720-2T-03130 | • • • COVER ASSEMBLY | 1 | SN: A40001-- |
F1 | ||
| ? | 720-2T-03040 | • • • • COVER ASSEMBLY | 1 | SN: A40001-- |
F1 | ||
| ? | (NSS) | • • • • • COVER | 1 | SN: A40001-- |
|||
| ? | (NSS) | • • • • • PLUG | 1 | SN: A40001-- |
|||
| ? | 720-2T-14532 | • • • • SPOOL | 1 | SN: A40001-- |
F1 | ||
| ? | 702-21-55620 | • • • • PLUG | 2 | SN: A40001-- |
|||
| ? | 07002-61423 | • • • • O-RING | 2 | SN: A40001-- |
|||
| ? | 720-2T-14430 | • • • • SCREW, ADJUSTING | 1 | SN: A40001-- |
F1 | ||
| ? | 07000-11008 | • • • • O-RING | 1 | SN: A40001-- |
F1 | ||
| ? | 01582-11008 | • • • • NUT | 1 | SN: A40001-- |
F1 | ||
| ? | 720-2T-14110 | • • • PISTON | 1 | SN: A40001-- |
F1 | ||
| ? | 720-2T-14230 | • • • PUSH-ROD | 1 | SN: A40001-- |
F1 | ||
| ? | 07000-11008 | • • • O-RING | 1 | SN: A40001-- |
F1 | ||
| ? | 720-2T-14210 | • • • RETAINER | 1 | SN: A40001-- |
F1 | ||
| ? | 01582-11008 | • • • NUT | 1 | SN: A40001-- |
F1 | ||
| ? | 720-2T-14240 | • • • RETAINER | 1 | SN: A40001-- |
F1 | ||
| ? | 720-2T-14370 | • • • SPRING | 1 | SN: A40001-- |
F1 | ||
| ? | 01583-11408 | • • • NUT | 1 | SN: A40001-- |
F1 | ||
| ? | 01583-51408 | • • • NUT | 1 | SN: A40001-- |
F1 | ||
| ? | 720-2T-14260 | • • • RING, SNAP | 1 | SN: A40001-- |
F1 | ||
| ? | • • BLOCK, VALVE (SEE FIG. H0750-6126) | SN: A40001-- |
H0750-6126 | ||||
| ? | 24 | ||||||
| ? | F1 - THIS PART IS SUPPLIED AS AN ASSEMBLY. HOWEVER, IT IS SUPPLIED AS AN INDIVIDUAL PART BY AUTHORIZED DISTRIBUTORS ONLY. | 25 |