| Номер на схеме | Каталожный номер | Название | Количество | Детали | |||
|---|---|---|---|---|---|---|---|
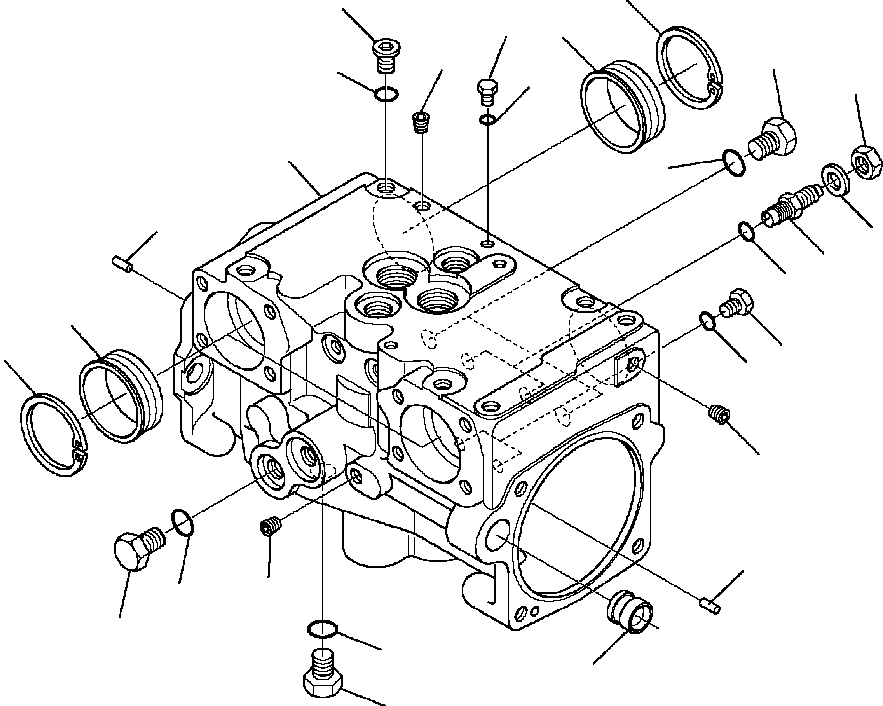
| ? | 720-2T-00160 | HYDRAULIC PUMP ASSEMBLY | 1 | SN: A40001-- |
|||
| ? | 720-2T-01070 | • HYDRAULIC PUMP | 1 | SN: A40001-- |
|||
| ? | 720-2T-04120 | • • CASE PUMP ASSEMBLY | 1 | SN: A40001-- |
F1 | ||
| ? | (NSS) | • • • CASE, PUMP | 1 | SN: A40001-- |
|||
| ? | (NSS) | • • • PLUG | 9 | SN: A40001-- |
|||
| ? | 720-2T-14310 | • • BUSHING | 4 | SN: A40001-- |
F1 | ||
| ? | 720-2T-14320 | • • RING, SNAP | 4 | SN: A40001-- |
F1 | ||
| ? | 07044-12412 | • • PLUG | 2 | SN: A40001-- |
|||
| ? | 07002-62434 | • • O-RING | 2 | SN: A40001-- |
|||
| ? | 07040-12414 | • • PLUG | 2 | SN: A40001-- |
|||
| ? | 07002-62434 | • • O-RING | 2 | SN: A40001-- |
|||
| ? | 708-8E-16150 | • • PLUG | 3 | SN: A40001-- |
|||
| ? | 07002-61023 | • • O-RING | 3 | SN: A40001-- |
|||
| ? | 702-21-55620 | • • PLUG | 4 | SN: A40001-- |
|||
| ? | 07002-61423 | • • O-RING | 4 | SN: A40001-- |
|||
| ? | 720-2T-13710 | • • SCREW, ADJUSTING | 2 | SN: A40001-- |
F1 | ||
| ? | 07000-12014 | • • O-RING | 2 | SN: A40001-- |
F1 | ||
| ? | 01643-31445 | • • WASHER | 2 | SN: A40001-- |
F1 | ||
| ? | 01583-11408 | • • NUT | 2 | SN: A40001-- |
F1 | ||
| ? | 720-2T-15420 | • • ORIFICE DISC | 1 | SN: A40001-- |
F1 | ||
| ? | 720-68-19610 | • • PIN | 2 | SN: A40001-- |
F1 | ||
| ? | 21 | ||||||
| ? | F1 - THIS PART IS SUPPLIED AS AN ASSEMBLY. HOWEVER, IT IS SUPPLIED AS AN INDIVIDUAL PART BY AUTHORIZED DISTRIBUTORS ONLY. | 22 |