| Номер на схеме | Каталожный номер | Название | Количество | Детали | |||
|---|---|---|---|---|---|---|---|
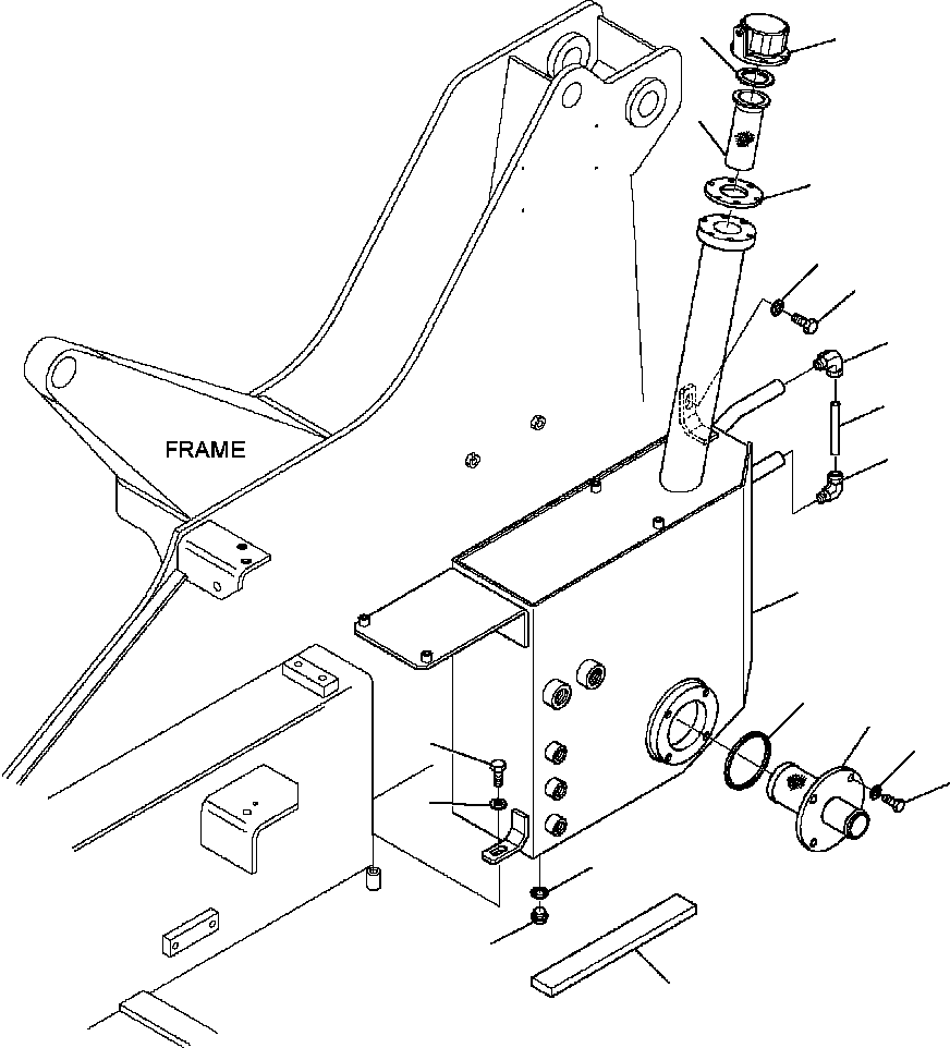
| ? | 37C-60-11512 | HYDRAULIC TANK | 1 | SN: A40001-A40217- |
|||
| ? | OR | 1 | |||||
| ? | 37C-60-18510 | HYDRAULIC TANK | 1 | SN: A40218-- |
|||
| ? | 21U-60-32120 | FILTER | 1 | SN: A40001-A40217- |
|||
| ? | OR | 4 | |||||
| ? | 21U-60-32121 | FILTER | 1 | SN: A40218-- |
|||
| ? | 21D-09-69250 | O-RING | 1 | SN: A40001-- |
|||
| ? | 01010-81020 | BOLT | 4 | SN: A40001-- |
|||
| ? | 01643-11032 | WASHER | 4 | SN: A40001-- |
|||
| ? | 37A-60-11540 | CAP ASSEMBLY | 1 | SN: A40001-- |
|||
| ? | 338813615 | GASKET | 1 | SN: A40001-- |
|||
| ? | 3F0554053 | STRAINER | 1 | SN: A40001-- |
|||
| ? | 37A-60-11530 | HOSE | 1 | SN: A40001-- |
|||
| ? | 22E-60-11120 | ELBOW | 2 | SN: A40001-- |
|||
| ? | 37A-60-11520 | GASKET | 1 | SN: A40001-- |
|||
| ? | 37A-46-11510 | PLUG | 1 | SN: A40001-- |
|||
| ? | 21D-09-86210 | WASHER | 1 | SN: A40001-- |
|||
| ? | 01016-51030 | BOLT | 2 | SN: A40001-- |
|||
| ? | 01643-11032 | WASHER | 2 | SN: A40001-- |