| Номер на схеме | Каталожный номер | Название | Количество | Детали | |||
|---|---|---|---|---|---|---|---|
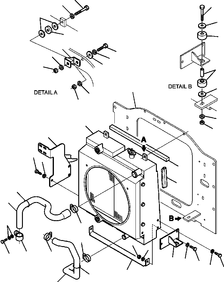
| ? | RADIATOR ASSEMBLY (SEE FIG. C0230-1205) | SN: A40001-- |
C0230-1205 | ||||
| ? | 37C-62-13152 | SUPPORT | 1 | SN: A40001-- |
|||
| ? | 37C-03-11261 | SUPPORT | 1 | SN: A40001-- |
|||
| ? | 01016-51030 | BOLT | 2 | SN: A40001-- |
|||
| ? | 01643-11032 | WASHER | 20 | SN: A40001-- |
|||
| ? | 21D-09-24190 | NUT, STOP | 10 | SN: A40001-- |
|||
| ? | 37C-03-11280 | SUPPORT | 1 | SN: A40001-A40491- |
|||
| ? | OR | 7 | |||||
| ? | 2939-03-1110 | GASKET | 1 | SN: A40492-- |
|||
| ? | 37A-03-11220 | DAMPER | 2 | SN: A40001-- |
|||
| ? | 01010-81080 | BOLT | 2 | SN: A40001-- |
|||
| ? | 21D-09-74620 | WASHER | 8 | SN: A40001-- |
|||
| ? | 37A-09-4A013 | WASHER | 4 | SN: A40001-- |
|||
| ? | 37A-03-11360 | DAMPER | 2 | SN: A40001-- |
|||
| ? | 37C-03-11340 | GASKET | 1 | SN: A40001-- |
|||
| ? | 37C-03-11350 | GASKET | 1 | SN: A40001-- |
|||
| ? | 37C-03-11311 | SLEEVE | 1 | SN: A40001-- |
|||
| ? | 37C-03-11291 | SLEEVE | 1 | SN: A40001-- |
|||
| ? | 07281-00489 | CLAMP | 3 | SN: A40001-- |
|||
| ? | 02893-05046 | O-RING | 3 | SN: A40001-- |
|||
| ? | 37C-03-11270 | SUPPORT | 2 | SN: A40001-- |
|||
| ? | 01010-81050 | BOLT | 2 | SN: A40001-- |
|||
| ? | 21D-09-74620 | WASHER | 2 | SN: A40001-- |
|||
| ? | 01010-81075 | BOLT | 2 | SN: A40001-- |
|||
| ? | 21D-09-81710 | CLAMP | 1 | SN: A40001-- |
|||
| ? | 01643-10823 | SPRING WASHER | 2 | SN: A40001-- |
|||
| ? | 01016-50825 | BOLT | 1 | SN: A40001-- |
|||
| ? | PLATE (SEE FIG. J0350-3010) | SN: A40001-- |
J0350-3010 | ||||
| ? | 01016-51035 | BOLT | 4 | SN: A40001-- |