| Номер на схеме | Каталожный номер | Название | Количество | Детали | |||
|---|---|---|---|---|---|---|---|
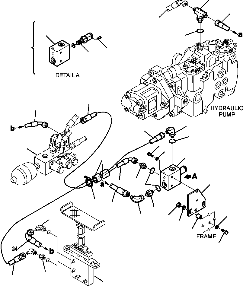
| ? | 500353731 | TEE | 1 | SN: A40001-- |
|||
| ? | 21D-09-69960 | • O-RING | 1 | SN: A40001-- |
|||
| ? | 37A-62-A4110 | HOSE | 1 | SN: A40001-A40230- |
|||
| ? | OR | 3 | |||||
| ? | Y3923-68110 | HOSE | 1 | SN: A40231-- |
|||
| ? | 21D-09-51180 | UNION | 2 | SN: A40001-- |
|||
| ? | 21D-09-69910 | • O-RING | 1 | SN: A40001-- |
|||
| ? | 845240006 | SOLENOID VALVE ASSEMBLY | 1 | SN: A40001-- |
|||
| ? | 845241002 | • HOLDER - VALVE WITH CASE | 1 | SN: A40001-- |
|||
| ? | 845241003 | • COIL ASSEMBLY | 1 | SN: A40001-- |
|||
| ? | 845241008 | • SCREW | 1 | SN: A40001-- |
|||
| ? | 37A-62-15720 | HOSE | 1 | SN: A40001-- |
|||
| ? | 37A-62-15730 | PROTECTION | 1 | SN: A40001-- |
|||
| ? | 08034-20519 | HOSE-CLAMP | 2 | SN: A40001-- |
|||
| ? | 01010-80655 | BOLT | 2 | SN: A40001-- |
|||
| ? | 01643-10623 | WASHER | 2 | SN: A40001-- |
|||
| ? | 37A-970-1451 | SUPPORT | 1 | SN: A40001-- |
|||
| ? | 01010-80865 | BOLT | 2 | SN: A40001-- |
|||
| ? | 01643-10823 | SPRING WASHER | 2 | SN: A40001-- |
|||
| ? | 37A-62-14290 | SPACER | 2 | SN: A40001-- |
|||
| ? | 37A-09-4A009 | WASHER | 2 | SN: A40001-- |
|||
| ? | 21D-09-24180 | NUT, STOP | 2 | SN: A40001-- |
|||
| ? | 37A-62-15710 | HOSE | 1 | SN: A40001-- |
|||
| ? | 21D-09-51620 | ELBOW | 1 | SN: A40001-- |
|||
| ? | 21D-09-69910 | • O-RING | 1 | SN: A40001-- |
|||
| ? | 37A-62-14121 | HOSE | 1 | SN: A40001-- |
|||
| ? | 21D-09-58350 | ELBOW | 1 | SN: A40001-- |
|||
| ? | HOSE (SEE FIG. H1540-6555) | SN: A40001-- |
H1540-6555 | ||||
| ? | HOSE (SEE FIG. H1540-6555) | SN: A40001-- |
H1540-6555 | ||||
| ? | UNION (SEE FIG. H1590-6660) | SN: A40001-- |
H1590-6660 | ||||
| ? | UNION (SEE FIG. H1590-6660) | SN: A40001-- |
H1590-6660 | ||||
| ? | ATTACHMENT CONTROL PEDAL (SEE FIG. K0460-4300) | SN: A40001-- |
K0460-4300 |