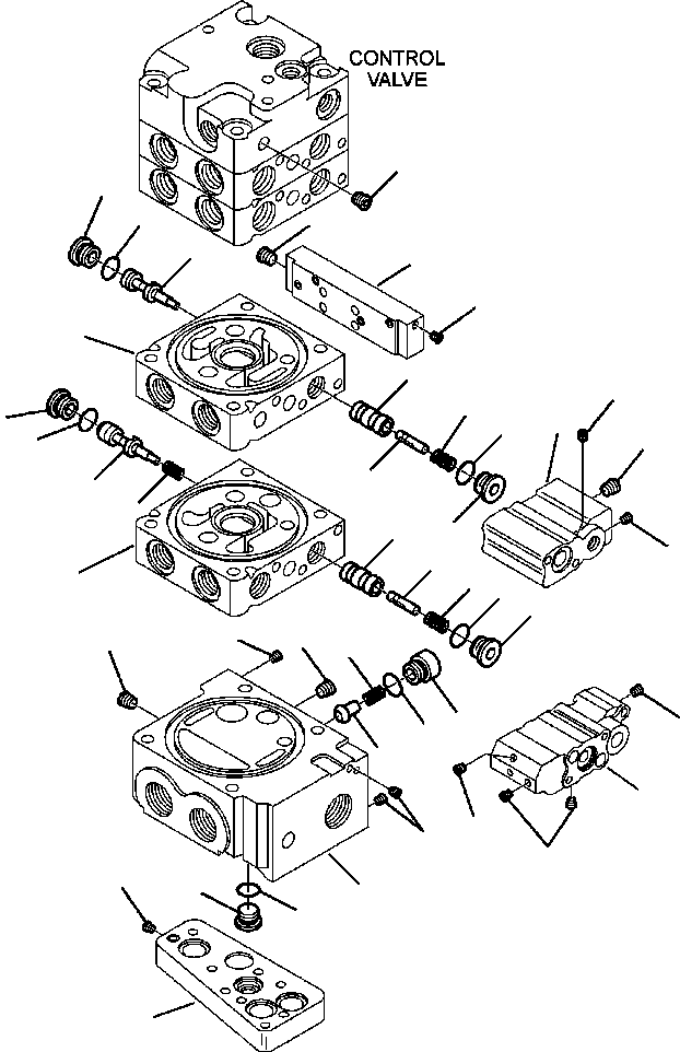
Найти k-part Содержание Skid Steer Loaders Komatsu CK35-1 S/N A40001-UP(CK351) H1220-6298 CONTROL VALVE SUPER HIGH-FLOW (5/13)(H-137 : H1220-6298) Номер на схеме Каталожный номер Название Количество Детали ? CONTROL VALVE ASSEMBLY - SUPER HIGH-FLOW (SEE FIG. H1190-6290) SN: A40001-- H1190-6290 ? 702-21-55620 • PLUG 1 SN: A40001-- ? 07002-11423 • O-RING 1 SN: A40001-- ? 723-11-28560 • PLUG 1 SN: A40001-- ? 07002-11623 • O-RING 1 SN: A40001-- ? 723-11-28570 • VALVE 1 SN: A40001-- ? 723-11-28580 • SPRING 1 SN: A40001-- ? 702-16-54490 • DOWEL 18 SN: A40001-- ? 708-21-12541 • PLUG 8 SN: A40001-- ? 723-11-15110 • PLUG 4 SN: A40001-- ? 07002-11623 • O-RING 4 SN: A40001-- ? 723-11-01190 • VALVE 1 SN: A40001-- ? 723-11-15130 • SPRING 1 SN: A40001-- ? 723-11-25170 • VALVE 1 SN: A40001-- ? 723-11-26440 • VALVE 2 SN: A40001-- ? 723-11-16230 • SPRING 2 SN: A40001-- ? 723-11-26450 • PISTON 1 SN: A40001-- ? 723-11-26460 • PISTON 1 SN: A40001-- ? • BODY (SEE FIG. H1190-6290) SN: A40001-- H1190-6290 ? • BODY, BOOM (SEE FIG. H1190-6290) SN: A40001-- H1190-6290 ? • BODY, BUCKET (SEE FIG. H1190-6290) SN: A40001-- H1190-6290 ? • BODY (SEE FIG. H1240-6302) SN: A40001-- H1240-6302 ? • BODY (SEE FIG. H1240-6302) SN: A40001-- H1240-6302 ? • BODY (SEE FIG. H1250-6304) SN: A40001-- H1250-6304 ? • PLATE (SEE FIG. H121A-6296) SN: A40001-- H121A-6296 ? ? ? ? ? ? ? ? ? ? ? ? ? ? ? ? ? ? ? ? ? ? ? ? ? ? ? ? ? ? ? ? ? ? ? ? ? ? ? ? ? ? ? ?