k-part
Номер на схеме Каталожный номер Название Количество Детали
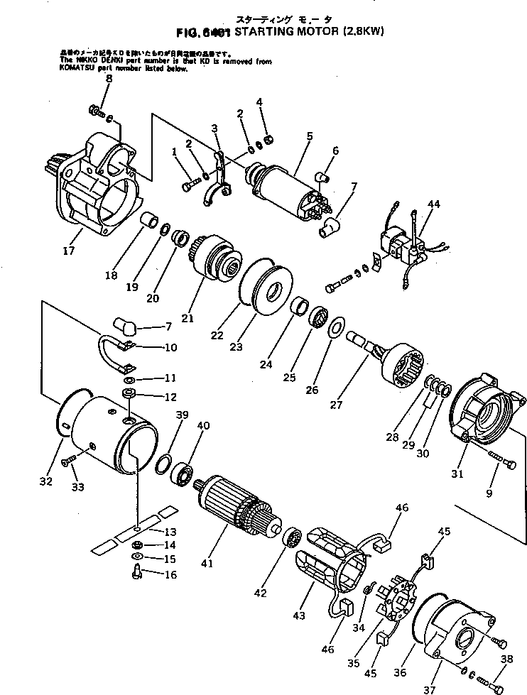
? 600-813-3130 STARTING MOTOR A.,(2.8KW) 1
SN: 10001-
? KD1-21303-0300 • PIN,LEVER 1
SN: 10001-
? KD1-0345-06001 • • WASHER,SEAL 2
SN: 10001-
? KD1-23320-0180 • • SHIFT LEVER ASS'Y 1
SN: 10001-
? KD1-09279-0080 • NUT 1
SN: 10001-
? KD0-47100-3590 • MAGNETIC SWITCH A. 1
SN: 10001-
? KD1-09252-0420 • CAP,GUM 1
SN: 10001-
? KD1-09252-0430 • CAP,GUM 2
SN: 10001-
? KD0-0274-06202 • BOLT 2
SN: 10001-
? KD1-0240-06355 • BOLT 2
SN: 10001-
? KD0-23785-0210 • LEAD WIRE ASS'Y 1
SN: 10001-
? KD1-47921-0280 • WASHER 1
SN: 10001-
? KD1-23943-0060 • BUSHING,INSULATE 1
SN: 10001-
? KD1-23946-0110 • SEAT,INSULATE 1
SN: 10001-
? KD1-23953-0070 • BUSHING,GUM 1
SN: 10001-
? KD1-23946-0100 • SEAT,INSULATE 1
SN: 10001-
? KD1-23905-0080 • RIVET 1
SN: 10001-
? KD1-23310-0050 • FRONT BRACKET ASS'Y 1
SN: 10001-
? KD7-23351-0160 • • METAL 1
SN: 10001-
? KD1-09066-0050 • RING,CLIP 1
SN: 10001-
? KD1-23181-0050 • STOPPER,PISTON 1
SN: 10001-
? KD0-23500-0350 • CLUTCH ASS'Y,OVER RUNNING 1
SN: 10001-
? KD1-09211-1180 • O-RING 1
SN: 10001-
? KD0-23800-0170 • CENTER BRACKET A. 1
SN: 10001-
? KD7-23351-0150 • • METAL 1
SN: 10001-
? KD1-09210-0670 • SEAL,OIL 1
SN: 10001-
? KD1-09101-0100 • WASHER,INSULATE 1
SN: 10001-
? KD1-23111-0370 • SHAFT ASS'Y 1
SN: 10001-
? KD1-23921-0130 • WASHER 1
SN: 10001-
? KD1-23921-0140 • WASHER 2
SN: 10001-
? KD1-23941-0030 • WASHER,INSULATE 1
SN: 10001-
? KD1-23611-0460 • BRACKET,CENTER 1
SN: 10001-
? KD1-09211-1160 • O-RING 1
SN: 10001-
? KD1-0060-08142 • SCREW 4
SN: 10001-
? KD1-23913-0070 • SPRING,BRUSH 4
SN: 10001-
? KD0-23750-0160 • BRUSH HOLDER A. 1
SN: 10001-
? KD1-09211-1160 • O-RING 1
SN: 10001-
? KD1-23711-0180 • BRACKET,REAR 1
SN: 10001-
? KD1-23901-0080 • BOLT 2
SN: 10001-
? KD1-23921-0150 • WASHER 1
SN: 10001-
? KD1-0444-60037 • BEARING,BALL 1
SN: 10001-
? KD1-23100-0170 • ARMATURE ASS'Y 1
SN: 10001-
? KD1-0444-06087 • BEARING,BALL 1
SN: 10001-
? KD1-23230-0220 • FIELD COIL ASS'Y 1
SN: 10001-
? KD0-25000-6080 • SWITCH ASS'Y 1
SN: 10001-
? KD1-23740-0140 • BRUSH ASS'Y 2
SN: 10001-
? KD1-23740-0150 • BRUSH ASS'Y 2
SN: 10001-

Engines Komatsu / 4D95L-1C S/N 10001-UP(4d95l-br) / STARTING MOTOR (2.8KW)(180050 : 6401)