| Наименование | Страница | Код страницы |
|---|---|---|
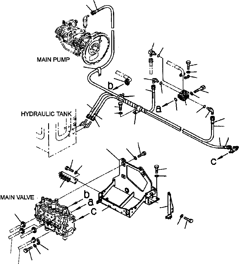
| FIG. H1310-01A0 HYDRAULIC PIPING - TRAVEL LINES | H-104 | H1310-01A0 |
| Номер на схеме | Каталожный номер | Название | Количество | Детали | |||
|---|---|---|---|---|---|---|---|
| ? | 20Y-62-27413 | BRACKET, MAIN CONTROL VALVE | 1 | SN: A85001 -- |
|||
| ? | 01010-81655 | BOLT | 4 | SN: A85001 -- |
|||
| ? | 01643-31645 | WASHER | 4 | SN: A85001 -- |
|||
| ? | 01010-81650 | BOLT | 3 | SN: A85001 -- |
|||
| ? | 01643-31645 | WASHER | 3 | SN: A85001 -- |
|||
| ? | 20Y-62-27192 | BRACKET | 1 | SN: A85001 -- |
|||
| ? | 01010-81230 | BOLT | 2 | SN: A85001 -- |
|||
| ? | 01643-31232 | WASHER, PLAIN M12 | 2 | SN: A85001 -- |
|||
| ? | 20Y-62-21264 | BRACKET | 1 | SN: A85001 -- |
|||
| ? | 01010-81235 | BOLT | 2 | SN: A85001 -- |
|||
| ? | 01643-31232 | WASHER, PLAIN M12 | 2 | SN: A85001 -- |
|||
| ? | 702-21-09147 | VALVE ASSEMBLY, MERGE DIVIDER | 1 | SN: A85001 -- |
|||
| ? | 21T-09-11460 | O-RING | 1 | SN: A85001 -- |
|||
| ? | 708-27-12560 | BOLT | 4 | SN: A85001 -- |
|||
| ? | 01643-51032 | WASHER, PLAIN | 4 | SN: A85001 -- |
|||
| ? | 07371-31049 | FLANGE, SPLIT | 4 | SN: A85001 -- |
|||
| ? | 07372-21035 | BOLT | 8 | SN: A85001 -- |
|||
| ? | 01643-51032 | WASHER, PLAIN | 8 | SN: A85001 -- |
|||
| ? | 21Y-62-17810 | ELBOW ASSEMBLY | 1 | SN: A85001 -- |
|||
| ? | 07002-12434 | O-RING | 1 | SN: A85001 -- |
|||
| ? | 07235-10210 | ELBOW | 1 | SN: A85001 -- |
|||
| ? | 07002-11423 | O-RING | 1 | SN: A85001 -- |
|||
| ? | 07235-10210 | ELBOW | 1 | SN: A85001 -- |
|||
| ? | 07002-11423 | O-RING | 1 | SN: A85001 -- |
|||
| ? | 07371-31049 | FLANGE | 8 | SN: A85001 -- |
|||
| ? | 07372-21035 | BOLT | 16 | SN: A85001 -- |
|||
| ? | 01643-51032 | WASHER | 16 | SN: A85001 -- |
|||
| ? | 20Y-62-27241 | HOSE ASSEMBLY | 1 | SN: A85001 -- |
|||
| ? | 203-62-52280 | • HOSE | 1 | SN: A85001 -- |
|||
| ? | 20Y-62-22881 | • HOSE | 1 | SN: A85001 -- |
|||
| ? | 20Y-62-22820 | • BAND, BLUE | 2 | SN: A85001 -- |
|||
| ? | 07096-00221 | • HOSE | 1 | SN: A85001 -- |
|||
| ? | 20Y-62-22810 | • BAND, YELLOW | 2 | SN: A85001 -- |
|||
| ? | 04434-52712 | CLIP | 1 | SN: A85001 -- |
|||
| ? | 01010-81225 | BOLT | 1 | SN: A85001 -- |
|||
| ? | 01643-31232 | WASHER | 1 | SN: A85001 -- |
|||
| ? | 08034-20519 | BAND | 2 | SN: A85001 -- |
|||
| ? | 04434-51512 | CLIP | 1 | SN: A85001 -- |