k-part
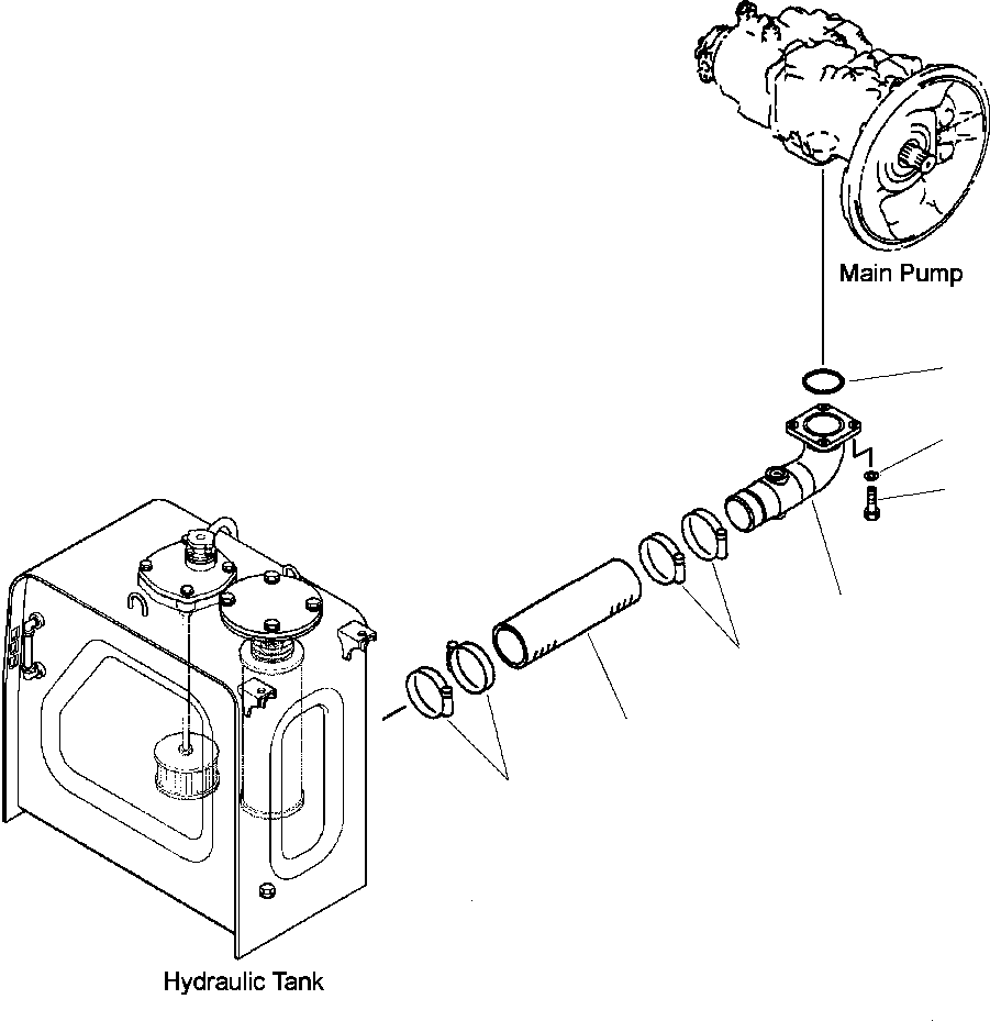
Номер на схеме Каталожный номер Название Количество Детали
? 07260-08732 HOSE 1
? 07289-00105 CLAMP 4
? 20Y-62-27651 ELBOW 1
? 07000-02085 O-RING 1
? 01010-81235 BOLT 4
? 01643-31232 WASHER 4

Excavators Komatsu / PC200LL-6 S/N A85001-UP(PC200LL6) / FIG. H0311-01A0 HYDRAULIC PIPING - SUCTION LINE(H-068 : H0311-01A0)
?
?
?
?
?
?
?