| Наименование | Страница | Код страницы |
|---|---|---|
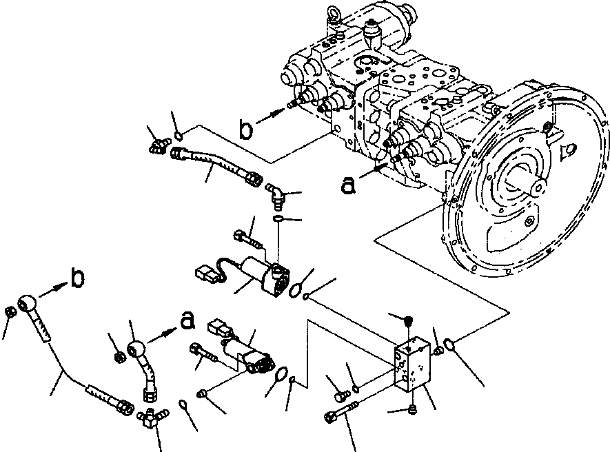
| FIG. H0210-01A0 MAIN PUMP - FRONT CASE ASSEMBLY | H-046 | H0210-01A0 |
| FIG. H1810-03A0 HYDRAULIC PIPING - EPC VALVE | H-110 | H1810-03A0 |
| Номер на схеме | Каталожный номер | Название | Количество | Детали | |||
|---|---|---|---|---|---|---|---|
| ? | 708-2L-04291 | BLOCK ASSEMBLY | 1 | SN: A85001 -- |
|||
| ? | (NSS) | • BLOCK | 1 | SN: A85001 -- |
|||
| ? | (NSS) | • PLUG | 3 | SN: A85001 -- |
|||
| ? | (NSS) | • O-RING | 1 | SN: A85001 -- |
|||
| ? | 07040-11007 | PLUG | 1 | SN: A85001 -- |
|||
| ? | 708-2L-23920 | O-RING | 1 | SN: A85001 -- |
|||
| ? | 01252-60865 | BOLT | 2 | SN: A85001 -- |
|||
| ? | 203-60-62220 | BOLT | 4 | SN: A85001 -- |
|||
| ? | 07235-10210 | ELBOW | 2 | SN: A85001 -- |
|||
| ? | 708-2L-23950 | O-RING | 2 | SN: A85001 -- |
|||
| ? | 01582-11008 | NUT | 2 | SN: A85001 -- |
|||
| ? | 708-2L-29410 | HOSE | 1 | SN: A85001 -- |
|||
| ? | 708-2L-29420 | HOSE | 1 | SN: A85001 -- |
|||
| ? | 708-2L-29430 | HOSE | 1 | SN: A85001 -- |
|||
| ? | 708-2L-23960 | O-RING | 2 | SN: A85001 -- |
|||
| ? | 07000-B2011 | O-RING | 2 | SN: A85001 -- |
|||
| ? | 708-2L-29450 | ELBOW | 1 | SN: A85001 -- |
|||
| ? | 708-2L-29460 | ORIFICE | 1 | SN: A85001 -- |
|||
| ? | 708-2L-23950 | O-RING | 1 | SN: A85001 -- |