| Номер на схеме | Каталожный номер | Название | Количество | Детали | |||
|---|---|---|---|---|---|---|---|
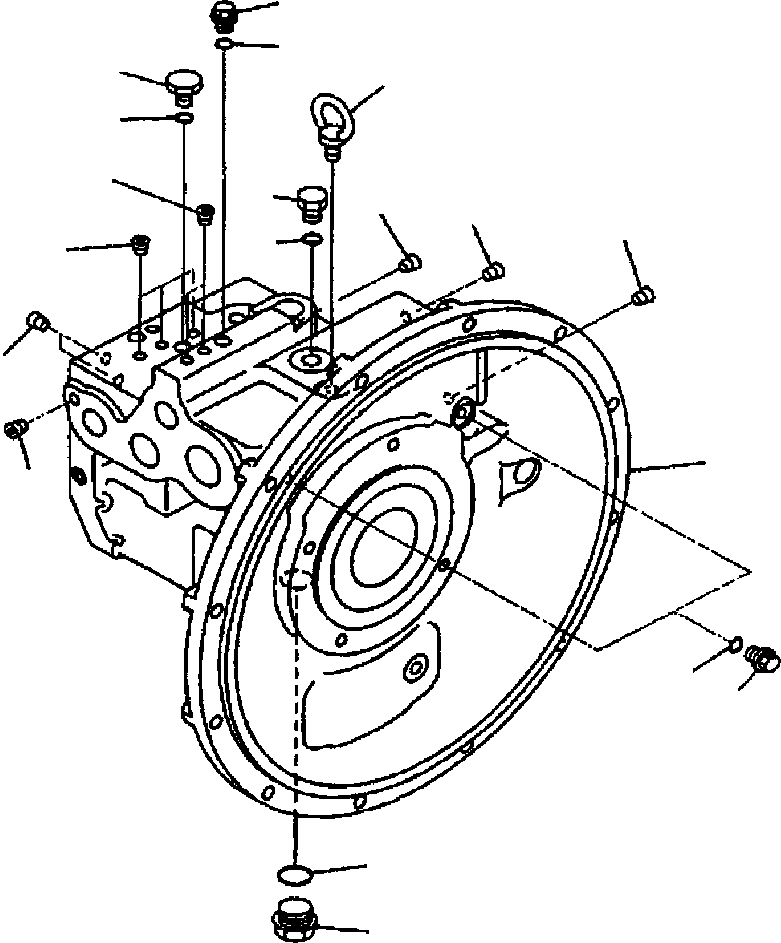
| ? | 708-2L-00413 | PUMP ASSEMBLY | 1 | SN: A85001 -- |
|||
| ? | 708-2L-01442 | • PUMP SUB ASSEMBLY | 1 | SN: A85001 -- |
|||
| ? | 708-2L-04240 | • CASE ASSEMBLY, FRONT | 1 | SN: A85001 -- |
|||
| ? | (NSS) | • • CASE, FRONT | 1 | SN: A85001 -- |
|||
| ? | (NSS) | • • PLUG | 16 | SN: A85001 -- |
|||
| ? | 07044-12412 | • PLUG | 1 | SN: A85001 -- |
|||
| ? | 708-1W-28910 | • O-RING | 1 | SN: A85001 -- |
|||
| ? | 720-68-19870 | • PLUG | 1 | SN: A85001 -- |
|||
| ? | 708-2L-23940 | • O-RING | 1 | SN: A85001 -- |
|||
| ? | 04530-01018 | • BOLT | 1 | SN: A85001 -- |
|||
| ? | 708-8E-16150 | • PLUG | 3 | SN: A85001 -- |
|||
| ? | 708-2L-23920 | • O-RING | 3 | SN: A85001 -- |
|||
| ? | 708-8H-11530 | • PLUG | 1 | SN: A85001 -- |
|||
| ? | 708-2L-23950 | • O-RING | 1 | SN: A85001 -- |