k-part
Номер на схеме Каталожный номер Название Количество Детали
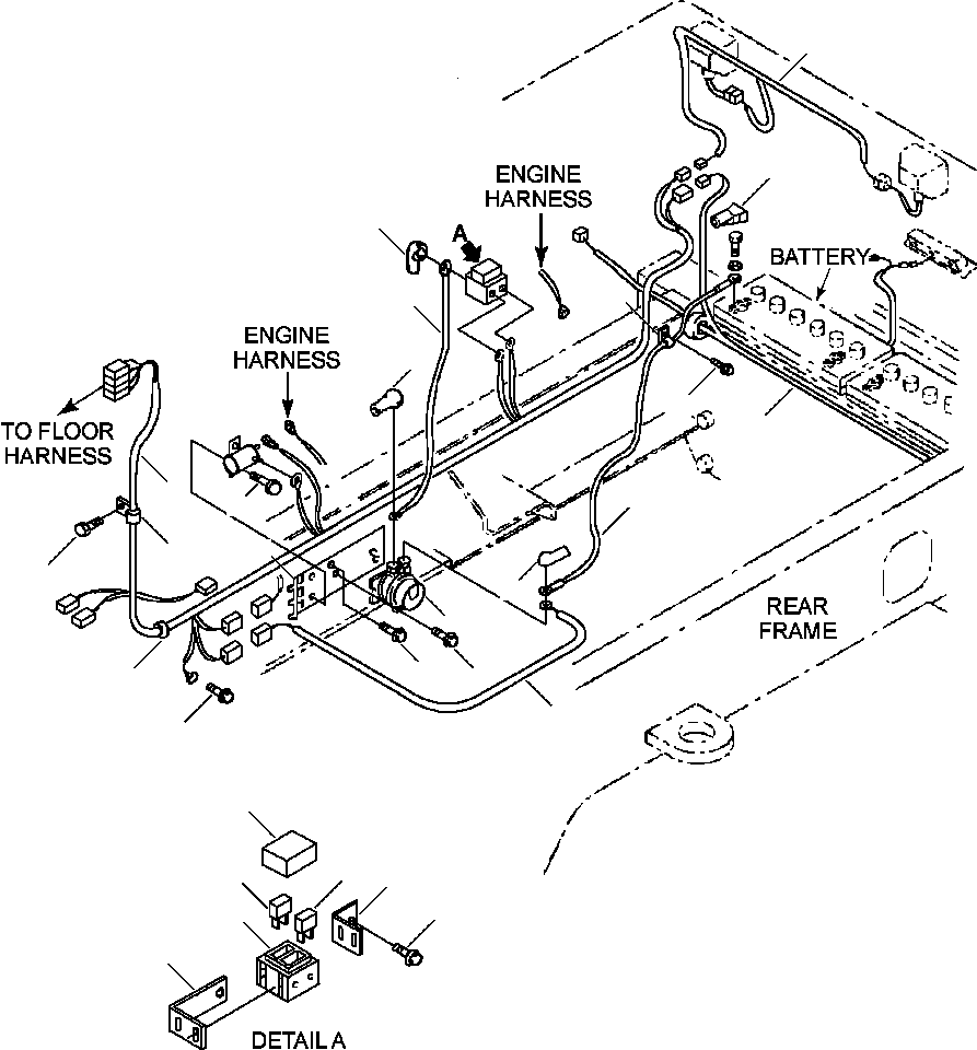
? 417-06-22361 REAR FRAME HARNESS 1
SN: A80001-UP-
? 08020-10000 • DIODE 1
SN: A80001-UP-
? 08036-02514 CLIP 1
SN: A80001-UP-
? 01435-01016 BOLT 2
SN: A80001-UP-
? 935 522 C1 BAND 2
SN: A80001-UP-
? 417-06-22231 WIRING HARNESS 1
SN: A80001-UP-
? 418-06-A1430 WIRE, RELAY 1
SN: A80001-UP-
? 08038-22009 CAP 1
SN: A80001-UP-
? 08088-30000 SWITCH 1
SN: A80001-UP-
? 01435-00825 BOLT 2
SN: A80001-UP-
? 08038-06031 CAP 2
SN: A80001-UP-
? 417-06-22330 WIRE 1
SN: A80001-UP-
? 08038-06031 CAP 1
SN: A80001-UP-
? 08036-01214 CLIP 4
SN: A80001-UP-
? 01435-01016 BOLT 1
SN: A80001-UP-
? 418-06-22550 BRACKET 1
SN: A80001-UP-
? 01435-01016 BOLT 2
SN: A80001-UP-
? 08036-01214 BOLT 3
SN: A80001-UP-
? 421-06-22830 FUSE, 120 A 1
SN: A80001-UP-
? 421-06-22820 FUSE, SLOW BLOW - 80 A 1
SN: A80001-UP-
? 421-06-22880 HOLDER 1
SN: A80001-UP-
? 421-06-22990 • BOLT 4
SN: A80001-UP-
? 421-06-22910 BRACKET 1
SN: A80001-UP-
? 421-06-22920 BRACKET 1
SN: A80001-UP-
? 01435-00812 BOLT 1
SN: A80001-UP-
? WIRING HARNESS (SEE FIG. E0120-01A0)
SN: A80001-UP-
E0120-01A0
? RADIATOR GUARD HARNESS(SEE FIG. M4120-02A0)
SN: A80001-UP-
M4120-02A0

Wheel Loaders Komatsu / WA180-3L S/N A80001-UP(WA1803L) / FIG. E0200-02A0 MAIN HARNESS - REAR FRAME LINE(E-012 : E0200-02A0)
?
?
?
?
?
?
?
?
?
?
?
?
?
?
?
?
?
?
?
?
?
?
?
?
?
?
?
?