| Номер на схеме | Каталожный номер | Название | Количество | Детали | |||
|---|---|---|---|---|---|---|---|
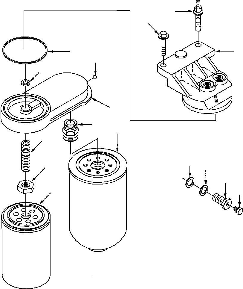
| ? | 6732-71-6270 | HEAD, FUEL FILTER | 1 | ||||
| ? | (NSS) | • BALL | 1 | ||||
| ? | (NSS) | • INSERT, FILTER HEAD - 13/16-18 EXT | 1 | ||||
| ? | 6732-61-6140 | BOLT - M8-1.25 X 35 | 1 | ||||
| ? | 6732-71-6130 | NUT, JAM - M16-1.50 | 1 | ||||
| ? | 6732-71-6320 | FILTER, FUEL | 1 | ||||
| ? | 6735-71-6510 | SCREW, BANJO CONNECTOR | 1 | ||||
| ? | 6735-71-6750 | • BOLT - M6-1.00 X 10 | 1 | ||||
| ? | 6735-71-6530 | • SCREW, BANJO CONNECTOR - M12-1.50 X 24 | 1 | ||||
| ? | 6736-71-6220 | O-RING | 1 | ||||
| ? | 6736-71-6230 | SEAL, RECTANGULAR RING | 1 | ||||
| ? | 07005-01212 | WASHER, SEALING | 2 | ||||
| ? | 6735-71-6150 | ADAPTER, FILTER HEAD -M16-1.50 BOTH ENDS | 1 | ||||
| ? | 6735-71-6550 | BOLT - M8-1.25 X M6 X 1.00 | 1 | ||||
| ? | 6732-71-6120 | FILTER, FUEL/WATER SEPARATOR | 1 | ||||
| ? | 6735-71-6230 | HEAD, FUEL FILTER | 1 |