| Номер на схеме | Каталожный номер | Название | Количество | Детали | |||
|---|---|---|---|---|---|---|---|
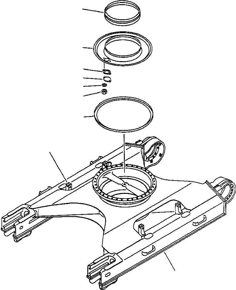
| ? | 20Y-30-25111 | FRAME, TRACK | 1 | ||||
| ? | 20Y-30-11720 | • PLATE (WELDED) | 4 | ||||
| ? | 205-30-71171 | SEAL | 1 | ||||
| ? | 20Y-30-21150 | COVER | 1 | ||||
| ? | 205-30-71181 | COVER | 1 | ||||
| ? | 205-30-71191 | GASKET | 1 | ||||
| ? | 01580-11008 | NUT | 2 | ||||
| ? | 01643-31032 | WASHER | 2 | ||||
| ? | 20Y-30-11370 | SEAL | 1 |